
8000-1658-02, Rev. C AD TOUCH TRACKER Installation Instructions
AD TOUCH TRACKER
Installation Instructions
PARTS REQUIRED
AD TOUCH TRACKER Installation Kit:
0351-0474-04
Description Qty. Part No.
Modular cable assy 4.3m 6003-0047-01
Screw, M2.9x9.5 1 5899-0004-102
Anchor, 4-8x.750 2 2880-0083-01
Screw, #8x1 2 2816-7634-44
Conn, 1x5pos 1 2109-0254-04
Lug, 22-16AWG 3 2141-0002
Cable, 3-cond, 18AWG 5m 6002-0024-01
Interconnect box 1 0300-1000-01
Hood, D-Sub, 9pos, cable 1 2125-0007-02
Conn, D-Sub, plug, hsg, 9pos 2130-0021-01
WARNING Shock Hazard!
Disconnect AC Power to the Switch.
CAUTION Static Sensitive
Components!
Follow proper handling procedures
to prevent component failure.
Installation Procedures
For connections less than or equal to 4m
(14 ft)
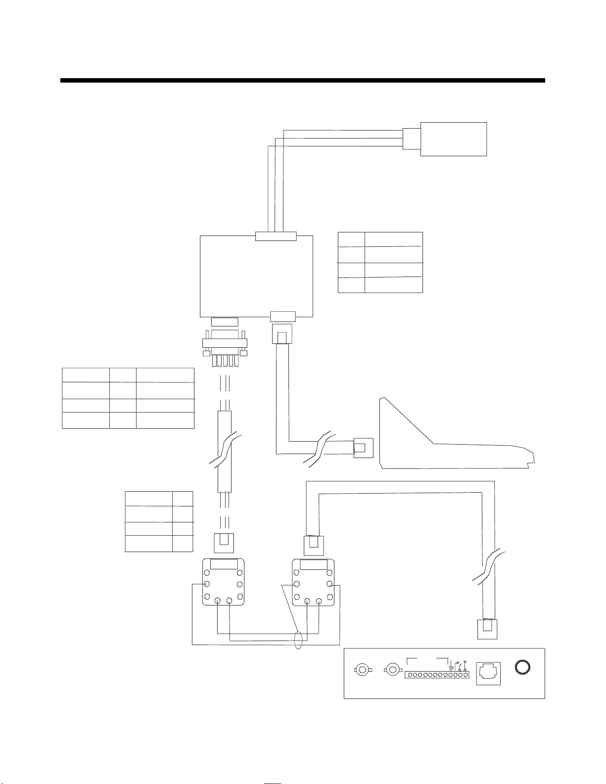
Refer to the diagram on page 2.
1. Mount each external interconnect module
(EIM) on a wall or other surface within 3m
(10 ft) of the controller.
2. Connect the power transformer to J3 on
each EIM. Refer to the J3 table on page 2.
3. Wire the DB9 connector to the data cable.
Refer to the DB9 table on page 2.
4. Connect the data cable from J1 on the
TOUCH TRACKER EIM to one of the RS232
ports at the rear panel of the AD Switch.
Refer to the RJ45 table on page 2.
5. Connect the modular cable from J2 on EIM
to the TOUCH TRACKER Controller.
6. Plug each power transformer into a
grounded, 3 wire receptacle.
NOTE: If the keypad and back lighting do not
illuminate when power is applied, unplug
each power transformer and repeat steps 2
through 6.
When all cables are connected, you must set the TOUCH
TRACKER for the appropriate communications protocol.
•If your AD switch does not support keyboard repeat,
enter 200, then press F1 to select Repeat Off. The
AD168 supports this mode.
•If your AD switch supports keyboard repeat, enter
201, then press F1 to select Repeat On. The
AD1650, AD2050, AD2052, AD2150, and AD2350
support this mode.
Repeat On is the default setting for the TOUCH TRACKER.
For connections greater than 4m (14 ft)
This installation requires 2 modular cable assemblies
(Part No. 6003-0047-01), 2 HP0047 AD Terminal
Boxes, and 3-wire, 18 AWG shielded cable. Contact
your sales representative for additional parts.
Refer to the diagram on page 3.
1. Mount each external interconnect module
(EIM) on a wall or other surface within 3m
(10 ft) of the controller.
2. Connect the power transformer to J3 on
each EIM. Refer to the J3 table on page 3.
3. Wire the DB9 connector to the data cable.
Refer to the DB9 table on page 3.
4. Referring to the diagram on page 3, connect
the wires as illustrated to the Terminal
boxes. The shield wire connects to 7 on the
Switch Terminal Box only.
5. Connect one modular cable from J2 on EIM
to the TOUCH TRACKER Controller.
6. Connect the data cable from J1 on the
TOUCH TRACKER EIM to RJ45 on the TOUCH
TRACKER Terminal Box. Refer to the RJ45
table on page 3.
7. Connect remaining modular cable from the
Switch Terminal Box to one of the RS232
ports on the AD Switch.
8. Plug each power transformer into a
grounded, 3 wire receptacle.
NOTE: If the keypad and back lighting do not
illuminate when power is applied, unplug
each transformer and repeat steps 2 through
8.
When all cables are connected, you must set the TOUCH
TRACKER for the appropriate communications protocol.
•If your AD switch does not support keyboard repeat,
enter 200, then press F1 to select Repeat Off. The
AD168 supports this mode.
•If your AD switch supports keyboard repeat, enter
201, then press F1 to select Repeat On. The
AD1650, AD2050, AD2052, AD2150, and AD2350
support this mode.
Repeat On is the default setting for the TOUCH TRACKER.