amperes
Quantum QP2000 Series Power Amplifiers PAGE 9
Setting The Unit
-
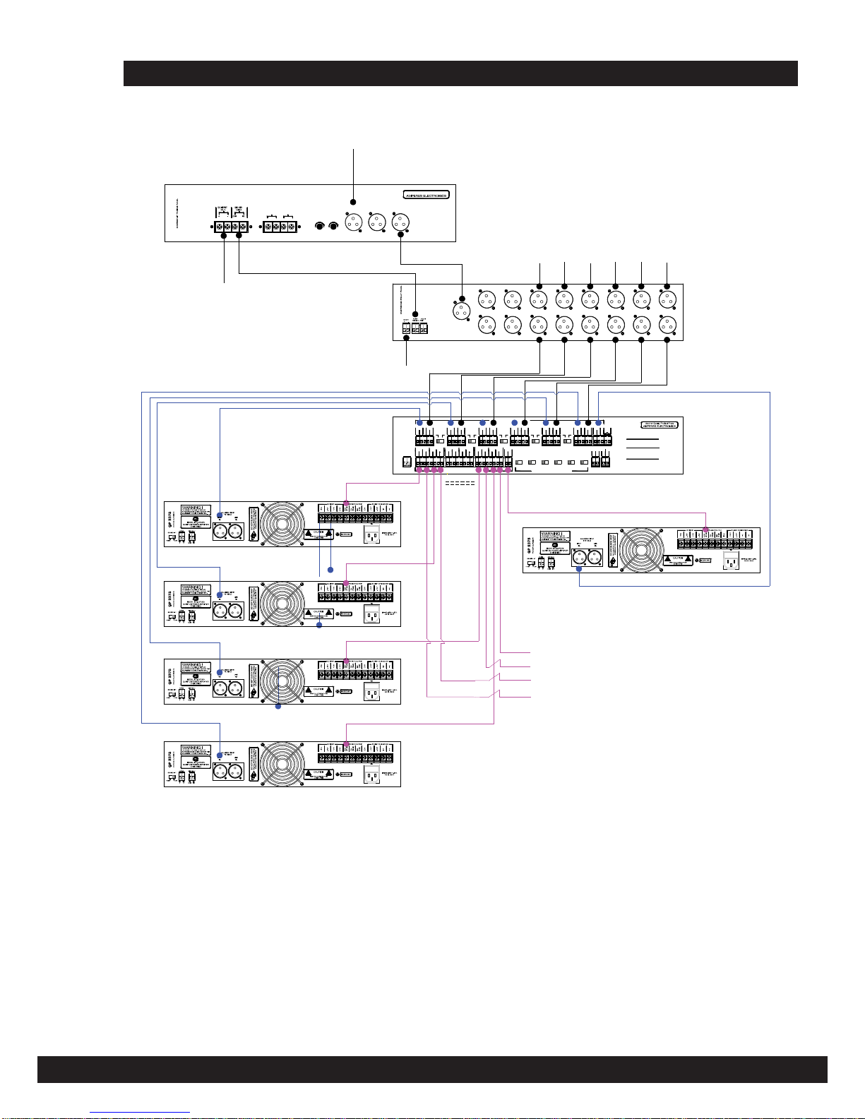
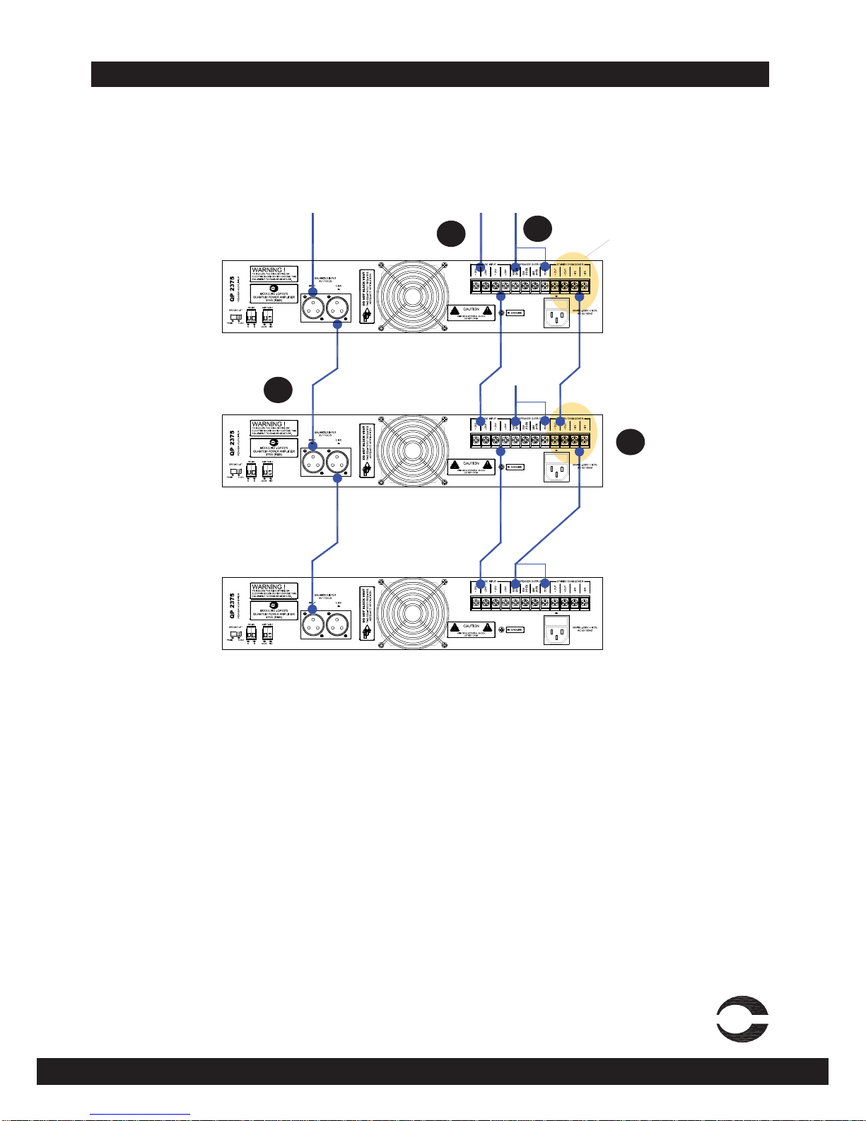
2. CASCADING
2. CASCADE
2.1 UNIT SET:
2
2. CASCADE
3
Select Sub Menu 2 for unit addressing
Use UP and DOWN button to select
address number
Press MENU button to confirm
Setting the address is used only when
all the amplifiers at to be linked to
remote PC for monitoring. Software is
available free, but an USB-RS485 inter-
face shall be required.
Among parameters that can be moni-
tored are volume, temperature, fan and
amp status.
Up to 16 units can be linked together for
monitoring.
3. SETTING
3. SETTING
3.1 AUTO TEST
OFF
3.1 AUTO TEST
* ON
Select Menu 3
Use UP and DOWN button to select
Sub Menu 3.1 for AFS feature
Press MENU button to select the
Sub Menu and use UP / DOWN
button to turn On or Off.
This setting shall be forAuto Fault Sens-
ing (AFS) and fan control
With Auto Test feature on, Pilot Tone of
20KHz would be generated, and the
outputs shall be monitored. The
absence of the tone shall indicate the
amplifier module or the unit is faulty.
At faulty condition, a dry contact shall be
activated for external triggering. Simi-
larly, a fault condition data would be sent
out via RS485.
3.1 AUTO TEST
ON
Once confirm, press MENU and will
revert to Sub Menu. Use UP and
DOWN button to select other Sub
Menu
3.2 FAN :
AUTO
3.2 FAN
* ON
Use UP and DOWN button to select
Sub Menu 3.2 for fan control
Press MENU button to select the
Sub Menu and use UP / DOWN
button to turn On or Off.
3.2 FAN
ON
Once confirm, press MENU and will
revert to Sub Menu. Use UP and
DOWN button to select other Sub
Menu
Fan can be set to Auto mode, which the
fan would be automatically turned on
upon reaching 29 Deg C at the heatsink
and would run at temperature depen-
dant speed.
Another mode is to turn on the fan,
running continuously.
We recommend that the fan to be set at
Auto mode.
3.3 EXIT
ON
To exit this sub menu, select Exit.