
Marine Electrical Prod
ucts
Blue Sea Systems Inc. Phone (360) 738-8230
425 Sequoia Drive Fax (360) 734-4195
www.bluesea.com
Document 6344 Rev.B
WARNING
Dual Battery Main Distribution Panel
One Selector Battery Switch
PN 8687/8691
Installation
1. Disconnect all DC power
To eliminate the possibility of a short circuit while installing the panel,
disconnect the main positive cable from all batteries.
2. Select mounting location and cut opening
Select a mounting location that is protected from water on the panel
front and back and is not in an area where flammable vapors from
propane, gas or lead acid batteries accumulate. Using the panel
template provided, make a cut out in the mounting surface where
the panel is to be mounted. Do not fasten the panel to the
mounting surface.
3. Install LED negative feed wire
Use a 16 AWG wire to connect the LED negative feed (Yellow) wires
to a DC negative bus.
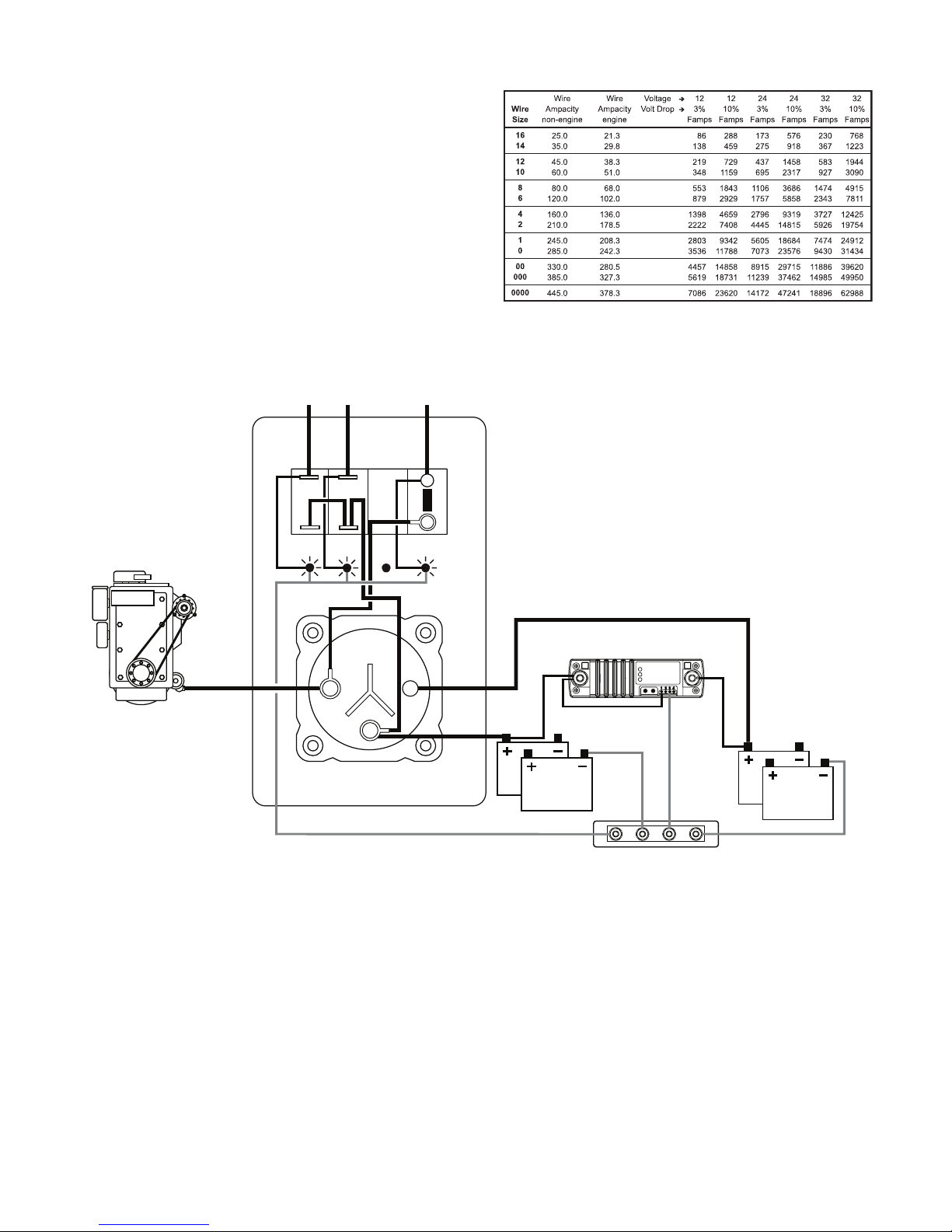
4. Electrical Connections
Battery cable terminals must be attached under battery switch stud
nut and lock washer. The electrical connection illustration is general
in nature and is not meant to be a guide for the wiring of any specific
vessel. There is a wide range of wiring configurations possible.
Consult your marine electrical professional for the wiring system
applicable to your boat.
Make appropriate adjustments to the wiring diagram to suit your
specific installation and equipment. Fusing may be appropriate
in several of the lines depending on the proximity of components,
conductor sheathing, and the conductivity of the surrounding structure.
Consult the Wire Sizing Chart to determine the appropriate wire sizes.
5. Apply Labels and Mount Panel
Apply a label to each of the circuits from the label sheet provided. Use
the panel mounting screws supplied with the panel to secure the panel
to the mounting surface. Additional labels are available from
Blue Sea Systems.
Features
• Power distribution, switching, and circuit protection combined in one panel
• Configurable to suit specific needs of individual boat owners
• Familiar Selector Battery Switch: m-Series (8687) or e-Series (8691)
• Two 15A thermal circuit breakers provide 24-hour circuit protection
• Each circuit contains circuit labels and LED indicator lights that provide circuit
status
• Blank slots to accommodate additional circuit breakers or switches
Panel Specifications
Material: 0.125” 5052-H32 Aluminum Alloy
Primary Finish: Chemical Treatment per Mil Spec C-5541C
Final Panel Finish: Graphite color 2 part textured Polyurethane
Maximum Voltage Rating: 24V DC
House Amperage Rating: 100A Max (on installed circuit)
Switch Amperage Ratings: Continuous: 8687-300A, 8691-350A
Intermittent (5 min.): 8687-500A, 8691-600A
Cranking (100 sec.): 8687-700A, 8691-900A
Inrush (2.5 sec.): 8687,1500A, 8691-1750A
Inches Millimeters
Dimensions: 8687 4.50 x 7.50 114.3 x 190.50
8691 5.25 x 8.00 133.35 x 203.20
Mounting Centers: 8687 3.67 x 6.67 93.22 x 169.42
8691 4.42 x 7.17 112.27 x 182.12
Battery Switch Terminal Studs: 3/8”-16 (accepts M10 terminal)
Torque: 140 in-lbs.
@If the installer is not knowledgeable about electrical systems, consult an
electrical professional.
@If either the panel front or back is to be exposed to water it must be
protected with a waterproof shield.
@The panels must not be installed in explosive environments such as
gasoline engine rooms or battery compartments because the circuit
breakers are not ignition protected.
@The main positive connection must be disconnected at the battery post
to avoid the possibility of a short circuit during the installation of this
distribution panel.
Guarantee
If at any time you are not satisfied with this product, you may return it
for a refund or replacement.
Useful Reference Books
Calder, Nigel, 2005: Boatowner’s Mechanical and Electrical Manual,
3rd edition, Blue Ridge Summit, PA: TAB Books, Inc.
Wing, Charlie, 1993: Boatowner’s Illustrated Handbook of Wiring,
Blue Ridge Summit, PA: TAB Books, Inc.
Applicable Standards
• American Boat and Yacht Council (ABYC) Standards and Recommended
Practices for Small Craft sections: E-1, E-3, E-11.
• United States Coast Guard 33 CFR Sub Part 1, Electrical Systems.
• National Fire Protection Agency (NFPA) 302
Related Products Available from Blue Sea Systems
Toggle World Circuit Breakers, e.g., 7200
Small Case Rockers, e.g., 7300, 7408 (flat), 7433 (slot reset)
Large Case Rockers, e.g., 7450
CLB with Adapter, e.g., 7050/4111
Push Button Switches with Adapter, e.g., 8200
Toggle Switches with Adapter, e.g., 8204
Caution: ABYC Interrupt
In certain circumstances, main DC circuit breakers may have to break
very high amperages. The ability of a circuit breaker to safely break high
amperage is its Ampere Interrupt Capacity (AIC) rating. AIC is a function
of a battery’s Cold Cranking Amperes (AIC) capacity. According to ABYC
E-11 standards, circuit breakers shall have a DC voltage rating of not less
than the nominal system voltage, be capable of an interrupting capacity
according to the values in the table below, and remain operable after the
fault. For example, a boat with a group 24 or 27 battery may have as much
as 650 CCA. The DC main circuit breaker for this circuit must have an AIC
rating of 1500 Amperes.
Blue Sea Systems Battery Management Panels contain thermal (push
button reset) circuit breakers rated at 15A. These circuit breakers are
suitable for 24-hour circuits connected directly to 12V or 24V battery banks
with CCA capacities less than 660A.
Installation of this panel in systems with battery banks of 660A or higher
should include an additional fuse or circuit breaker of appropriate interrupt
capacity in the line between the battery bank and the pushbutton circuit
breakers to comply with ABYC E-11 and NFPA 302.
DC voltage rating CCA of all
connected
batteries
Ampere Interrupt Capacity (AIC)
Main Circuit
Breaker (Amperes)
Branch Circuit
Breaker(Amperes)
12 Volt and 24 Volt 650 or less 1500 750
651-1100 3000 750
over 1100 5000 2500
32 Volts 1250 or less 3000 1500
over 1250 5000 2500
Caution