INSTRUCTIONS FOR USE
HOW TO START THE REFRIGERATOR
Leveling
In the boiler ammonia vapor is distilled from an ammonia-water
mixture and carried to the finned condenser, where it liquifies.
The liquid flows to the evaporator, where it creates cold by,
evaporating into a circulating flow of hydrogen gas. If the
evaporator coil is not level the liquid readily accumulates, form-
ing pockets which can impair the gas circulation or even block it,
in which case, of course, the cooling will stop.
When the recreational vehicle is stationary it must be leveled to
be comfortable to live in. If the refrigerator is properly installed, i e
the freezer shelf parallel to the floor, the refrigerator will then also
perform well.
A bubble level should be placed on the freezer shelf. When the
vehicle is moving, the continuous rolling and pitching movement
will not affect the refrigerator as long as the movement passes
either side of level, but when the RV is temporarily parked this
sensitivity of the refrigerator should be remembered.
So,
once
more, before you start the refrigerator make sure It Is level.
Operation
Before starting the refrigerator check the gas valves in the piping.
Do not forget the valve on the back of the refrigerator.
1.
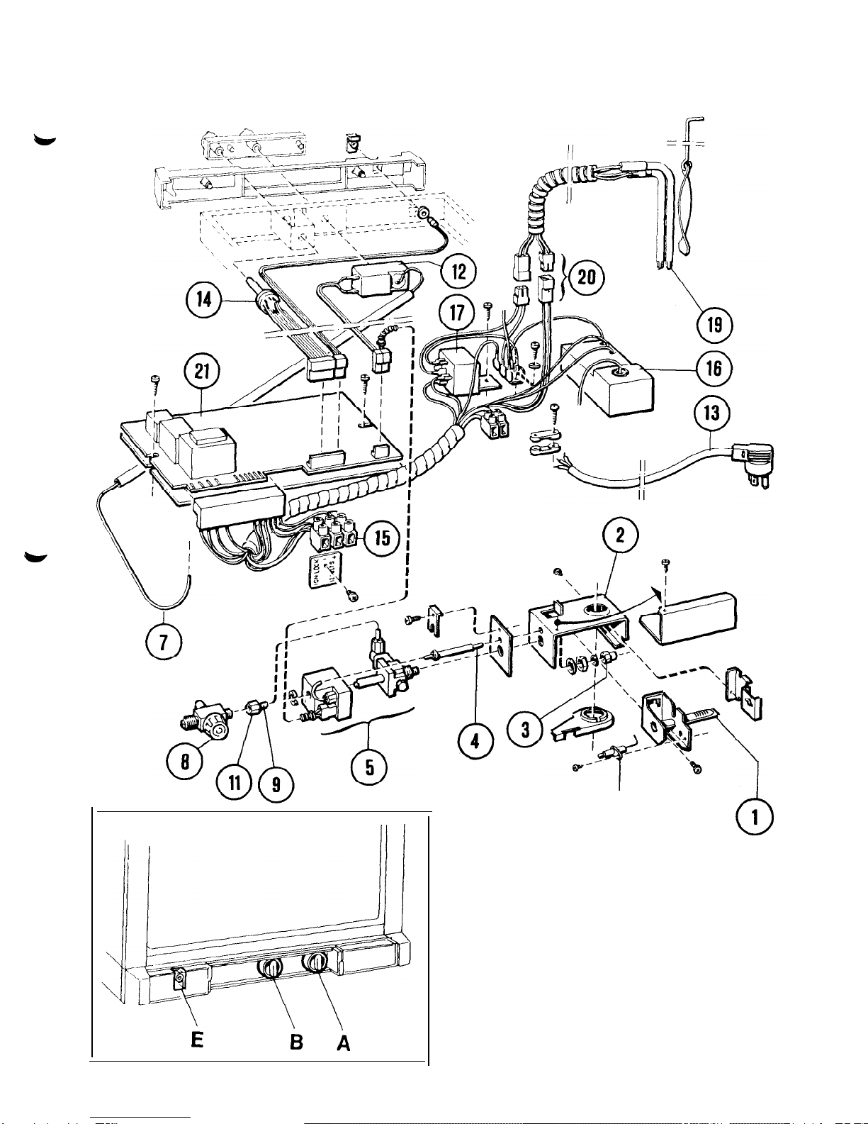
To start the refrigerator turn knob A to position On. Lamp E
shall now be green.
2. Turn the thenostat B to a suitable setting, try 4.
3. The fridge is shut off by turning knob A to position Off.
Information on the operation of
the refrigerator
This refrigerator is equipped with an automatic energy selector
system. The control system selects the most suitable available
energy source. The selection will be made with highest priority to
120 V. Second priority to 12 V from the alternator. lowest priority
has gas operation. No manual operation is necessary for change
of energy. If the fridge does not succeed in lighting the gas the
lamp E will change from continuous green into red flashing light.
Further information is given below under the head line
red flash-
ing light.
If the battery voltage drops, the control system will start
continuous gas operation. The lamp will not be lit. The thermo-
stat will not be in operation. When the voltage increases, normal
operation will start up again.
There is no by-pass flame on these
refrigerators
The control system shuts off the gas when the refrigerator has
correct temperatures. The gas flame will be lit by the control
system when the temperature increases above the preset one.
Delay
for gas start up
In order to avoid a gas-flame at gasoline stations the refrigerator
is programmed to delay gas start up for about
30
min after 12 V
operation. Please observe that this delay occurs even after only
1 minute of 12 V operation from your engine in order to cover
events when you have to wait in line for a gasoline pump. If you
want a quick gas start up after 12 V operation you can switch off
the refrigerator for a few seconds and then switch back to on.
Note: This operation is only avaible when the refrigerator is
connected for three-way use, see p. 4 12 V operation.
Red flashing light
If the lamp E begins to flash with red light the refrigerator control
system has tried to lit the gas flame but it did not succeed in doing
so. We recommend following operations:
1. Turn knob A to position off and back to on again. The lamp
shall now be green and the control system does a new start
attempt. If the refrigerator has not been in operation for a while
or you have just refilled gas this operation may have to be
repeated several times. Each start attempt will last for up to
three minutes. If the starting is not succesful the lamp will turn
red again.
2. If operation
1.
is not succesful, check your gas supply.
3. If you have gas-make sure that all valves in the gas pipe are
opened.
4. If none of these operations are successful to contact a service
center.
Note. The first start is always a problem. To empty the gas pipe
from the gas vessel up to the refrigerator may take several
minutes
-
i e 3-4 operations as to point 1.
above.
Electric operation and selection of electric operation is not
blocked during red flashing light. Gas operation can only start
after ON
-
OFF
-
ON OPERATION
The red flashing light indicates faulty operation. If you will operate
the refrigerator on any electrical source connect and supply the
avaible voltage and make an ON-OFF-ON operation. Please
remain in the OFF position as long as the red light flashes.
HOW TO USE THE REFRIGERATOR
Food Storage Compartment
The food storage compartment is completely closed and unven-
tilated, which is necessary to maintain the required low tempera-
ture for food storage. Consequently foods having a strong
odor
or liable to absorb odors should be covered. Vegetables, salads
etc should be covered to retain their crispness. The coldest posi-
tions in the refrigerator are underneath the cooling evaporator
and at the bottom of the refrigerator, and the least cold positions
are on the upper door shelves. This should be considered when
different types of food are placed in the refrigerator.
Defrosting
Empty the refrigerator leaving the drip tray under the finned
evaporator and the cabinet and freezer
doors
open. If desired,
defrosting may be speeded up by filling the ice tray with hot water
and placing it in the freezer.
When all frost is melted, empty the drip tray and dry the interior of
the refrigerator with a clean cloth.
Replace the drip tray and ice tray, replace all food stuffs and set
the thermostat to MAX for a few hours. Then reset the thermostat
knob to its normal position.
Frozen Food Storage Compartment
The ice trays should be placed in direct contact with the freezer
shelf for fastest ice making. Quick frozen soft fruits and ice cream
should be placed in the coldest part of the compartment which is
at the bottom of the aluminum liner or, in models with a shelf, on
this or just below it. Frozen vegetables, on the other hand, may
be stored in any part of the compartment.
The compartment is not designed for the deep or quick freezing
of foodstuffs. Meat or fish foods, whether raw or prepared, and
provided they are
precooled
in the refrigerator, can however,
also be stored in the frozen food storage compartment. They can
then be stored about three times as long as in the fresh food
storage compartment. To prevent drying out, keep food in
covered
dishes, in plastic, bags or wrapped in aluminum foil.