
Operating instructions
A3G400-AC22-51
Translation of the original operating instructions
DANGER
Electrical charge (>50 µC) between phase conductor and
protective earth connection after switching off supply
with multiple devices connected in parallel.
Electric shock, risk of injury
→ Ensure sufficient protection against accidental contact.
Before working on the electrical hookup, short the supply
and PE connections.
CAUTION
Voltage
The fan is a built-in component and has no disconnecting switch.
→ Only connect the fan to circuits that can be switched off with
an all-pole disconnection switch.
→ When working on the fan, secure the system/machine in
which the fan is installed so as to prevent it from being
switched back on.
NOTE
Water ingress into wires or cables
Water ingress at the customer end of the cable can damage the
device.
→ Make sure the end of the cable is connected in a dry
environment.
Only connect the device to circuits that can be switched off with
an all-pole disconnection switch.
4.2.1 Requirements
;Check whether the information on the nameplate matches the
connection data.
;Before connecting the device, make sure the power supply matches
the device voltage.
;Only use cables designed for the current level indicated on the
nameplate.
For determining the cross-section, note the sizing criteria according
to EN 61800-5-1. The protective earth must have a cross-section
equal to or greater than that of the phase conductor.
We recommend the use of 105 °C cables. Ensure that the minimum
cable cross-section is at least
AWG 26 / 0.13 mm².
Protective earth contact resistance according to EN 61800-5-1
Compliance with the resistance specifications according to EN 61800-5-
1 for the protective earth connection circuit must be verified in the end
application. Depending on the installation situation, it may be necessary
to connect an additional protective earth conductor by way of the extra
protective earth terminal provided on the device. The protective earth
terminal is located on the housing and provided with a protective earth
symbol and a hole.
4.2.2 Reactive currents
Because of the EMC filter integrated for compliance with EMC
limits (interference emission and immunity to interference),
reactive currents can be measured in the supply line even
when the motor is at a standstill and the line voltage is switched
on.
●The values are typically in the range < 250 mA
●At the same time, the effective power in this operating state
(operational readiness) is typically < 4 W.
4.2.3 Residual current circuit breaker (RCCB)
If the use of a residual current device (RCD) is required in your
installation, only pulse-current sensitive and/or AC/DC-
sensitive residual current devices (type A or B) are
permissible. As with variable frequency drives, residual current
devices cannot provide personal safety while operating the
device. When the device power supply is switched on, pulsed
charging currents from the capacitors in the integrated EMC
filter can lead to the instant tripping of residual current devices.
We recommend the use of residual current circuit breakers
(RCCB) with a trip threshold of 300 mA and delayed tripping
(super-resistant, characteristic K).
4.2.4 Basic insulation of the alarm relay
As the alarm relay only has basic insulation (for TN/TT
systems) or functional insulation (for phase-conductor-grounded
networks) with respect to the supply voltage, and not double
insulation like the rest of the interface, corresponding precautions
must be taken for industrial applications (EN 61800-5-1).
→ The voltage switched by the alarm relay (e.g. 24 VDC)
must then have no electrical connection to the 10 V output, 0-
10 V control input and GND (electrically isolated interface).
4.2.5 Locked-rotor protection
Due to the locked-rotor protection, the starting current (LRA) is
equal to or less than the nominal current (FLA).
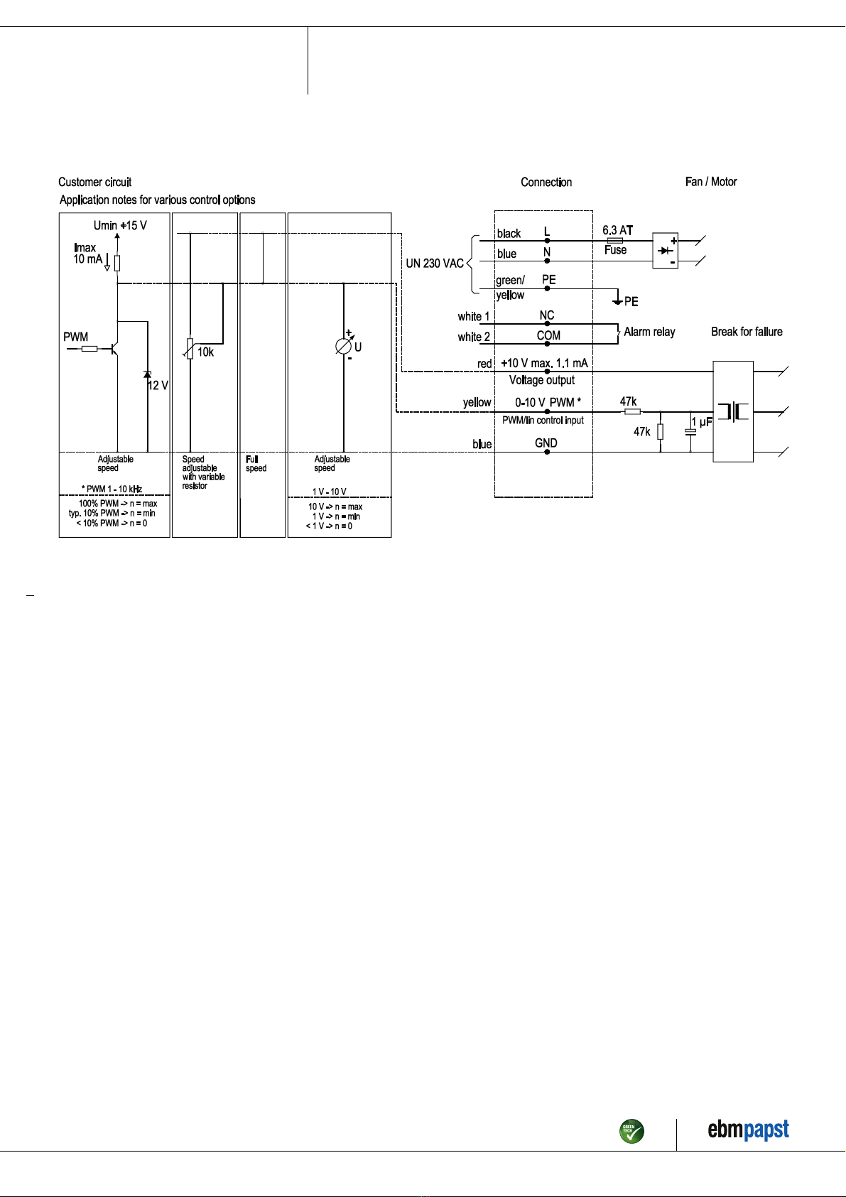
4.3 Connecting the cables
The device has external leads.
;First connect the "PE" (protective earth).
●Connect the cables according to your application. When doing so,
observe Chapter 4.4 Connection diagram.
4.3.1 Cable routing
Water must be prevented from reaching the cable exit along the cable.
NOTE
Damage caused by moisture penetration.
Moisture can penetrate into the terminal box if water is
constantly present at the cable glands.
→ To prevent the constant accumulation of water at the cable
glands, the cable should be routed in a U-shaped loop
wherever possible.
→ If this is not possible, a drip edge can be produced by
fitting a cable tie directly in front of the cable gland for example.
Fans installed lying flat
Item no. 50736-5-9970 · ENU · Change 211129 · Approved 2020-07-14 · Page 7 / 12
ebm-papst
Mulfingen
GmbH
&
Co.
KG
·
Bachmühle
2
·
D-74673
Mulfingen
·
Phone
+49
(0)
7938
81-0
·
Fax
+49
(0)
7938
81-110
·
[email protected] ·
www.ebmpapst.com