
# = Fast-moving Parts 5 02/02
* = Non-Illustrated Parts
FRT18S6A Publication No.
5995365870
A = FRT18S6A (FRT18S6AB1)
B = FRT18S6A (FRT18S6AB3)
C = FRT18S6A (FRT18S6AQ1)
D = FRT18S6A (FRT18S6AQ3)
E = FRT18S6A (FRT18S6AW1)
F = FRT18S6A (FRT18S6AW3)
POS. NO PART NO DESCRIPTION
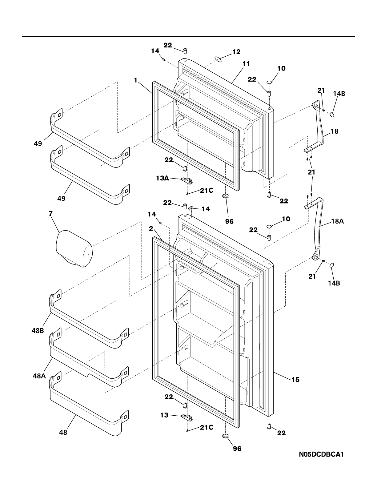
1 240355401 A B C D E F Cover-fan
2 240367001 A B C D E F Knob-damper control
3 5303001028 A B C D E F Nut,push-on
4 240367401 A B C D E F Damper-fan cover
5 # 5308000010 A B C D E F Fan Blade,red ,evaporator fan
8 5300157666 A B C D E F Bushing-motor mtg,(2)
9 5303292396 A B C D E F Bracket-motor mtg,front
10 240462005 A B C D E F Cover-evap coil
10* 240371302 A B C D E F Seal,insulation ,47.77 in. long, foam, coil cover
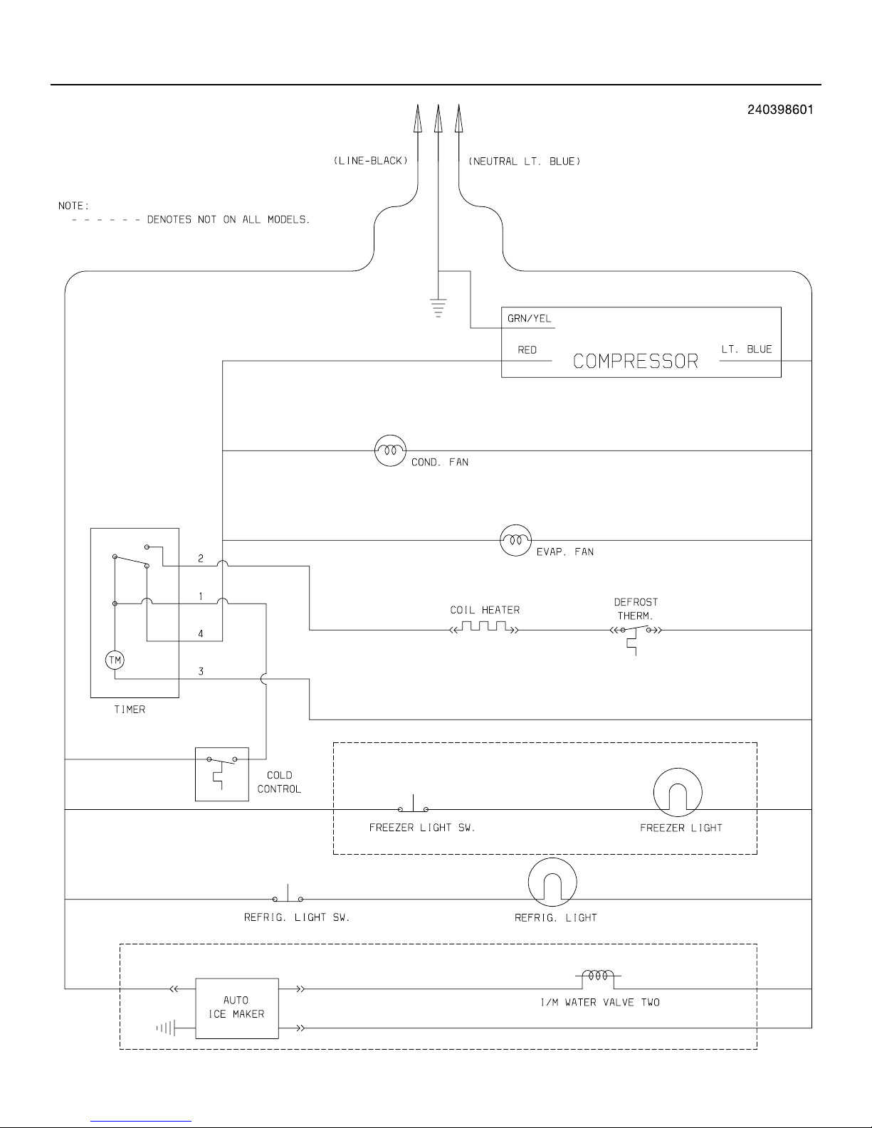
10*# 240385401 A B C D E F Wiring Harness,freezer section
11 5303208309 A B C D E F Plug-hole,factory test
12 240366801 A B C D E F Plug-ice maker harness,rectangular
12A 240374401 A B C D E F Plug-wtr inlet tube,round ,1"
13 # 240369701 A B C D E F Motor-evap fan
13* 218931001 A B C D E F Clamp-motor wiring, nylon, w/adhesive tape
14 5303292397 A B C D E F Bracket-motor mtg,rear
18 240411901 A B C D E F Support-evap cover,(2)
21C 218252200 A B C D E F Screw,#8 truss hd ,10-32CA x 0.500
22 215774918 A B - - - - Plug-button,black ,upr hinge holes
22 215774919 - - C D - - Plug-button,bisque ,upr hinge holes
22 215774901 - - - - E F Plug-button,white ,upr hinge holes
28 240335501 A B C D E F Bolt-roller adj,hex washer head, 1/4-20 x 4.020,(2), special
30 240314003 A B - - - - Bracket-lower hinge,black
30 240314004 - - C D - - Bracket-lower hinge,bisque
30 240314002 - - - - E F Bracket-lower hinge,white
34 240311301 A B C D E F Washer,hinge ,nylon ,(2)
35 240313803 A B - - - - Bracket-ctr hinge,black
35 240313804 - - C D - - Bracket-ctr hinge,bisque
35 240313802 - - - - E F Bracket-ctr hinge,white
35A 240336801 A B C D E F Spacer-hinge,center
36 240516401 A B C D E F Pin-center hinge
37 240337603 A B - - - - Trim-cabinet corner,black
37 240337604 - - C D - - Trim-cabinet corner,bisque ,(2)
37 240337601 - - - - E F Trim-cabinet corner,white ,(2)
38 240313701 A B C D E F Bracket-upper hinge
40 240354404 A B - - - - Cover-upper hinge,black
40 240354403 - - C D - - Cover-upper hinge,bisque
40 240354401 - - - - E F Cover-upper hinge,white
41 5303001609 A B C D E F Grommet,shelf mtg ,0.69" ,RH
41* 5308009759 A B C D E F Grommet,shelf mtg ,1.25" ,LH
42 240315301 A B C D E F Screw-hinge mtg,hex head ,1/4-20 x 0.75
43 240335003 A B C D E F Roller Assy,front ,(2)
56 240516501 A B C D E F Pin-lower hinge
58 5303001343 A B C D E F Screw,hex washer head ,8-15A x 0.500
59 240442703 A B - - - - Screw-#10-32 X 3/4,black
59 240442704 - - C D - - Screw-#10-32 X 3/4,bisque
59 240442702 - - - - E F Screw-#10-32 X 3/4,white
72 240368203 A B - - - - Grille/Kickplate,black
72 240368202 - - C D - - Grille/Kickplate,bisque
72 240368201 - - - - E F Grille/Kickplate,white
81 218843800 A B C D E F Screw,hex wshr hd ,8-15A x 0.500
82 5304418225 A B C D E F Roller,compressor base ,rear ,(2)
83 5303316859 A B C D E F Rivet, flat head, 1/4 OD x 1-3/4, roller pin
89 240326115 A B C D E F Cover-access,with label
89* 241500301 A B C D E F Screw,hex washer head ,8-18AB x 0.500
92 5303001479 A B C D E F Screw-hinge mtg,hex hd ,1/4-20 x 0.875
* 240479601 A B C D E F Plug,button ,cab liner holes
* 5303305345 A B - - - - Paint,touch-up ,black
* 5304414035 - - C D - - Paint,touch-up ,bisque
* 5303305324 - - - - E F Paint,touch-up ,white
CABINET