
# = Fast-moving Parts 5 08/02
* = Non-Illustrated Parts
FRT21B4A Publication No.
5995377503
A = FRT21B4A (FRT21B4AQ4)
B = FRT21B4A (FRT21B4AW4)
POS. NO PART NO DESCRIPTION
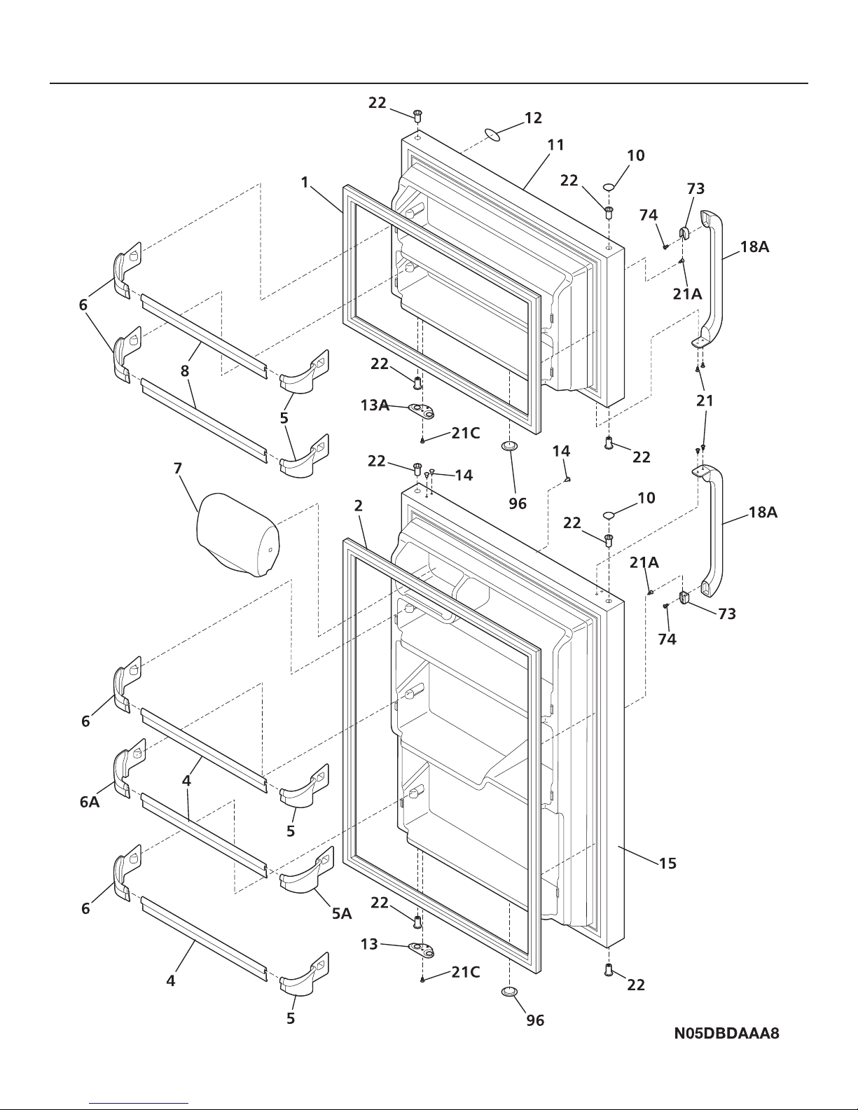
1 240355402 A B Cover-fan
2 240367001 A B Knob-damper control
3 5303001028 A B Nut,push-on
4 240367401 A B Damper-fan cover
5 # 5308000010 A B Fan Blade,red ,evaporator fan
8 5300157666 A B Bushing-motor mtg,(2)
9 5303292396 A B Bracket-motor mtg,front
10 240313606 A B Cover-evap coil
10* 240371303 A B Seal,insulation ,53.23 in. long ,foam ,coil cover
10*# 240524701 A B Wiring Harness,freezer section
11 5303208309 A B Plug-hole,factory test
12 240366801 A B Plug-ice maker harness,rectangular
12A 240374401 A B Plug-wtr inlet tube,round ,1"
13 # 240369701 A B Motor-evap fan
13* 218931001 A B Clamp-motor wiring,nylon ,w/adhesive tape
14 5303292397 A B Bracket-motor mtg,rear
14* 240433201 A B Screw,hex washer head ,8-18 x 0.375
18 240411901 A B Support-evap cover,(2)
21C 218252200 A B Screw,#8 truss hd ,10-32CA x 0.500
22 215774919 A - Plug-button,bisque ,upr hinge holes
22 215774901 - B Plug-button,white ,upr hinge holes
28 240335501 A B Bolt-roller adj,hex washer head ,1/4-20 x 4.020,(2) ,special
30 240314004 A - Bracket-lower hinge,bisque
30 240314002 - B Bracket-lower hinge,white
34 240311301 A B Washer,hinge ,nylon ,(2)
35 240313804 A - Bracket-ctr hinge,bisque
35 240313802 - B Bracket-ctr hinge,white
35A 240336801 A B Spacer-hinge,center
36 240516401 A B Pin-center hinge
37 240337604 A - Trim-cabinet corner,bisque ,(2)
37 240337601 - B Trim-cabinet corner,white ,(2)
38 240313701 A B Bracket-upper hinge
40 240354403 A - Cover-upper hinge,bisque
40 240354401 - B Cover-upper hinge,white
41 5303001609 A B Grommet,shelf mtg ,0.69" ,RH
41* 5308009759 A B Grommet,shelf mtg ,1.25" ,LH
42 240315301 A B Screw-hinge mtg,hex head ,1/4-20 x 0.75
43 240335003 A B Roller Assy,front ,(2)
56 240516501 A B Pin-lower hinge
58 5303001343 A B Screw,hex washer head ,8-15A x 0.500
59 240442704 A - Screw-#10-32 X 3/4,bisque
59 240442702 - B Screw-#10-32 X 3/4,white
72 240368202 A - Grille/Kickplate,bisque
72 240368201 - B Grille/Kickplate,white
81 5308016566 A B Screw,hex washer head ,8-15A x 0.625 ,low profile
82 5304418225 A B Roller,compressor base ,rear ,(2)
83 5303316859 A B Rivet,flat head ,1/4 OD x 1-3/4 ,roller pin
89 240326115 A B Cover-access,with label
89* 241500301 A B Screw,hex washer head ,8-18AB x 0.500
92 5303001479 A B Screw-hinge mtg,hex hd ,1/4-20 x 0.875
* 218990901 A B Clip-wire
* 240479601 A B Plug,button ,cab liner holes
* 5304414035 A - Paint,touch-up ,bisque
* 5303305324 - B Paint,touch-up ,white
CABINET