
# = Fast-moving Parts 5 01/02
* = Non-Illustrated Parts
FRT21P5A Publication No.
5995364006
A = FRT21P5A (FRT21P5AB3)
B = FRT21P5A (FRT21P5AQ3)
C = FRT21P5A (FRT21P5AW3)
POS. NO PART NO DESCRIPTION
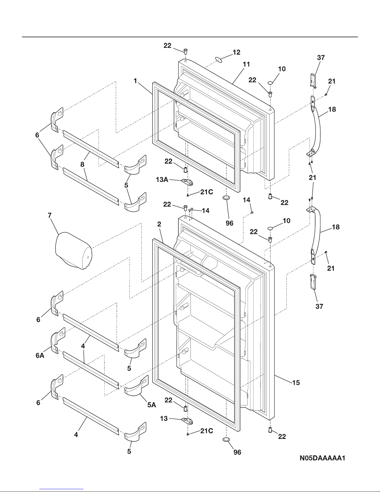
1 240355402 A B C Cover-fan
* 240433201 A B C Screw,hex washer head ,8-18 x 0.375
2 240367001 A B C Knob-damper control
3 5303001028 A B C Nut,push-on
4 240367401 A B C Damper-fan cover
5 # 5308000010 A B C Fan Blade,red ,evaporator fan
8 5300157666 A B C Bushing-motor mtg,(2)
9 5303292396 A B C Bracket-motor mtg,front
10 240313606 A B C Cover-evap coil
10* 240371303 A B C Seal,insulation ,53.23 in. long ,foam ,coil cover
10*# 240385402 A B C Wiring Harness,freezer section
11 5303208309 A B C Plug-hole,factory test
12 240366801 A B C Plug-ice maker harness,rectangular
12A 240374401 A B C Plug-wtr inlet tube,round ,1"
13 # 240369701 A B C Motor-evap fan
13* 218931001 A B C Clamp-motor wiring,nylon ,w/adhesive tape
14 5303292397 A B C Bracket-motor mtg,rear
18 240411901 A B C Support-evap cover,(2)
21C 218252200 A B C Screw,#8 truss hd ,10-32CA x 0.500
22 215774918 A - - Plug-button,black ,upr hinge holes
22 215774919 - B - Plug-button,bisque ,upr hinge holes
22 215774901 - - C Plug-button,white ,upr hinge holes
28 240335501 A B C Bolt-roller adj,hex washer head ,1/4-20 x 4.020,(2) ,special
30 240314003 A - - Bracket-lower hinge,black
30 240314004 - B - Bracket-lower hinge,bisque
30 240314002 - - C Bracket-lower hinge,white
34 240311301 A B C Washer,hinge ,nylon ,(2)
35 240313803 A - - Bracket-ctr hinge,black
35 240313804 - B - Bracket-ctr hinge,bisque
35 240313802 - - C Bracket-ctr hinge,white
35A 240336801 A B C Spacer-hinge,center
36 240516401 A B C Pin-center hinge
37 240337603 A - - Trim-cabinet corner,black
37 240337604 - B - Trim-cabinet corner,bisque ,(2)
37 240337601 - - C Trim-cabinet corner,white ,(2)
38 240313701 A B C Bracket-upper hinge
40 240354404 A - - Cover-upper hinge,black
40 240354403 - B - Cover-upper hinge,bisque
40 240354401 - - C Cover-upper hinge,white
41 5303001609 A B C Grommet,shelf mtg ,0.69" ,RH
41* 5308009759 A B C Grommet,shelf mtg ,1.25" ,LH
42 240315301 A B C Screw-hinge mtg,hex head ,1/4-20 x 0.75
43 240335003 A B C Roller Assy,front ,(2)
47 218233300 A B C Channel-shelf mtg,side ,(2)
48 5303292395 A B C Channel-shelf mtg,center
49 218362500 A B C Screw,hex washer head ,8-18AB x 1.250
56 240516501 A B C Pin-lower hinge
58 5303274237 A B C Screw,hex washer head ,8-32CA x 0.500 ,Motor bracket
58 5303001343 A B C Screw,hex washer head ,8-15A x 0.500
59 240442703 A - - Screw-#10-32 X 3/4,black
59 240442704 - B - Screw-#10-32 X 3/4,bisque
59 240442702 - - C Screw-#10-32 X 3/4,white
72 240368203 A - - Grille/Kickplate,black
72 240368202 - B - Grille/Kickplate,bisque
72 240368201 - - C Grille/Kickplate,white
81 218843800 A B C Screw,hex wshr hd ,8-15A x 0.500
82 5304418225 A B C Roller,compressor base ,rear ,(2)
83 5303316859 A B C Rivet,flat head ,1/4 OD x 1-3/4 ,roller pin
89 240326115 A B C Cover-access,with label
89* 241500301 A B C Screw,hex washer head ,8-18AB x 0.500
92 5303001479 A B C Screw-hinge mtg,hex hd ,1/4-20 x 0.875
* 240479601 A B C Plug,button ,cab liner holes
* 5303305345 A - - Paint,touch-up ,black
* 5304414035 - B - Paint,touch-up ,bisque
* 5303305324 - - C Paint,touch-up ,white
CABINET