
1.1 LP1501 controller with paired interface for one physical barrier
The LP1501 intelligent controller provides decision making, event reporting, and database storage for the
HIDMercury hardware platform. Two reader interfaces configured as paired, or alternate readers provide
control for one physical barrier.
Host communication is via the on-board 10-BaseT/100Base-TX Ethernet port.
For UL compliance, the Power Sourcing Equipment (PSE) such as a PoE or PoE+ enabled network switch
and/or PoE or PoE+ power injectors must be UL Listed under UL294B.
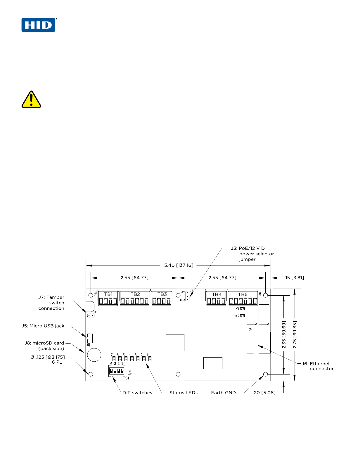
Reader port 1 (TB2) can accommodate a reader that uses TTL (D1/D0, Clock/Data), F/2F, or 2-wire RS-485
device signaling (for example an OSDP reader). Reader port 1 also provides tri-state LED control and buzzer
control (one wire LED mode only). This port can also use multiple 2-wire RS-485 multi-dropped devices, such
as up to two OSDP readers, or up to eight remote serial I/O devices.
Reader port 2 (TB3 and TB4) can accommodate a reader that uses TTL (D1/D0, Clock/Data), or F/2F
signaling. Reader port 2 also provides tri-state LED control, and buzzer control (one wire LED mode only).
Two Form-C contact relay outputs can be used for door strike control or alarm signaling. The relay contacts
are rated at 2 A @ 30VDC, dry contact configuration. Two inputs are provided that can be used for
monitoring the door contact, exit push button, or alarm contact. Input circuits can be configured as
unsupervised or supervised.
The LP1501 requires Power over Ethernet (PoE or PoE+) or 12VDC for power. The LP1501 can be mounted in
a 3-gang switch box; a mounting plate is supplied with the unit, or the LP1501 can be mounted in an
enclosure; the supplied mounting plate has mounting holes that match the MR50 mounting footprint.
1.2 LP1501 hardware
PLT-05243, A.1 4 June 2021
Powering
Trusted Identities HIDMercury™ LP1501 Controller
Installation and Specifications