DTR-7.6
SPECIFICATIONS
Amplifier Section
Video Section
Tuner Section
FM
AM
General
Video Inputs
Video Outputs
Audio Inputs
Audio Outputs
Specifications and features are subject to change without
notice.
Power Output
2 channels driven:
105W+105W(8 , 20 Hz~20 kHz,FTC)
140 W + 140 W (6 , 1 kHz, DIN)
170 W + 170 W (6 , 1 kHz, JEITA)
Dynamic Power 240 W + 240 W (3 , Front)
180 W + 180 W (4 , Front)
125 W + 125 W (8 , Front)
THD (Total Harmonic
Distortion) 0.08% (Power Rated)
Damping Factor 60 (Front, 1 kHz, 8 )
Input Sensitivity and
Impedance 200 mV/ 47 k (LINE)
2.5 mV/47 k (PHONO MM)
Output Level and
Impedance 200 mV/ 470 (REC OUT)
Phono Overload 70 mV (MM 1 kHz, 0.5%)
Frequency Response 5 Hz~100 kHz/ +1 dB-3 dB (LINE)
Tone Control ±10 dB, 50 Hz (BASS)
±10 dB, 20 kHz (TREBLE)
Signal to Noise Ratio 106 dB (LINE, IHF-A)
80 dB (PHONO, IHF-A)
Speaker Impedance 4 ~ or 6 ~
Input Sensitivity/Output
Level and Impedance 1Vp-p /75 (Component and S-VideoY)
0.7 Vp-p /75 (Component Pb/Cb,Pr/Cr)
0.28 Vp-p /75 (S-Video C)
1 Vp-p /75 (Composite)
Component Video
Frequency Response 5 Hz ~ 100 MHz
Tuning Frequency Range
North American: 87.5 MHz~107.9 MHz
Australian: 87.5 MHz~ 108.0 MHz
Usable Sensitivity Stereo: 22.2 dBf (75 IHF)
Mono: 15.2 dBf (75 IHF)
Signal to Noise Ratio Stereo: 67 dB (IHF-A)
Mono: 73 dB (IHF-A)
THD Stereo: 0.5% (1 kHz)
Mono:0.3% (1 kHz)
Frequency Response 30 Hz~15 kHz / ±1 dB
Stereo Separation 40 dB (1 kHz)
Tuning Frequency Range
North American: 530 kHz~1710 kHz
Australian: 522/530 kHz~1611/1710 kHz
Usable Sensitivity 300 µV/m
Signal to Noise Ratio 40 dB
THD 0.70%
Power Supply North American: AC 120V, 60 Hz
Australian: AC 230-240 V, 50 Hz
Power Consumption North American: 7.5 A
Australian: 680 W
Standby Power
Consumption North American: 0.1 W
Australian: 0.5 W
Dimensions
(W ×H ×D)
435 ×173.5 ×428.5 mm
17-1/8"
×
6-13/16"
×
16-7/8"
Weight North American: 13.1 kg
28.9 lbs.
Australian: 13.3 kg
29.3 lbs.
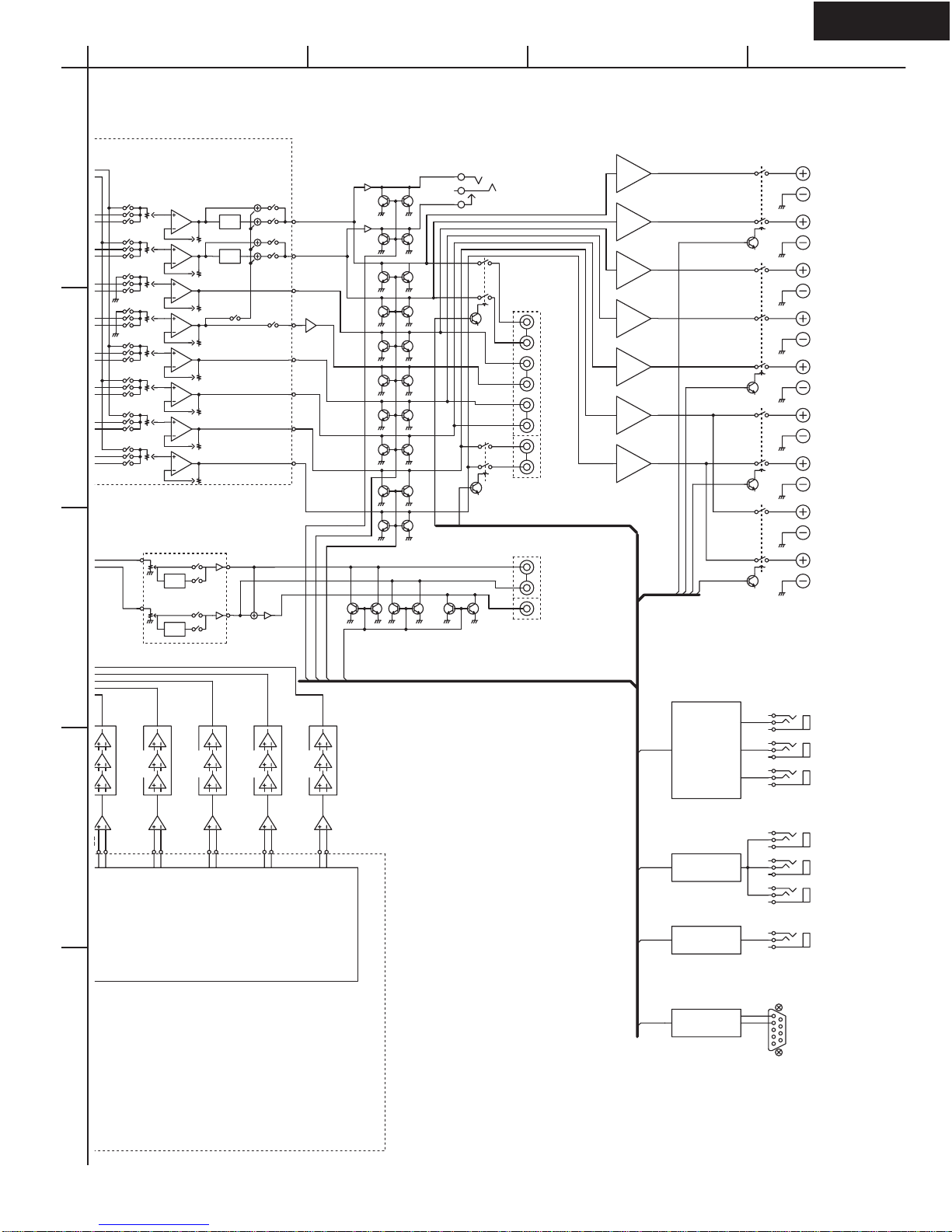
HDMI IN1, IN2
Component IN1, IN2, IN3
S-Video DVD, VIDEO1, VIDEO2, VIDEO3,
VIDEO4
Composite DVD, VIDEO1, VIDEO2, VIDEO3,
VIDEO4
HDMI OUT
Component OUT
S-Video MONITOR OUT, VIDEO1, VIDEO2
Composite MONITOR OUT, VIDEO1, VIDEO2
Digital Inputs Optical: 5 (1 on Front Panel)
Coaxial: 2
Analog Inputs DVD (MULTICHANNEL),VIDEO1,
VIDEO2,VIDEO3,VIDEO4,TAPE, CD,
PHONO
Multichannel Input 7.1 ch (DVD)
Digital Output Optical: 1
Analog Outputs TAPE, VIDEO1, VIDEO2, ZONE2
L/R/SUBWOOFER
Multichannel Pre
Outputs 7.1 ch
Speaker Outputs L, R, C, SL, SR, SBL, SBR
ZONE2 (L, R)
Phones 1
RS232 1
IR Input/Output 2/1
12 V Trigger Out A, B, C