Contents
Preface ................................................................................................................................................. 3
Validity of this manual....................................................................................................................... 3
Contents................................................................................................................................................ 4
General Notes....................................................................................................................................... 6
Explanation of symbols........................................................................................................................ 6
Safety instructions ............................................................................................................................... 6
How it operates..................................................................................................................................... 7
Overview of functions........................................................................................................................... 8
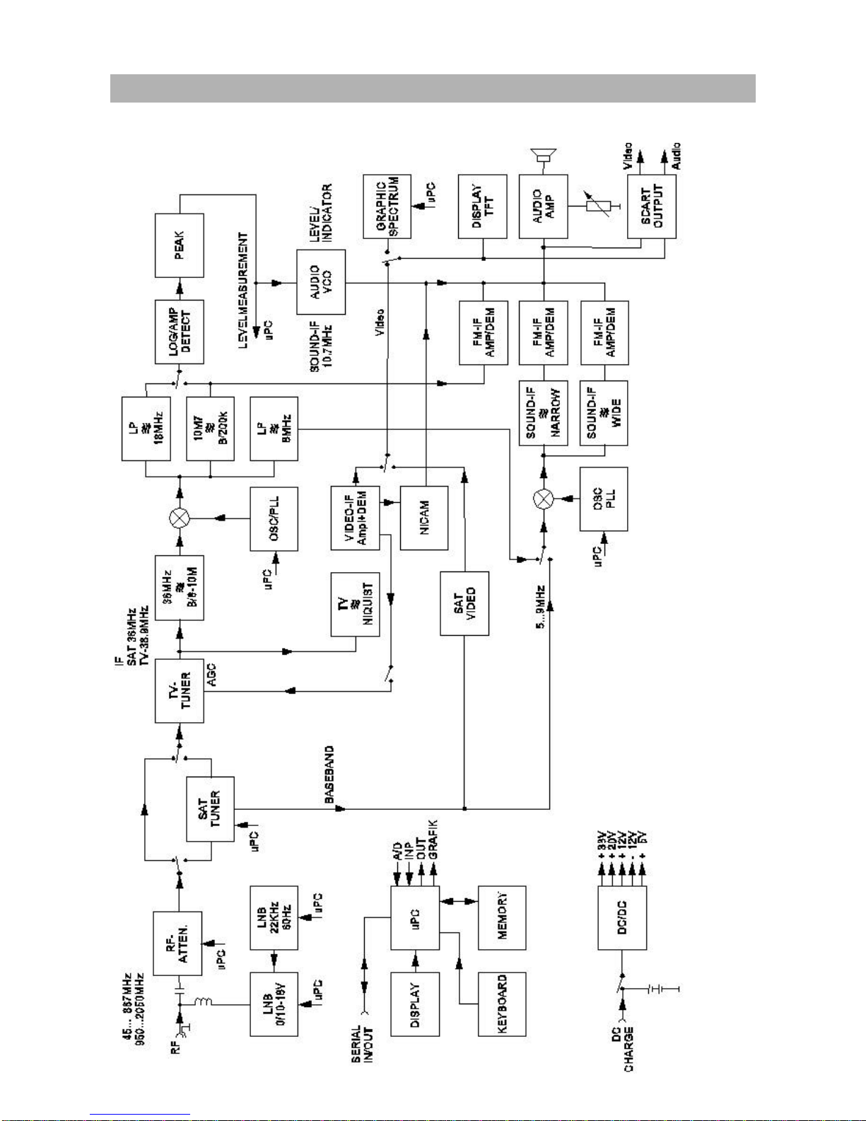
Block diagram of MSK 24...................................................................................................................... 9
Technical Data.....................................................................................................................................10
Operating and display elements..........................................................................................................12
Display elements................................................................................................................................12
LC display ......................................................................................................................................12
TFT colour screen...........................................................................................................................12
Connections (right side) ......................................................................................................................12
Overview of the keyboard commands..................................................................................................13
Connections.........................................................................................................................................14
RF input socket ..................................................................................................................................14
External DC voltage supply .................................................................................................................14
Scart output........................................................................................................................................14
Starting up...........................................................................................................................................15
Switching on the receiver ....................................................................................................................15
Switching off the receiver ....................................................................................................................15
Setup menu........................................................................................................................................16
Factory settings ..............................................................................................................................16
Settings in the setup menu...............................................................................................................16
Calling up the setup menu............................................................................................................16
Mains and battery operation ................................................................................................................17
Mains operation..............................................................................................................................17
Battery operation.............................................................................................................................17
Sat measurement.................................................................................................................................18
Standard Switch-Over.........................................................................................................................18
Frequency Display and Entering Frequency .........................................................................................19
Overview of commands in Entering Frequency (SAT) ........................................................................19
Level Measurement ............................................................................................................................20
Level Overflow and Underflow..........................................................................................................20
Tracking Satellites ..............................................................................................................................21
Tracking for Single Frequencies ..........................................................................................................22
Audio Carrier Frequency.....................................................................................................................23
LNB Voltage and 22 kHz / 60 Hz Switch-Over.......................................................................................24
DiSEqC (Digital Satellite Equipment Control)........................................................................................26
Overview of commands in Framing Byte...........................................................................................27
Overview of commands in Address Byte...........................................................................................28
Overview of commands in Command Byte........................................................................................29
Overview of commands in Data Byte................................................................................................31
Simple Tone Burst DiSEqC.................................................................................................................31
V-SEC (Vario-Satellite Equipment Control)...........................................................................................33
TV measurement..................................................................................................................................34
Standard Switch-Over.........................................................................................................................34
Channel Display and Entering Channel................................................................................................35
Frequency Display and Entering Frequency .........................................................................................36
Level Measurement (TV).....................................................................................................................37
Level Overflow and Underflow..........................................................................................................37
Tracking for Single Frequencies ..........................................................................................................38
Audio Carrier Distance and Level.........................................................................................................39
Measuring the Audio Carrier Distance and Level of Nicam Audio Carriers:..........................................40
NICAM – Measuring Audio Bit Error Rates........................................................................................40
Calling up Measuring Audio Bit Error Rates: .....................................................................................40