Mircom EP-825 Manuale utente

EP-825EP-825
EP-825EP-825
EP-825
AM-FM DIGITAL RADIO INTERCOM
INSTALLATION
AND
OPERATING
INSTRUCTIONS
LT-391A

INTRODUCTION
The Mircom EP-825 residential radio intercom provides voice communication plus radio reception at
every station. A monitoring capability permits listening-in to any location Room stations may be turned
off for full privacy. A built-in electronic chime permits door call to be heard in every room. The door
station allows hands-free communication.
INSTALLATION
HOUSING
Locate master and remote intercom housing at convenient locations. Do not locate the Master station
in an area of extreme cold or direct heat. Do not locate two stations back to back in the same partition
as this will result in squealing from feedback. Stations should be separated by at least three studs, 1.1
meters (45 inches) and if possible locate stations in separate partitions The master station requires
8.75cm (3.5 inches) of depth behind the wall surface and protrudes 4.5 cm (1.75 inches) in the front.
Leave at least 10 cm (4 inches) wall space at the top of the Master housing.

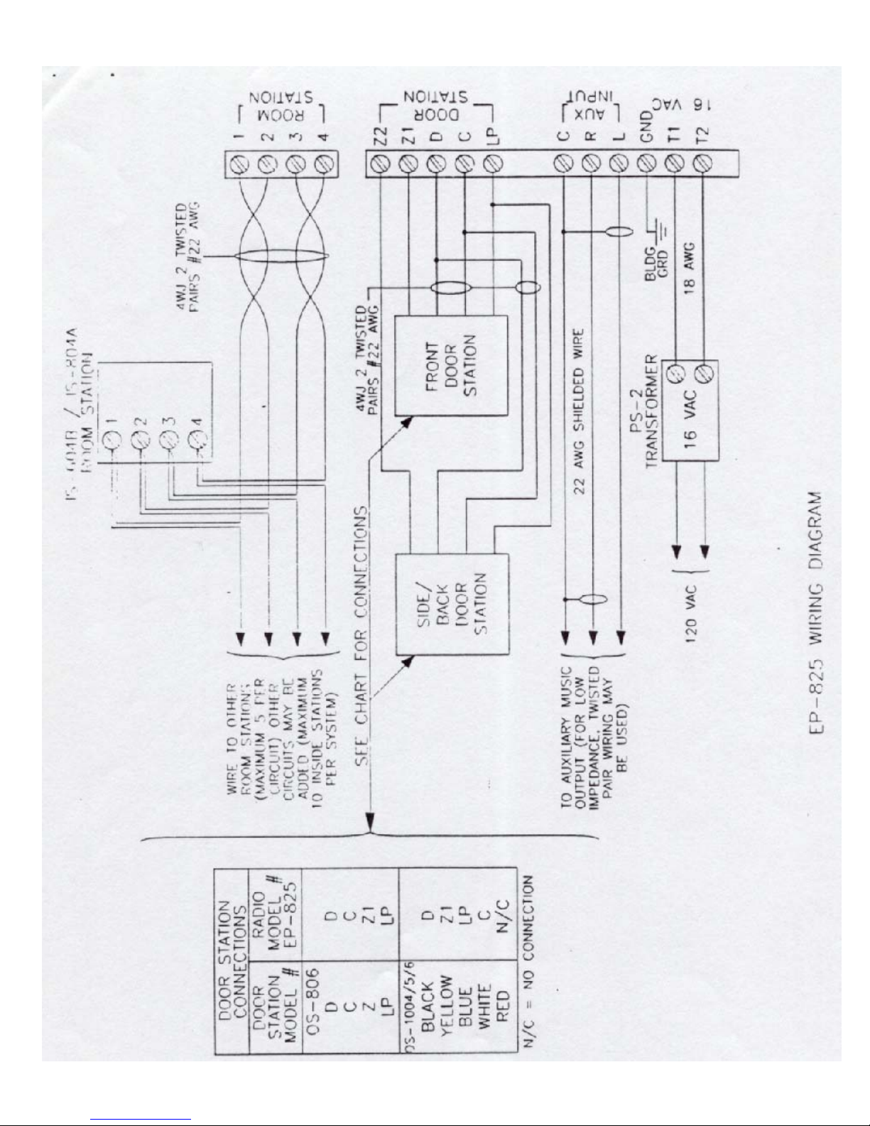
WIRING
Wire the remote stations to the Master station as shown on the general tiring diagram on the following
page and as explained in the following notes:
1. EP-825 Series Wiring
(a) Use 4WJ (2 Twisted Pair #22 AWG) for all remote station wiring.
(b) The maximum number of remote stations is 10, including the master.
(c) The maximum number of remote stations per cable is 5.
(d) MAXIMUM CABLE LENGTH CHART
Stations Per Cable Maximum Length
1 600 ft (180m)
2 300 ft (90m)
5 150 ft (50m)
2. Run cables into the back of the Master housing and leave approximately 25cm (10 inches) of cable
for connections to the Master Station. Cable must be installed away from the power wiring, transformers,
fluorescent lights and other electrical fixtures. Cables must be protected from damage by nails, staples,
plaster, etc.
3. The transformer must be located near a source of 120 VAC: the house fuse box is a good location.
Use 3 conductor #18 wires from the transformer to the Master station. Use #16 wire if the transformer
is found more than 15 meters (50 ft) from the Master Station. Do not install the transformer closer than
1 meter (3 ft) from the Master station. Install a ground wire from the house fuse box to terminal G of
the EP-825 Master Station’s terminal board Observe local electrical codes when installing the
transformer.
4. The Master station includes a built-in antenna for AM reception. To improve AM and or FM
reception either, run two seperate wires (#22 gauge insulated) from the Master station location to the
attic or other suitable antenna location, or connect the master station to the cable TV system using the
terminals provided at the back of the master station.
5. Phone/Auxiliary Input - run two wires (#22 gauge shielded) from the music source to the Master
station. If the music source has a low impedance output, a #22 gauge twisted pair cable may be used.
IMPORTANT:
1. To improve AM reception and eliminate electrical noise, run the building ground wire to terminal
“G” on the EP-825. Make sure the wire is grounded to the building.
2. Mircom cannot guarantee the proper operation of its EP-825 intercom functions if anything but
two twisted pair wires ( Mircom # 4WJ) are used Non twisted pair wire may cause excessive squealing
and feedback.



SYSTEM HOOK-UP
Mount the terminal board to the bottom left-hand corner of the backbox housing using the two #8
self-tapping screws provided.
Connect the wires to the terminal block as shown in the wiring diagram on the previous page. Before
powering up, ensure that all lines are free of shorts. If phone/auxiliary inputs are used, connect the
music input wires to terminal L, R and C of the terminal board. Terminal C is the common terminal.
Fasten the master station support hinge to the housing as shown in the diagram below. If an external
antenna wire is to be used, connect it with the wire which is attached to the FM ant terminal on the
radio module. Once all field wiring is completed, plug the connectors from the Master station into P1
and P2 on the terminal board.

OPERATING INSTRUCTIONS FOR EP-825 RADIO INTERCOM
MASTER STATION
Adjust STATION VOLUME fully clockwise. To CALL an inside station, press the INSIDE
button and talk into the master speaker at a normal voice level. The call will be heard at all inside
stations that are turned on and not being monitored.
To ANSWER from a remote station, press the INSIDE button and speak at a normal voice level. The
reply will be heard at all remote stations and the master if they are turned on. To ANSWER the door
station, hold down the OUTSIDE button and speak at a normal voice level.
Note: The intercom level can be increased or decreased by adjusting SVR02 on the Amplifier Board.
To ANSWER the door station, hold down the OUTSIDE button and speak into the Master station at
a normal voice level. Release the Outside button to hear the reply. The reply is automatic and does not
require the operation of any controls. When answering the door the radio is automatically silenced, but
will resume its operation approximately 10 seconds after releasing the OUTSIDE button.
REMOTE STATIONS
Turn VOLUME control fully clockwise. To CALL, press the INSlDE button and talk into the speaker
at a normal voice level. The call will be heard at all remote stations and the Master if they are turned on.
To ANSWER from a remote station, press the INSIDE button and speak at a normal voice level. The
reply will be heard at all remote stations and the master if they are turned on. To ANSWER the door
station, hold down the OUTSIDE button and speak at a normal voice level. To LISTEN, press the
MONITOR button on the remote station or Master. Sounds originating from the room in which the
station is located will be heard at all remote stations that are turned on, or at the Master if the STATION
VOLUME is turned on. To release the MONITOR button, push the INSIDE button momentarily.
DOOR STATION
To CALL, push the button located on door station. Depending on the connection either a single or a
three note chime will be heard at all stations that are turned on. (3 notes if connected to Z2, one note if
connected to Z1) The chime level can also be increased or decreased by adjusting SVR03 on the
Master Station Amplifier P.C Board.
RADIO OPERATION
Master
By pressing AM/FM button the AM1, AM2, FM1, FM2 or FM3 presets can be selected.

When AUX is pressed CD will appear on the display.
To turn Radio on, turn radio volume until a click is heard. Tune in desired radio station, adjust station
volume control fully on, now adjust radio volume control for a suitable listening volume control.
Station volume control may now be adjusted to a background music level if desired.
SET TIME
To set the time hold down Freq/Time to display the hour and minute. Each time the “H” push button
is depressed (or held down) the hour will be advanced. Once the desired hour is displayed, release the
“H” button. To set minutes depress the minute push button “M” and release the push button once the
correct minutes are displayed. The time remains displayed. To view the radio station, push the Freq/
Time.
PRE-SELECTED STATIONS
To pre-select up to 30 stations (12 for AM and 18 for FM), tune to the desired station, then depress one
of the push buttons numbered 1 to 6. Hold this button down for approximately 4 seconds. That station
will now be set for that pre select button.
SCAN
Depressing the “SCAN” push button will sequentially display all the radio stations one at a time
(every 5 seconds), depressing the “SCAN” push button a second time will leave the radio at the last
station displayed.
SEEK
Depressing the “SEEK” push-button will automatically tune in the next available strong radio station.
NOTE: On the display AM1 will show MW1 and AM2 will display MW2.
REMOTE STATIONS
Adjust volume as desired. The volume should be turned fully on when using the intercom, but may be
set to a low level for music listening. The radio program will be automatically silenced whenever the
intercom is being used. Therefore if the radio will not function, look for a remote station that may have
its MONITOR button depressed. The automatic door reply will return after approximately 10 seconds.
PRIVACY
If the VOLUME control on a remote station or the STATION VOLUME control on the Master is
turned off, that station will not heart intercom calls or radio programming.

TROUBLESHOOTING THE SYSTEM
1. Entire System Dead:
Check: (a) 16 VAC at Transformer
(b) Connections at Master Station - Terminals T1 and T2
(c) Wiring from transformer to Master
(d) 116 VAC at transformer primary
2. No Sound from Master:
Check: (a) STATION VOLUME control turned off
(b) MONITOR button depressed
3. No Sound from Remote Station:
Check: (a) VOLUME control turned off
(b) Station MONITOR button depressed
(c) Wiring to Remote station Terminals 3 and 4
(d) Wiring to Master terminals 3 and 4
4. Intercom Volume too Low:
Check: (a) Volume control on remote station is set too low
(b) Master Intercom Level Control (found on the circuit board of the Master)
is set too low
5. Squealing or Howling on Intercom:
Check: (a) Master Intercom Level Control (found on the Circuit board of the Master)
is set too high
(b) Stations installed too close together or on a common wall
(c) Twisted pair wiring not used.
6. Remote Stations Unable To Talk:
Check: (a) VOLUME control turned off
(b) Wiring to Remote Station terminals 1 and 2
(c) Wiring to Master Station terminals 1 and 2
7. Unable to Talk to Door Station:
Check: (a) Connections to Door Stations terminals
(b) Wiring to Master Station terminals
(c) Remote station VOLUME controls are set too low
8. Unable to Listen to Door Station:
Check: (a) Wiring to terminals 1 and 2 shorted to terminal 4 or ground
(b) Call tone wiring shorted to terminal 4 or ground
(c) Remote station VOLUME controls or Master STATION VOLUME control
is set loo low

9. Unable to Monitor Remote Station:
Check: (a) Remote station VOLUME control is set too low
10. No Chime at Any Speaker:
Check: (a) Connections at Door Station Button
(b) Wiring to Master terminals C and Z1
11. FM Radio not Working:
Check: (a) RADIO VOLUME control is set too low
(b) FM Antenna wire connections
(c) Remote Station or Master with MONITOR Button depressed
(d) Wiring to terminals 1 and 2
12. AM Radio not Working:
Check: (a) RADIO VOLUME control is set too low
(b) Wiring to terminals 1 and 2
13. Distorted Sound at all Stations:
Check: (a) RADIO VOLUME control is set too high
(b) Too many Remote Stations connected and turned on at the same time
14. Hum or Buzz:
Check: (a) Station wiring is installed too close to power wiring or electrical devices
If these check points fail to indicate the problem, there may be an equipment fault Check with your
dealer or with a qualified service company for Assistance.
Indice

















