Seeed MR24HPB1 Manuale utente


MR24HPB1
2
Features
•Static body detection
•Vital signs detection
•24GHz Neardistancesensor(NDS)
•Based on Doppler radar technology, can realize personnel perception
function in the radar scanning area.
•Realize the synchronous perception function of moving personnel and
stationary personnel.
•Motion perception maximum distance:≤12 meters
•Micromotion indicates the maximum distance:≤5 meters
•Body perceives maximum distance:≤3 meters
•Antennabeamwidth:MR24HPB1:Horizontic90°/Vertical60°fan-beampattern
•Scene recognition capability to identify occupied/unoccupied and
human activity and output body movement.
•Independence from temperature, humidity, noise, air currents, dust,
light, etc., suitable for harsh environments.
•Low output power and no harm to the human body from prolonged
exposure.
•Unoccupied to occupied detection time: within 0.5 seconds.
•Manned to unmanned detection time: over 1 minute.
Description
The MR24HPB1 is a highly accurate narrow beam fall detection radar sensor of
90/60 degree sector, and it is more suitable within a 6-meter range.
(High measurement accuracy, recommended for use at a distance of 6
meters)

MR24HPB1
3
Application
Human presence applications
•Healthcare
•Intelligent household appliances (TV, Yuba, security, etc.)
•Office energy saving (air conditioning, lighting)
•Sleep monitoring (sleep curve)
•Home security
•Automatic doors, elevators, etc
Package
Volume: ≤ 35MM x 30MM x 5MM
Interface: PITCH 2.0MM interface, double row of pins
CONTENTS
1. Overview 5
2. Electrical characteristics and parameters 6
2.1. Angle and Distance Detection 52.2. Electrical Properties
62.3. RF Performance 63. Module Dimensions and Pinouts
8
3.1. Module size Package 73.2. Pin Descriptions
83.3. Using the Wiring Diagram 94. Main Performance
94.1 Operating Range of Radar Module 94.2. Main Functions and

MR24HPB1
4
Performance 105. Works and Patterns
115.1. Installation Method 115.2 Working Mode
146. Typical Application Modes156.1. Smart Home Appliance
Application 156.2. Home Application
166.3. Bedroom Application 166.4. Energy Saving Application
177. Notes 177.1. Start-up Time
177.2. Effective Detection Distance 187.3.
Radar Bio-detection Performance 187.4.
Power 188. FAQ
18
1. Overview
The MR24FDB1 radar module uses millimeter-wave radar technology to detect humans'
motion and biological features. Based on enhanced Doppler radar signal processing
technology, this module provides wireless detection and reports the presence and fall
status of personnel in real-time through synchronized scanning technology based on
Doppler parameters of movement and physiological parameters of the personnel.
This is a two-array element antenna module. This wide beam radar module is primarily
suitable for top mounting to achieve detection over a wide area. If the radar is mounted
horizontally or inclinedly, it is necessary to consider the occlusion of the actual scene in
order to attain a greater detection range.
This radar module has the following characteristics:
1. Achieve synchronized detection function between moving and static personnel
(sitting still and sleeping);
2. The sensor can detect static personnel and provide real-time information.
3. It can quickly report how far or near a target is.
4. Real-time monitoring of motion amplitudes with numerical output.
5. Detecting only biological objects (moving or stationary) and eliminating the
interference of other inanimate objects in the environment;

MR24HPB1
5
6. This module has the ability to eliminate the interference caused by nonliving
objects as well as to detect nonliving moving objects;
7. It is suitable for secondary development and can be customized;
8. Providing a universal interface for UART communication
9. Four I/O groups are reserved for user-defined applications and simple interface
simulation.
10. Low output power, no harm to the human body
11. Temperature, light, dust, and other environmental factors do not affect the radar’s
performance. Yet it is very sensitive and has a wide range of applications.
2. Electrical characteristics and parameters
2.1. Angle and Distance Detection
Parametric Content
Minimum
Typical
Maximum
Unit
MR24HPB1(8-point narrow-beam antenna)
Movement personnel detection
distance
-
-
13
metre(s)
Distance perceived by
stationary/ slightly mobile
personnel
-
-
5
metre(s)
Sleeper perception distance
-
-
2.5
metre(s)
Radar detection angle
(horizontal)
-
90
-
degree(s)
Radar detection angle (pitch)
-
60
-
degree(s)

MR24HPB1
6
2.2. Electrical Properties
Operating Parameters
Minimum
Typical
Maximum
Unit
Operating Voltage (VCC)
4.5
5.0
6
V
Operating current (ICC)
90
93
100
mA
Operating I/O current (IIO)
—
8
20
mA
Operating Temperature(TOP)
-20
-
+60
℃
Storage Temperature(TST)
-40
-
+80
℃
2.3. RF Performance
Firing Parameters
Operating Frequency(fTX)
24.0
-
24.25
GHz
Firing Power(Pout)
-
-
6
dBm

MR24HPB1
7
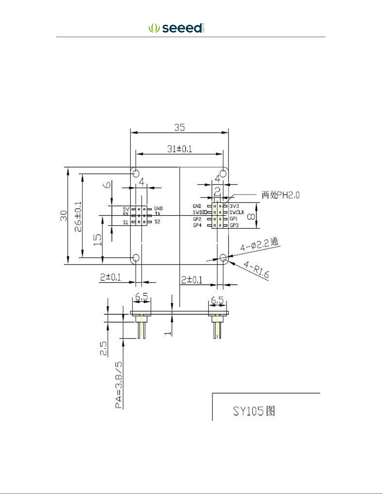
3. Module Dimensions and Pinouts
3.1. Module size Package

MR24HPB1
8
Fig. 1 Schematic diagram of the radar module structure
3.2. Pin Descriptions
Interface
Pins
Details
Typical
Description
Interface 1
1
5V
5.0V
Positive Input of Power
2
GND
Ground
3
RX
Serial Receive
4
TX
Serial Transfer
5
S1
3.3V/0V
Manned/Unmanned
6
S2
3.3V/0V
Stationary/Active
Interface 2
1
3V3
3.3V
Power Output
2
GND
Ground
3
SL
Reserve Pin
4
SD
Reserve Pin
5
GP1
Alternative Expansion Pins
6
GP2
Alternative Expansion Pins
7
GP3
Alternative Expansion Pins
8
GP4
Alternative Expansion Pins
Note:
1. S1 output: high level - occupied, low level - unoccupied.
2. S2 output: high level - active, low level - stationary.
3. GP1 to GP4 are parameter selection controls, which can be redefined according
to user requirements.
4. The output signals of this interface are all at 3.3V level.

MR24HPB1
9
3.3. Using the Wiring Diagram
Fig. 2 Schematic diagram of the radar module and peripheral connections
4. Main Performance
4.1 Operating Range of Radar Module
Figure 3 illustrates the beam coverage of the MR24HPB1 radar module. Basically, it
covers a three-dimensional area with a horizontal angle of 90° and 60° inclined.

MR24HPB1
10
Fig.3 MR24HPB1 Diagram of the radar coverage area
Due to the characteristics of the radar’s beam, it has a long-range coverage in the
direction normal to the antenna surface but a short-range if it deviates from the normal
direction of the antenna surface.
Additionally, the radar's range will be reduced when it is mounted on top or angled. This
is due to the effect of the beam and effective radiation space. It is important to consider
this when using the device.
4.2. Main Functions and Performance
The main functions of this radar module are:
a. Motion detection function
i. Maximum detection distance: ≤ 13m (adult);
ii. Detection sensitivity: ≤ 0.2m/s;
iii. Reaction time: ≤ 100ms;
b. Micro motion detection;
i. Maximum detection distance: ≤ 5m;
ii. Reaction time: ≤ 1s;
c. Breath detection function;
i. Maximum detection distance: ≤ 2.5m;
ii. Reaction time: ≤ 60s;
d. Environmental status assessment function;
Indice

















