
3
は
じ
め
に
はじめに
日
本
語
JP
主な特長
静かな高画質プリント
•高速ドライブIC内蔵の薄膜サーマルヘッドを採用。
12.8ドット/mmの高密度印画が可能になりました。
•白黒256階調表現することができます。
•温度差による印画ムラを防ぐ温度補正回路を内蔵しています。
簡単操作ですばやくプリント
•PRINTボタンを押すだけで、A7サイズ(STD、NORMモード時)
の高画質プリントが約3.9秒でできます。
•同じ画面を最大11枚まで連続してプリントできます 。
画像方向、画像の大きさが切り換え可能
•本体正面のスイッチ で、縦または横の画面方向を選択すること
ができます。
•本体正面のつまみで、いろいろな印画画面の大きさを選択する
ことが できます 。
ご使用になる状況に合わせた設定が可能
•ビデオ信号のすみずみまで印画可能。ビデオ信号の印画範囲
をNORM、WIDE1、WIDE2の3段階に切り換えることができま
す。
•印画方向を、正方向(NORM)または逆方向(REV)に切り換える
ことが できます 。
•入力されるビデオ信号に応じて印画アスペクト比を4:3または1:
1に 切り換えることが できます。
•プリンター用紙1枚あたりの印画枚数が多くとれるように、印画余
白を少なくする設定ができます。
NTSC/PALおよびEIA/CCIRビデオ信号を自動判別
カラービデオ信号のNTSC、PAL、または白黒ビデオ信号のEIA、
CCIRいずれのビデオ信号が入力されても、自動的に判別してプ
リントします。どのビデオ信号でも同じ印画時間、印画サイズでプリ
ントします。
エラーを知らせるアラームブザー機能
エラーを 知らせるアラームブ ザーにより、誤操作を防ぐことができま
す。
プリンター用紙の取り付けが簡単
ドアを開けて落とし込むだけで簡単にプリンター用 紙を 取り付ける
ことが できます 。
ご注意
同梱以外の電源コードをご使用の際は、以下の表を参考に電取法
に適合した電源コードをご使用ください。
プラグタイプ VM1072
コネクター VM1289
コードタイプ HVCTF
定格 7A/125V
適合規格 電取法
目次
はじめに
主な特長 .............................................................................. 3
............................................................................. 4
............................................................................ 5
準備
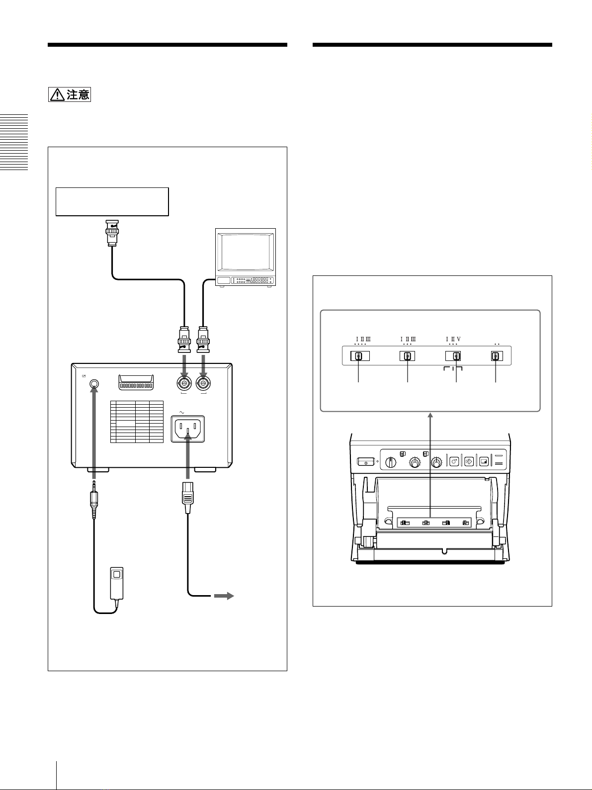
接続 ..................................................................................... 6
本機を使用状況に合わせる ................................................. 6
プリンター用紙トレー内にあるスライドスイッチを
切り換える ................................................................... 6
裏面パネルのDIPスイッチを切り換える ..................... 7
プリンター用紙について..................................................... 9
プリンター用紙を取り付ける ........................................... 10
操作
プリントする..................................................................... 11
プリントする .............................................................. 11
プリント画の向き/大きさを選ぶ ............................. 12
明るさやコントラストを調節する ............................. 13
リモコンを使ってプリントする ................................. 13
その他
本機の性能を保持するために ........................................... 14
お手入れ ............................................................................ 14
主な仕様 ............................................................................ 16
故障とお考えになる前に................................................... 17
各部の名称と働き ............................................................. 18
前面 ............................................................................ 18
裏面 ............................................................................ 19
保証書とアフターサービス ............................................... 19
保証書......................................................................... 19
アフターサービス....................................................... 19
目次/主な特長