
Features:
* 23.815 Mhz to 30.555 Mhz Continuous Coverage (Requires Export Mod)
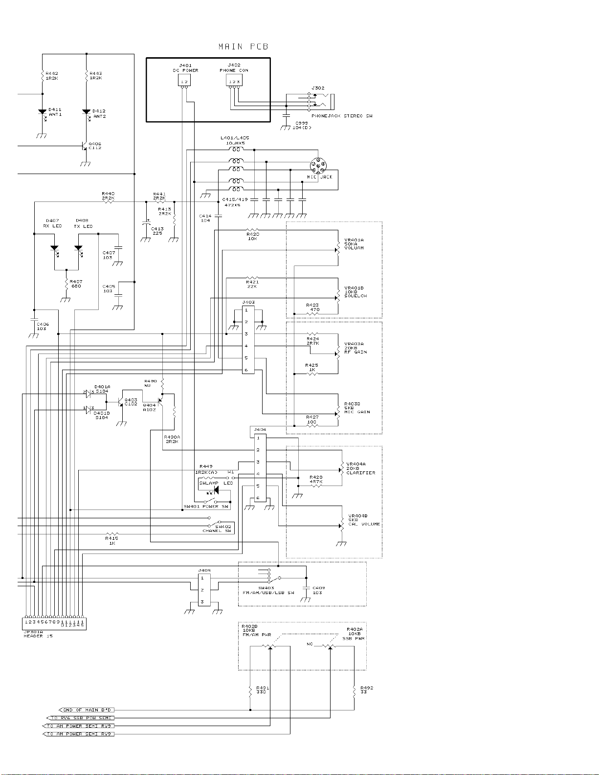
* Single Chip Microprocessor Controller (LC72338)
* Clarifier Control Tracks Both Transmit And Receive (SSB Approx. 40Khz)
* Programmable Memory Function (Stores Favorite Frequencies)
* Backlit Liquid Crystal Display (Frequency, Channel, Functions Menu)
* Digital Meter Scale Displays Signal, Power Output, SWR and Modulation (AM only)
* Dual Watch Mode (Allows Monitoring Two Freq. Simultaneously)
* Red/Green Transmit/Receive LED Indicator
* Two Antenna Connectors on Rear Panel, Push Button Front Panel Selectable.
* Noise Blanker/Automatic Noise Limiter
* Roger Beep (Switch Selectable)
* Variable Mic Gain Control
* Variable Receive RF Gain Control
* AM/FM/USB/LSB Operation
* 25 Watts Variable RF Output Power SSB (2SC2166 X1 - 2SC1969 X2)
* 10-15 Watts Variable RF Output Power AM (2SC2166 X1 - 2SC1969 X2)
* Four Step Dimmer lamp Control
* Split Frequency Capability for Repeater Use
* Dual Power - 120VAC Operation or 13.8 VDC Operation
* DTMF Page Mode (Touch Tone Paging)
* DTMF Auto Reply Function (Touch Tone Auto Signaling)
* DTMF Coded Squelch Operation (Receiver Muted Until Special DTMF Received)
* DTMF Encoder Pad (Allows Direct DTMF Frequency Entry)
SuperStar 4900B 10 Meter Base Radio
for
free
by
RadioAmateur.eu