EVK-NORA-B1 - User guide
UBX-20030319 - R06 Contents Page 3 of 31
C1-Public
Contents
Document information................................................................................................................................2
Contents ..........................................................................................................................................................3
1Product description ..............................................................................................................................4
1.1 Key features .................................................................................................................................................4
1.2 Items included in kit.................................................................................................................................... 5
1.2.1 EVK-NORA-B100 kit contents ......................................................................................................... 5
1.2.2 EVK-NORA-B106 kit contents ......................................................................................................... 5
1.2.3 EVK-NORA-B120 kit contents ......................................................................................................... 5
1.2.4 EVK-NORA-B126 kit contents .........................................................................................................5
1.3 Development tools ...................................................................................................................................... 5
2Hardware description...........................................................................................................................7
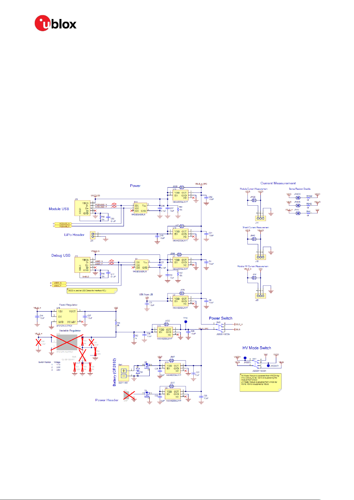
2.1 Power .............................................................................................................................................................7
2.1.1 Low-voltage mode .............................................................................................................................. 7
2.1.2 High-voltage mode (EVK-NORA-B10 only).................................................................................... 8
2.2 Reset..............................................................................................................................................................9
2.3 Buttons..........................................................................................................................................................9
2.4 LEDs.............................................................................................................................................................10
2.5 Serial communication ..............................................................................................................................11
2.6 32.768 kHz low frequency clock.............................................................................................................12
2.7 NFC connector ...........................................................................................................................................13
2.8 Current sensing headers .........................................................................................................................14
2.9 Debug indicators .......................................................................................................................................14
2.10 External SEGGER J-Link™ debug interface ........................................................................................15
2.11 QSPI .............................................................................................................................................................16
2.12 GPIO jumpers .............................................................................................................................................16
2.13 Header pin-out ...........................................................................................................................................17
3Application development................................................................................................................. 21
3.1 Install Visual Studio Code........................................................................................................................21
3.2 Install nRF Connect for Desktop............................................................................................................21
3.2.1 Install nRF Connect SDK .................................................................................................................22
3.2.2 Visual Studio Code............................................................................................................................22
3.2.3 Board support package ...................................................................................................................23
3.2.4 Create a new application .................................................................................................................23
3.3 Test the application..................................................................................................................................27
Appendix ....................................................................................................................................................... 30
AGlossary ................................................................................................................................................. 30
Related documentation ........................................................................................................................... 31
Revision history.......................................................................................................................................... 31
Contact.......................................................................................................................................................... 31