BLADEZ BLADEZ T4 PRO Guida all'installazione
Altri manuali BLADEZ Tapis roulant

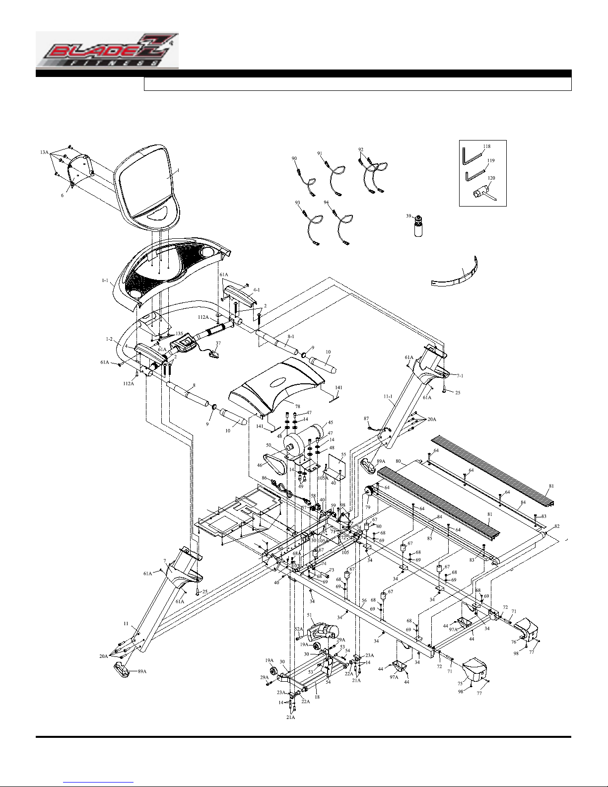
BLADEZ
BLADEZ ST7i Manuale utente

BLADEZ
BLADEZ 9.9T Manuale utente

BLADEZ
BLADEZ T500i Manuale utente

BLADEZ
BLADEZ Discover Manuale utente

BLADEZ
BLADEZ ST5iB Manuale utente

BLADEZ
BLADEZ BF 640HRP Manuale utente

BLADEZ
BLADEZ T6 Manuale utente

BLADEZ
BLADEZ BF-5.9T Manuale utente

BLADEZ
BLADEZ prisma Supra Manuale utente

BLADEZ
BLADEZ DX7-TMEO Manuale utente

BLADEZ
BLADEZ POWERMILL BF-6730 HRP Manuale utente

BLADEZ
BLADEZ POWERMILL BF-6527HRP Manuale utente

BLADEZ
BLADEZ BLADEZ T8 PRO Guida all'installazione

BLADEZ
BLADEZ MILAN Manuale utente

BLADEZ
BLADEZ BLADEZ T2 BASIC - PARTS Manuale utente

BLADEZ
BLADEZ BLADEZ T2 BASIC - PARTS Guida all'installazione

BLADEZ
BLADEZ Bladez T1 Basic Guida all'installazione

BLADEZ
BLADEZ POWERTRAINER PT-388 Manuale utente

BLADEZ
BLADEZ POWERMILL BF-6422 Manuale utente

BLADEZ
BLADEZ Ion 7.9T Manuale utente




























