COMPARATO NELLO SRL
2
DIAMIX PR / COMPAMIX PR
AVVERTENZE
Il presente manuale costituisce parte integrante del prodotto e dovrà essere conservato dall’utente. Leggere attentamente le avvertenze contenute nel manuale in quanto forniscono importanti indicazioni riguardanti la sicurezza d’installazione,
uso e manutenzione. L’installazione e la manutenzione devono essere effettuate in ottemperanza alle norme vigenti secondo le istruzioni del costruttore. In caso di guasto e/o malfunzionamento dell’apparecchio astenersi da qualsiasi tentativo
di riparazione o intervento diretto. Rivolgersi esclusivamente a personale abilitato ai sensi di legge. L’eventuale riparazione dovrà essere effettuata solamente da personale tecnico qualificato. Il mancato rispetto di quanto prescritto può com-
promettere la sicurezza dell’apparecchio.
FUNZIONAMENTO
Le valvole miscelatrici motorizzate elettroniche DIAMIX PR e COMPAMIX PR trovano applicazione nei moderni impianti di riscaldamento e/o raffrescamento dotati di pannelli radianti a pavimento, parete o soffitto per il controllo
della temperatura di mandata e dell’impianto di deumidificazione: sfruttando le nuove funzionalità sono in grado di mantenere sotto controllo l’umidità relativa all’interno dell’abitazione e garantire la massima efficienza ed il massimo
comfort ambientale. Sono progettate per adattarsi a molteplici applicazioni impiantistiche: una volta effettuata l’installazione sull’impianto, è possibile selezionare il tipo di funzionamento della valvola motorizzata attivando o
disattivando le varie funzioni.
•
•
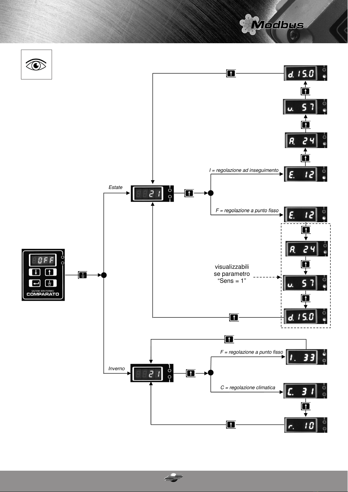
Regolazione riscaldamento a punto fisso
La temperatura di mandata per il riscaldamento invernale è impostata mediante tastiera e display a bordo del servocomando. Quando attivata dal termostato ambiente, la valvola motorizzata opera al fine di mantenere la
temperatura di mandata costante con la precisione di +/- 1°C.
Regolazione riscaldamento con funzione climatica
La temperatura di mandata “Tset_point” in riscaldamento è automaticamente calcolata dal software in funzione della temperatura esterna rilevata da apposita sonda (opzionale cod. RFSONDAT) seguendo curve climatiche pro-
grammabili.
Tset_point = - (T_est * h1) + h2 dove:
T_est = temperatura rilevata dalla sonda esterna.
h1 = coefficiente angolare della curva regolabile tra 0,1 e 1,0.
h2 = costante di temperatura regolabile tra +30°C e +40°C.
PERICOLO:
PERICOLO:
Avvertenze ___________________________________________________________________________
Funzionamento ________________________________________________________________________
Gestione remota ______________________________________________________________________________________________
Caratteristiche del servocomando _______________________________________________________________________________________________
Caratteristiche del corpo valvola __________________________________________________________________________
Installazione __________________________________________________________________________
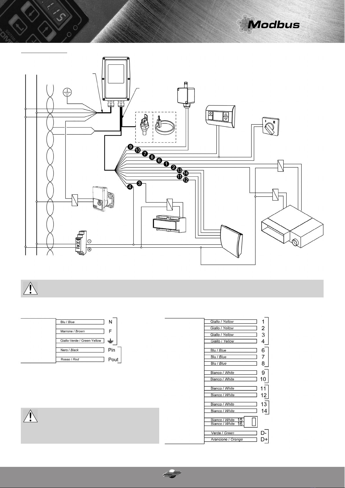
Collegamenti elettrici __________________________________________________________________________
Esempi di installazione __________________________________________________________________________
Tastiera e display __________________________________________________________________________
Attivazione e programmazione __________________________________________________________________________
Allarmi a display __________________________________________________________________________
Reset del software __________________________________________________________________________
Accessori _______________________________________________________________________________________________________
Condizioni generali di garanzia __________________________________________________________________________
INDICE
2
2
3
3
4
5
7
8
9
9
15
15
15
17
TEMPERATURA DI MANDATA Tsetclim [°C]
TEMPERATURA ESTERNA Test [°C]
Esempio con h1 = 0,5
Durante il riscaldamento invernale la Tset_point è vincolata ad assumere valori compresi tra [+25°C; +45°C].
Nota: il sistema effettua la lettura della temperatura esterna ogni 30 minuti.
•Regolazione raffrescamento a punto fisso
La temperatura mandata per il raffrescamento estivo è impostata mediante tastiera e display a bordo del servocomando. Quando attivata dal termostato ambiente, la valvola motorizzata opera al fine di mantenere la temperatura
di mandata costante con la precisione di +/- 1°C. Se viene collegato il sensore umidità relativa e temperatura ambiente (opzionale cod. RFTRUEE10), qualora la differenza tra la temperatura di rugiada calcolata e la temperatura
di mandata all’impianto sia inferiore al valore di riferimento impostato “CF2”, la valvola motorizzata attiva un apposito allarme mediante chiusura di un contatto digitale e segnalazione a display (ALc). Inoltre il valore di umidità
relativa è costantemente monitorato e confrontato con il valore di riferimento programmabile “CF1”: se il valore di soglia viene superato la valvola motorizzata attiva un apposito allarme mediante chiusura di un contatto digitale
e segnalazione a display (ALur).
ATTENZIONE: questa configurazione richiede un sistema di regolazione dell’umidità relativa all’interno dei locali climatizzati indipendente dalla valvola miscelatrice.
Rischio elettrico! L’unità contiene apparecchiature sotto tensione.
Rischio ustioni! Anche in condizioni di funzionamento normale l’unità è in grado di raggiungere temperature elevate che possono causare ustioni.