
TZ.
Dual
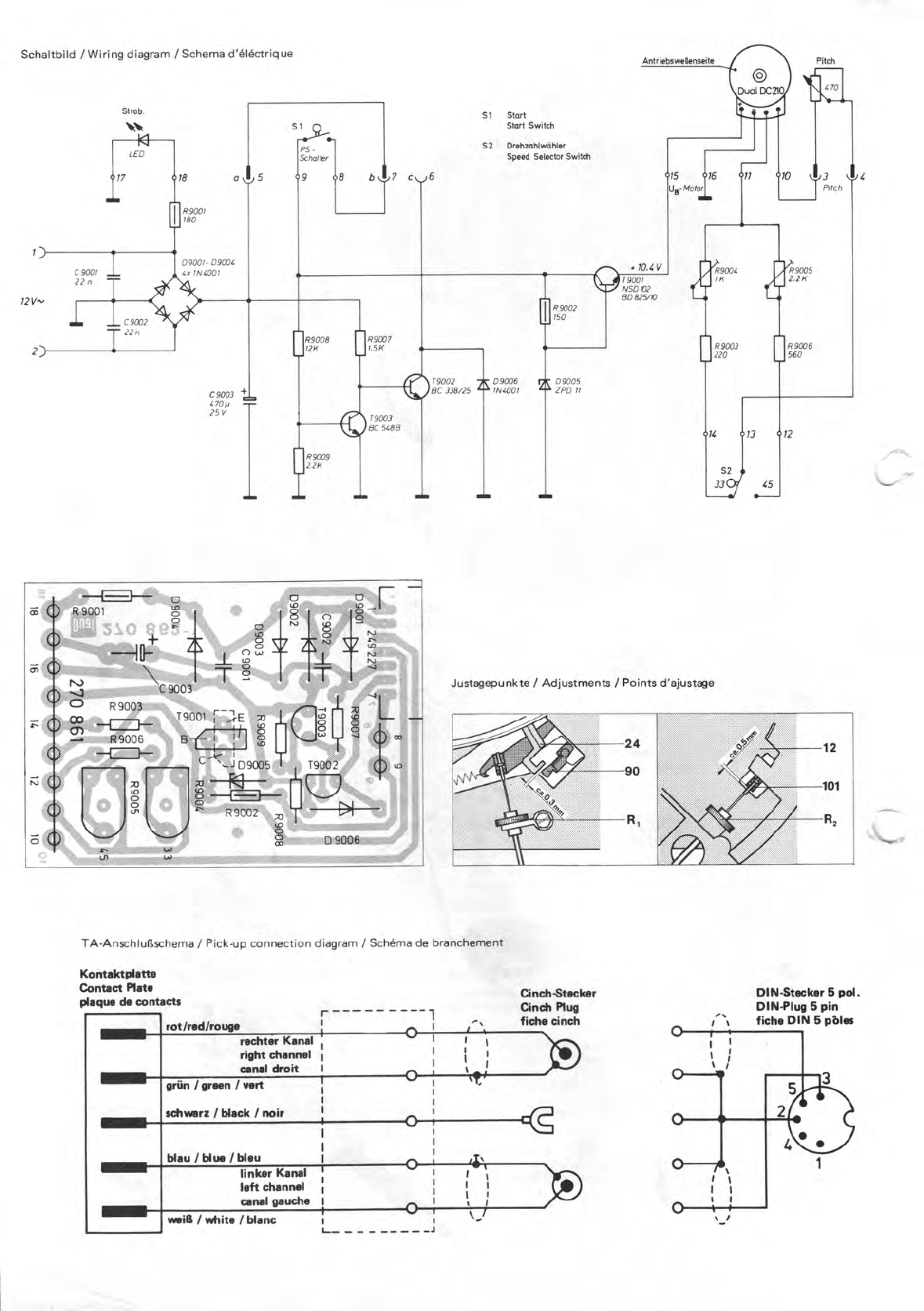
Service
-Anleitung
Service
Manual
lnstructions
de
Service
ASP
135
9?(
-
)
Technische
Daten
Meßwerte
=
typische
Werte
Rumpel-
und
Gleichlaufwerte
mit
Lackfolie
ermittelt
Technical
data
Measured
values
=
typical
values
Rumble
and
wow
and
flutter
values
obtained
with
lacq
uer
foil
Caractöristiques
techniques
Valeurs
mesurees=
valeurs
typiques
Ronflement
et
syncronisme
datermina
avec
une
feuille
vernie
Betriebsspannung
Gleichstrom
Operating
voltage
DC
Tension
service
courant
continu
12
V
Antrieb
tacho-geregelter
Gleichstrom-
Motor
Drive
tacho-controlled
DC
motor
Entrainement
moteur
ä
courant
continu
regla
par
tension
de
ganaratrice
Dual
DC
210
Stromaufnahme
bei
Anlauf
bei
Spielbetrieb
Power
consumption
at
start
at
play
Consommation
de
courant
au
damarrage
en
fonctionnement
max.
350
mA
max.
50
mA
Plattenteller
nichtmagnetisch,
abnehmbar
Platter
non-magnetic,
removable
Plateau
antimagnetique,
amovible
304
mm
0
Plattenteller
-Drehzahlen
Platter
speeds
Vitesses
du
plateau
33
1/3
und
45
U/min
Tonhöhen
-Abstimmung
auf
beide
Plattenteller
-Drehzahlen
wirkend
Pitch
control
at
both
platter
speeds
Räglage
de
la
hauteur
du
son
sur
les
deux
vitesses
ca.
±
6%
Gesamt-Gleichlauffehler
DIN
WRMS
Wow
and
Butter
DIN
WR
MS
Tolärance
de
vitesse
totale
DIN
WRMS
±
0,15
%
±
0,09
%
Störspannungsabstand
(nach
DIN
45500)
Rumpel-Fremdspannungsabstand
Rumpel-Geräuschspannungsabstand
Sgnal-to-noise
ratio
(DIN
45500)
Rumble
unweighted
signal-to-noise
ratio
Rumble
weighted
signal-to-noise
ratio
Rapport
signal/bruit
(DIN
45500)
Signal/tension
exterieure
de
ronflement
Signal/tension
perturbatrice
de
ronflement
40
dB
62
dB
Tonarm
verwindungssteifer
Alu
-Rohrtonarm
in
Vierpunkt
-Spitzenlagerung
Tonearm
Distortion-free
aluminum
tubular
tonearm
in
4
point
tip
bearing
Bras
de
lecture
Bras
en
tube
d'aluminium,
antitorsion,
avec
suspension
qua,re
pointes
Effektive
Tonarmlänge
Effective
tonearm
length
Longueur
efficace
du
bras
211mm
Kröpfungswinkel
Offset
angle
Angle
de
coude
26
°
Tangentialer
Spurfehlwinkel
Tangential
tracking
error
Angle
tangential
de
l'erreur
de
piste
0,15
°
/cm
Auftegekraft
Stylus
pressure
Force
d'appui
0
—
30
mN
920781-6
1.3/1182
Dual
GmbH
•
7742
St.
Georgen/Schwarzwald
Printed
in
Germany
by
Dual
Download from www.dual.de
Not for commerical use