
2
SouNdBAr rEAr-PANEL CoNtroLS ANd
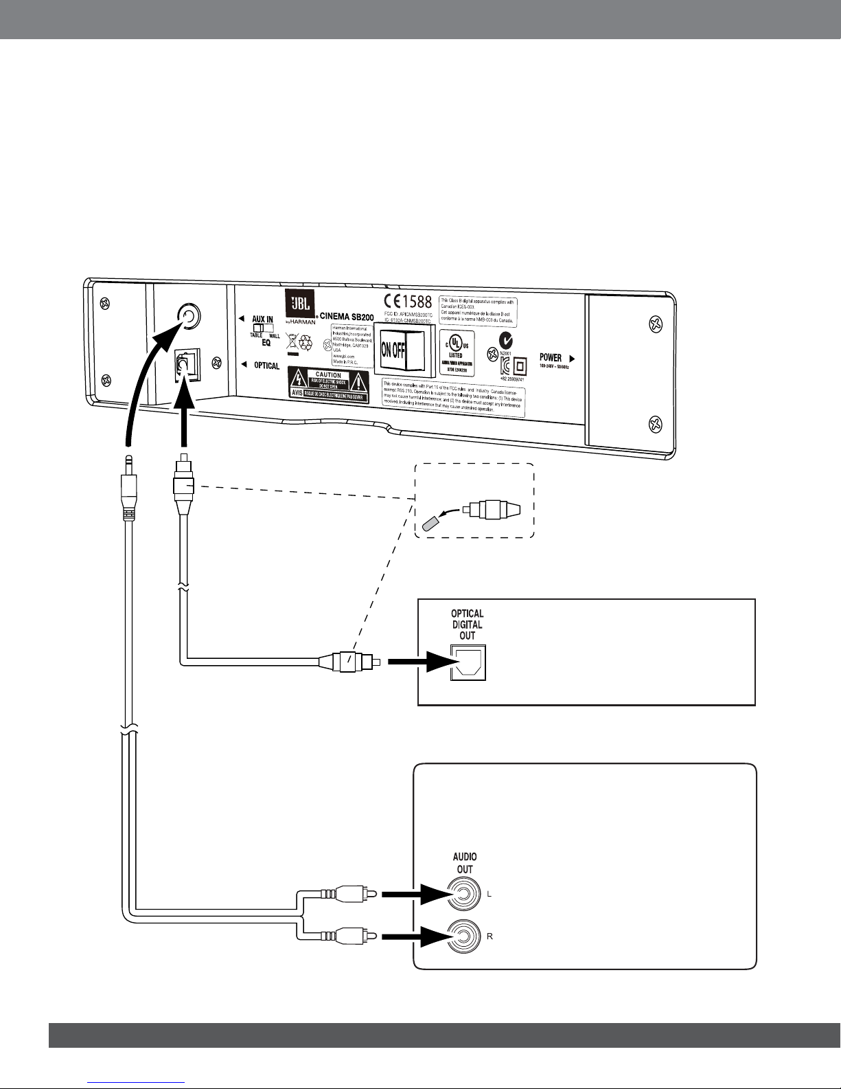
CoNNECtIoNS
Power Switch Power Cord
Connector
EQ Switch
Optical
Input
Connector
Aux
Input
Connector
EQ switch: Use this switch to adjust the soundbar’s bass for either wall
or table mounting. If you’re mounting the soundbar on a wall with the
included wall-mount bracket, set the EQ switch to the “Wall” position
for the most natural-sounding bass performance. If you are placing the
soundbar on a table, set the EQ switch to the “Table” position for the
most natural-sounding bass performance.
Optical Input connector (digital): If your TV, disc player or cable/
satellite tuner has an optical digital output, use the included optical
cable to connect it here.
NOTE: You can connect different source components to the analog and
digital connections.
Aux Input connection (analog): Use the included stereo 3.5mm to
stereo RCA audio cable to connect the stereo analog outputs of your
TV, disc player or cable/satellite tuner here.
Power switch: Set this switch to the “On” position to activate the
soundbar. In normal operation, this switch will be left in the “On”
position. See
Turning the Soundbar On and Off
, on page 5, for more
information.
Power Cord connector: Connect the included power cord here. See
Power Connections
, on page 5, for more information.
IMPORTANT: Do not connect the power cord to an AC outlet until you
have made and verified all other connections.
If you will not be using the soundbar for an extended period – for
instance, if you’re going on vacation – set the Power switch to the “Off”
position.
SouNdBAr toP-PANEL CoNtroLS ANd
rEMotE CoNtroL
Volume
Buttons
Source
Button
Surround
Button
Bluetooth
Button
Power
Button
BASS
Volume Buttons
Surround Mode
Button
Power Button Mute Button
Bass Boost
Button
Source Button
Power button: To turn the soundbar on when it is in the Standby
mode, press the Power button on either the soundbar or the remote.
(The Power indicator will turn white.) To put the soundbar in the
Standby mode, press either Power button while the system is on.
(The Power indicator will turn amber.) If you do not press the Power
button, the soundbar will automatically go into the Standby mode
approximately 10 minutes after the audio signal ceases.
NOTE: If you put the soundbar into the Standby mode by pressing
the Power button, you must manually turn it on by pressing the Power
button again. If the soundbar automatically goes into the Standby
mode 10 minutes after the audio signal ceases, it will automatically
turn on whenever the soundbar detects an audio signal at either input
connection.
Mute button (remote control only): Press the Mute button to mute
the soundbar. (The Volume +/– indicators both illuminate white.) While
the system is muted, press the Mute button again or either Volume
button to restore the sound.
NOTE: Pressing both of the soundbar’s Volume buttons at the same
time while the system is on will mute the system. Pressing either
Volume button while the system is muted will restore the sound.
Surround Mode button: This button turns the soundbar’s HARMAN
Display Surround processing on and off. The Surround button indicator
turns amber when HARMAN Display Surround is active, and turns white
when HARMAN Display Surround is not active (normal stereo sound).
See
Surround Mode Buttons
, on page 6, for more information.
Volume Up/Down buttons: Press the “+” button to increase the
volume; press the “–” button to decrease the volume. The buttons
illuminate white for a few seconds after being pressed.
Source Selector button: This button switches between the sources
connected to the Aux (analog) and Optical (digital) inputs. When the Aux
input is active, the Source indicator turns white; when the Optical input
is active, the Source indicator turns amber.
Bluetooth button (soundbar only): Press this button to play the
audio stream from a paired Bluetooth device through the soundbar.
(The button LED will illuminate blue when a paired Bluetooth device is
the active source.) Press and hold this button to force the soundbar into
the Bluetooth pairing mode. See Bluetooth Operation, on page 5, for
more information.
Bass Boost button (remote control only): Press the remote’s
Bass Boost button to enhance low-frequency performance. Pressing
the Bass Boost button again will return the soundbar’s normal low-
frequency performance.