
Smoke and Heat Exhaust Control Unit mcr 0204 for Smoke Curtains mcr PROSMOKE FS CE. User
Instruction Manual.
Strona 8 z 15
5. ASSEMBLY AND START UP
1. Mount the unit near the devices which are meant to be controlled by the unit, using
appropriate metal connectors selected in accordance with the substrate material. Note: do not drill
through the unit's housing —in the case of damage to electronic components caused by dust/debris,
any complaint will be disregarded.
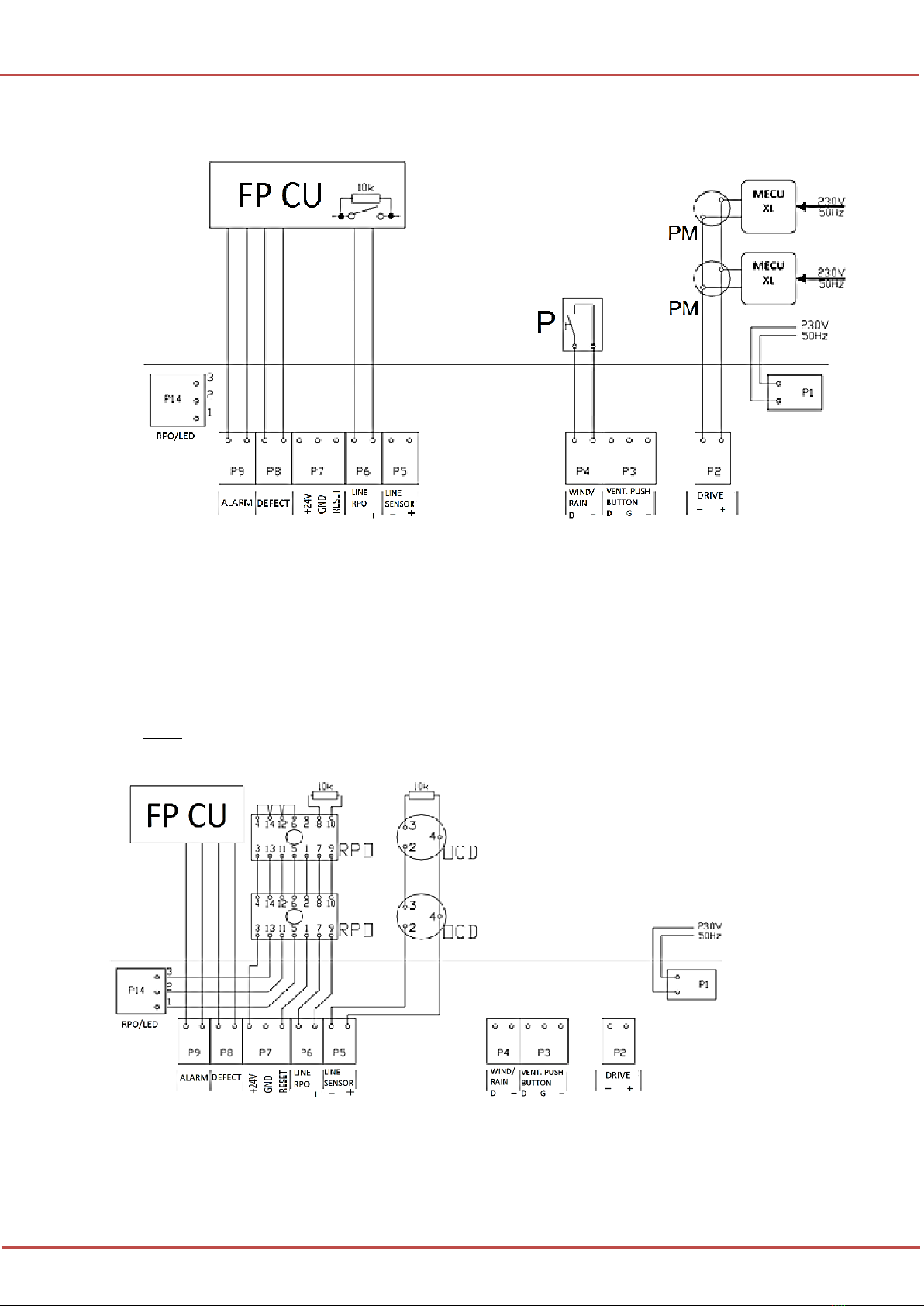
2. Sensors line - 2 leads (YnTKSY) from P5 terminals.
End resistor 10 kΩ in the base of the last sensor.
The maximum number of sensors in accordance with the technical parameters.
3. Emergency pushbuttons line (RPO) - 7 conductors from P6, P7 and P14 terminals.
End resistor 10 kΩ in the last pushbutton.
The maximum number of pushbuttons in accordance with the technical parameters.
4. Actuators line - 2 leads (feature PH30, for example HLGs), from P2 terminals. The end terminal
in the last assembly box. The maximum number of actuators in accordance with the technical
parameters.
5. Auxiliary voltage - P7 terminal. The auxiliary voltage output P7 is short-circuit resistant and
may carry a load of maximum two relays.
6. No-voltage output NC (or NO) for information about alarm –2 leads (YnTKSY) from P9
terminals. The jumper H1 allows to select NC output (default) or NO output.
7. No-voltage output NC (or NO) for information about defect –2 leads (YnTKSY) from P8
terminals. The jumper H2 allows to select NC output (default) or NO output.
8. Main supply 230 V, 50 Hz should be connected to the terminal strip P1 on the unit module's
PCB. The power supply for the unit should be separate (units only on the mains line), properly
protected by means of an overload circuit breaker in the switching station.
Do not protect the line by means of a GFCI (RCCB) circuit breaker.
9. 24 V power supply from batteries (P10, P11). The batteries should be connected in series,
taking polarity into account.
10. Start-up. Before switching on the power supply, check if the leads are connected properly.
Note: the leads should be placed and connected in accordance with relevant standards and basic
rules for wiring.
In a correctly operating unit the POWER diode indicator is on.
In order to check the operation of ventilation, the weather monitoring unit should be
disconnected. The weather monitoring unit blocks ventilation for several minutes after the wind has
ceased, and in the case of rain the sensor needs to get dry, which takes even more time.
Note: in order to connect the unit you should use leads which satisfy the requirements of current
regulations.
Note: conduct and connect the cables according to the binding standards and basic rules of
installation assembling.
6. INSTRUCTION MANUAL FOR CHECKING CONNECTION AND
PERFORMANCE OF THE MCR 0204 CONTROL UNIT
For reasons of operational safety and reliability of the fire protection system, after installing the
control panel, check the device by following instructions.
1. Check the correctness and reliability of connection of all cables (main power, input and
output lines, line continuity resistors) in accordance with Operation Manual and the
installation design.
2. Check the value of the power supply voltage of the control unit - it should be 230 V
,
50 Hz.