Installation procedure
1. Installation of the heating system with convectors MINIB begins by placing of convectors to selected positions - see the
installation procedure convectors and by their connection to the heating system.
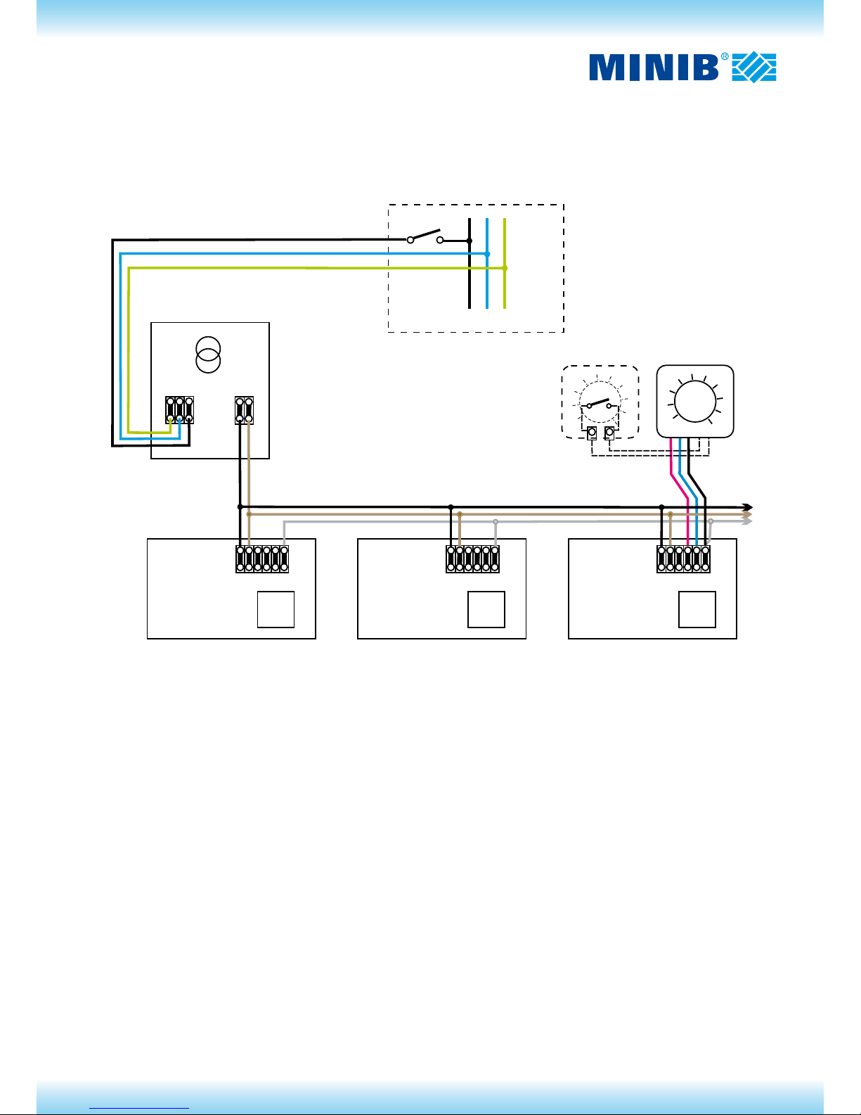
2. The isolating transformer and thermostat shall be placed to the selected place.
3. Apply the necessary connecting cables – see the wiring diagram. Branching of cables can be made either in boxes in the wall
or directly on the terminal board in convectors. The terminal board for connection of power and control wires is placed on
either on the electronic block or on the main body of the convector. The wires must be connected to the proper positions on
the terminal board. Wrong connection may lead to the destruction of the electronic block and will not be accepted as the
reason for complaint. Therefore, pay a considerable attention to the correct connection. The picture shows the junction box
of the convector, including the connection of the temperature switch.
4. The temperature switch shall be connected according to the customer`s requirement.
5. Perform the electrical connection of all control components and convectors according to the selected wiring diagram.
Description of activation
1. If water in convectors is not hot enough and the thermal contact is used, it is possible to test the function of convectors after
switching power supply wire from the terminal TK to the terminal 12V AC. After the test, the wire shall be returned back to the
terminal TK.
2. The activation of the control shall be performed in the way that you switch on the circuit breaker in the main switchboard after
the connection check. The heating system will be put into operation.
3. You will set the heating mode on the thermostat and select temperature that is higher than the actual temperature in the
room. Depending on the thermostat type, the thermostat must switch on at the latest approx. in 1 minute. (This delay applies
only to electronic programmable thermostats, which prevents to fast repeated closing and opening of contacts and which
could lead to damage of some elements of heating systems.)
4. After switching the thermostat on all fans must start running in all convectors. Speed of all fans will become stable on the
same (set) speed within 1 minute.
5. Then set the temperature on the thermostat safely lower than the temperature in the room. The thermostat must switch off
approx. within 1 minute at the latest. Fans at controls EB-B and EB-C will further run but their speed will be gradually
decreasing. All fans must stop maximally after 20 minutes.
At the control EB-A, it is possible to test the speed setting, eventually to stop fans by turning the knob of the potentiometer.
When setting the speed, you must calculate with a certain time delay until stabilization of the corresponding speed. When
zero speed is set, the fans will stop immediately.