
6
SECTION 3
ELECTRICAL PARTS LIST
SA-C7
NOTE:
•Due to standardization, replacements in the
parts list may be different from the parts
specifiedin thediagramsor the components
used on the set.
•-XX, -X mean standardized parts, so they
may have some difference from the original
one.
•Items marked “*” are not stocked since they
are seldom required for routine service.
Some delay should be anticipated when
ordering these items.
•CAPACITORS:
uF: µF
•COILS
uH: µH
•RESISTORS
All resistors are in ohms.
METAL: metal-film resistor
METAL OXIDE: Metal Oxide-film resistor
F: nonflammable
•SEMICONDUCTORS
In each case, u: µ, for example:
uA...: µA... , uPA... , µPA... ,
uPB... , µPB... , uPC... , µPC... ,
uPD..., µPD...
Ref. No. Part No. Description Remarks Ref. No. Part No. Description Remarks
The components identified by mark 0or
dotted line with mark 0are critical for safety.
Replace only with part number specified.
When indicating parts by reference number,
please include the board name.
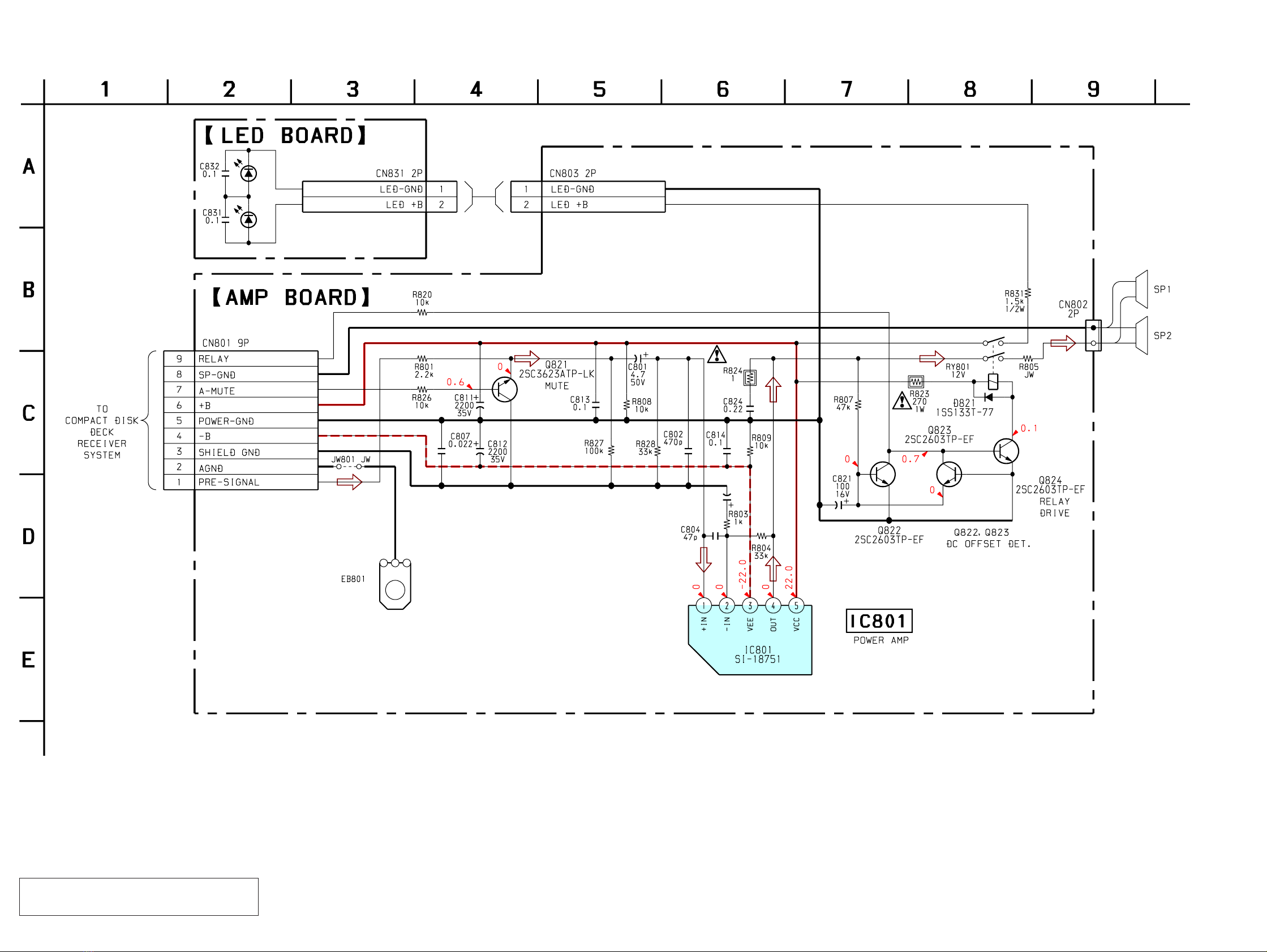
AMP LED
A-4727-504-A AMP BOARD, COMPLETE
********************
1-757-788-22 CORD, CONNECTION
7-682-548-04 SCREW +B 3X8
< CAPACITOR >
C801 1-126-963-11 ELECT 4.7uF 20.00% 50V
C802 1-162-290-31 CERAMIC 470PF 10% 50V
C803 1-126-967-11 ELECT 47uF 20.00% 50V
C804 1-162-215-31 CERAMIC 47PF 5% 50V
C807 1-161-494-00 CERAMIC 0.022uF 25V
C811 1-126-953-11 ELECT 2200uF 20.00% 35V
C812 1-126-953-11 ELECT 2200uF 20.00% 35V
C813 1-164-159-21 CERAMIC 0.1uF 50V
C814 1-164-159-21 CERAMIC 0.1uF 50V
C821 1-126-382-11 ELECT 100uF 20.00% 16V
C824 1-136-169-00 FILM 0.22uF 5.00% 50V
< CONNECTOR >
*CN801 1-564-512-11 PLUG, CONNECTOR 9P
< DIODE >
D821 8-719-991-33 DIODE 1SS133T-77
< IC >
IC801 8-759-502-31 IC SI-18751
< TRANSISTOR >
Q821 8-729-141-30 TRANSISTOR 2SC3623ATP-LK
Q822 8-729-620-05 TRANSISTOR 2SC2603TP-EF
Q823 8-729-620-05 TRANSISTOR 2SC2603TP-EF
Q824 8-729-620-05 TRANSISTOR 2SC2603TP-EF
< RESISTOR >
R801 1-249-421-11 CARBON 2.2K 5% 1/4W F
R803 1-249-417-11 CARBON 1K 5% 1/4W F
R804 1-249-435-11 CARBON 33K 5% 1/4W
R807 1-249-437-11 CARBON 47K 5% 1/4W
R808 1-249-429-11 CARBON 10K 5% 1/4W
R809 1-249-429-11 CARBON 10K 5% 1/4W
R820 1-249-429-11 CARBON 10K 5% 1/4W
0R823 1-216-429-00 METAL OXIDE 270 5% 1W
0R824 1-249-381-11 CARBON 1 5% 1/4W F
R826 1-249-429-11 CARBON 10K 5% 1/4W
R827 1-249-441-11 CARBON 100K 5% 1/4W
R828 1-249-435-11 CARBON 33K 5% 1/4W
R831 1-260-330-11 CARBON 1.5K 5% 1/2W
< RELAY >
RY801 1-755-170-11 RELAY (12V)
**************************************************************
1-681-713-11 LED BOARD
**********
< CAPACITOR >
C831 1-164-159-21 CERAMIC 0.1uF 50V
C832 1-164-159-21 CERAMIC 0.1uF 50V
< CONNECTOR >
CN831 1-564-718-11 PIN, CONNECTOR (SMALL TYPE) 2P
< DIODE >
D831 6-500-095-01 DIODE SELS5LED 3C-STP15 (BACK LIGHT)
D832 6-500-095-01 DIODE SELS5LED 3C-STP15 (BACK LIGHT)
**************************************************************
MISCELLANEOUS
**************
SP1 1-544-976-11 SPEAKER (2cm)
SP2 1-544-853-11 SPEAKER (9cm)