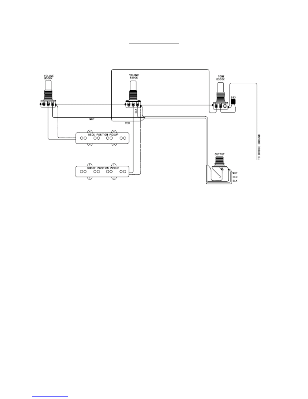
Squier Affinity Jazz Bass Manuale utente
Altri manuali Squier Chitarra

Squier
Squier Hello Kitty Mini Strat Manuale utente

Squier
Squier Telecoustic Manuale utente

Squier
Squier Affinity P Bass Manuale utente

Squier
Squier Classic Vibe 50s P Bass Manuale utente

Squier
Squier Classic Vibe Telecaster Custom Manuale utente

Squier
Squier Deryck Whibley SUM41 Telecaster Manuale utente

Squier
Squier Classic Vibe 60s Strat Manuale utente

Squier
Squier Mike Dirnt Precision Bass Manuale utente

Squier
Squier Vintage Modified Tele Thinline Manuale utente

Squier
Squier Standard HSS Strat Manuale utente

Squier
Squier Jagmaster Manuale utente

Squier
Squier Black and Chrome Std Manuale utente

Squier
Squier Badtz Maru Bronco Bass Manuale utente

Squier
Squier Affinity Strat HSS Manuale utente

Squier
Squier Bullet Strat HH Manuale utente

Squier
Squier Classic Vibe 50s Duo Sonic Manuale utente

Squier
Squier Standard Strat LH Manuale utente

Squier
Squier Vintage Modified P Bass Manuale utente

Squier
Squier Classic Vibe 60s P Bass Manuale utente

Squier
Squier Frank Bello J Bass Manuale utente























