Thetford TRC40 Istruzioni per l'installazione










Questo manuale è adatto per i seguenti modelli
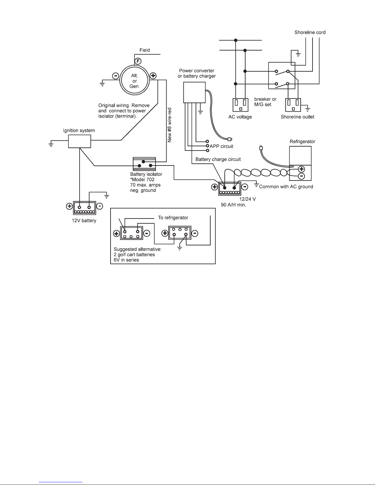
1
Indice
Altri manuali Thetford Frigorifero

Thetford
Thetford N304.3 Istruzioni per l'installazione

Thetford
Thetford N314E.3F Manuale utente

Thetford
Thetford N3000 series Manuale utente

Thetford
Thetford T2000 Series Manuale utente

Thetford
Thetford DC0041CR Manuale utente

Thetford
Thetford DC-0740S Manuale utente

Thetford
Thetford N604.3 Istruzioni per l'installazione

Thetford
Thetford SCQT-3407D Manuale utente

Thetford
Thetford N3104 Manuale utente

Thetford
Thetford N604M.3 Manuale utente

Thetford
Thetford T1274 Manuale utente

Thetford
Thetford N108 Manuale utente

Thetford
Thetford DE105 Istruzioni per l'installazione

Thetford
Thetford N100 Manuale utente

Thetford
Thetford N80 Manuale utente

Thetford
Thetford N80 Manuale utente

Thetford
Thetford N3000 series Manuale utente

Thetford
Thetford N80 Manuale utente

Thetford
Thetford N614E.3F Manuale utente

Thetford
Thetford N80 Manuale utente





















