
1. Disconnect power supply before making wiring connections to prevent electrical shock and equipment damage.
2. All wiring must comply with applicable codes and ordinances.
3. When wiring is completed, check all components by running system through its entire heating cycle.
4. Check vent pipe system for leakage. All vent system leaks must be sealed prior to the installation of the Power Venter.
5. Flue gas temperature must not exceed 600oF at Power Venter Inlet.
HS-2 SERIES POWER VENTER MOTOR INSTALLATION
A. FOR “NEW STYLE” HS-2 MODEL (DATE CODE 12/88 UP TO PRESENT, SEE DIAGRAM A).
1. Loosen Fan Proving Tube nylon nut and carefully remove sensing tube from housing so as not to bend it.
2. Loosen Power Venter wheel set screw.
3. Remove motor from motor mount by removing 4 nuts which secure it. NOTE: USE CARE SO AS NOT TO LOSE SPACERS AND NUTS.
4. Position new motor so that studs extend into motor mount. Motor wires must match up with hole of junction box containing electrical shorty bushing.
Feed motor wires through bushing and into junction box. Shaft must be inserted through wheel hub.
5. Firmly fasten motor to motor mount (4 nuts) with a wrench. NOTE: BE SURE TO INCLUDE SPACERS BETWEEN MOTOR AND MOTOR MOUNT,
AS WELL AS APPROPRIATE FASTENERS.
6. Tighten wheel set screw on flat part of shaft.
7. Insert fan proving switch sensing tube into housing (short end) gently and secure to fan proving switch with nylon nut.
B. FOR “OLD STYLE” HS-2 MODEL (DATE CODE PRIOR TO 12/88, SEE DIAGRAM B.)
1. Loosen Power Venter wheel set screw.
2. Remove motor from motor mount by removing 4 nuts which secure it. NOTE: USE CARE SO AS NOT TO LOSE SPACERS AND NUTS.
3. Position new motor so that studs extend into motor mount. Motor wires must match up with hole of junction box containing electrical shorty bushing.
Feed motor wires through bushing and into junction box. Shaft must be inserted through wheel hub.
4. Firmly fasten motor to motor mount (4 nuts) with a wrench. NOTE: BE SURE TO INCLUDE SPACERS BETWEEN MOTOR AND MOTOR MOUNT,
AS WELL AS APPROPRIATE FASTENERS.
5. Tighten wheel set screw on flat part of shaft.
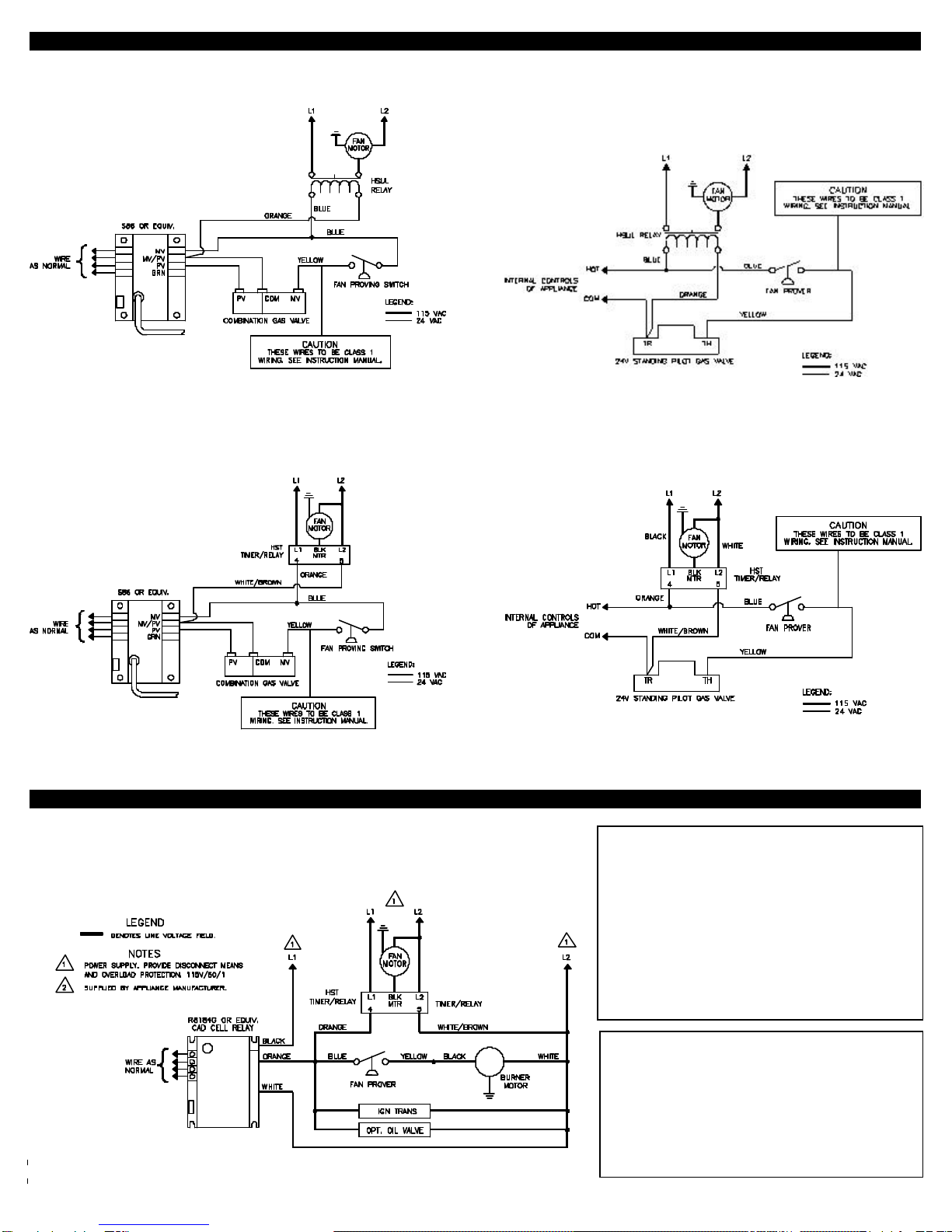
2. Wire Power Venter motor according to appropriate model on the opposite side of this sheet. Be sure grounding wire from motor is utilized. UNIT MUST BE
GROUNDED! All wiring must be done in accordance with the NEC and applicable local codes. The wiring to the furnace should be protected by overcurrent
protection (fuses or circuit brakers) rated 15 amperes or less, as applicable of 14 AWG conductors. CAUTION MUST BE EXERCISED TO ENSURE THAT
WIRING DOES NOT COME INTO CONTACT WITH ANY HEAT SOURCE.
3. Before testing installation, on “old style” units check sail switch in Power Venter junction box. Sail must operate freely in slot of fan housing. Operation of
switch can be determined by hearing a “click” as switch opens and closes. A “click” must be heard before sail blade touches either end of slot. If “clicks” are
not heard, it may be necessary to change bend in blade slightly.
4. Check heater and Power Venter operation. Draft control on Power Venter should be adjusted so that there is no spillage at draft diverter, barometric or hood.
IN-FORCERTM MODEL PAI-4 MOTOR INSTALLATION
1. Disconnect motor leads inside IN-FORCER.
2. Remove top and bottom screw which hold blower assembly plate in IN-FORCER.
3. Carefully slide out motor and housing assembly from IN-FORCER.
4. Loosen wheel set screw.
5. Remove (3) nuts which hold housing to blower assembly plate.
6. Remove (3) nuts which hold motor to blower assembly plate.
7. Install new motor in in reverse order. Make sure wheel is spaced evenly in housing
and set screw is tightened on flat of motor shaft.
8. Run IN-FORCER through heating cycle to verify proper operation.
P/N (950-1021) HS-2, PAI-4 REPLACEMENT MOTOR KIT
DIAGRAM B
DIAGRAM A
DIAGRAM C
TJERNLUND PRODUCTS, INC.
1601 Ninth Street • White Bear Lake, MN 55110-6794
PHONE (800) 255-4208 • (651) 426-2993 • FAX (651) 426-9547
Visit our web site • www.tjernlund.com