
4 | PIR Ready VT76xxW Series-Installation Guide
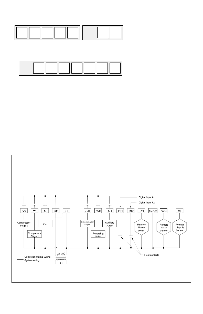
Remote discharge air temperature sensor input for monitoring purpose
Remote water temperature sensor input for monitoring purpose
Lockable keypads for tamper proofing. No need for a separate guards
Anti short cycle and minimum on/off run time protection. Reduces wear and
maximizes life span of mechanical equipment.
2 configurable digital inputs for added flexibility. Each input can be configured as the
following:
None: No function will be associated with the input
Service: a backlit flashing Service alarm will be displayed on the Terminal
Equipment Controller LCD screen when the input is energized. It can be tied in
to the AC unit control card, which provides an alarm in case of malfunction.
Filter: a backlit flashing Filter alarm will be displayed on the Terminal
Equipment Controller LCD screen when the input is energized. It can be tied to a
differential pressure switch that monitor filters
Rem NSB: remote NSB timer clock input. Will disable the internal scheduling of
the Terminal Equipment Controller. The scheduling will now be set as per the
digital input. The menu part related to scheduling is disabled and no longer
accessible. It provides low cost setback operation via occupancy sensor or from
a dry contact
RemOVR: temporary occupancy contact. Disables all override menu function of
the Terminal Equipment Controller. . The override function is now controlled by a
manual remote momentarily closed contact. When configured in this mode, the
input operates in a toggle mode.
With this function enabled it is now possible to toggle between unoccupied &
occupied setpoints for the amount of time set by parameter (TOccTime)
temporary occupancy time.
Fan lock: used in conjunction with a local air flow sensor connected to the input.
Locks out the Terminal Equipment Controller heating and cooling action and
displays a local alarm if no air flow is detected 10 seconds after the fan (G
terminal) is energized.
Configurable smart fan operation saves energy during night mode
Non volatile EEPROM memory prevents loss of parameters during power shortage
Built in default profile set-up for easier start up and commissioning
Configurable SPST output relay for lighting, exhaust fan or fresh air control
6 hour typical reserve time for clock in case of power loss on scheduling models