
Model A15/76 Turbidity Monitor
O & M Manual
Rev. E, 09/06 -3 -
TABLE OF CONTENTS
UNPACKING.............................................................................................................................................4
INTRODUCTION.......................................................................................................................................5
FIGURE 1 -TURBIDITY SYSTEM WITH SUBMERSION SENSOR (ATI-0471)..................................5
SPECIFICATIONS....................................................................................................................................6
Electronics Unit............................................................................................................................6
Sensor..........................................................................................................................................6
INSTALLATION.........................................................................................................................................7
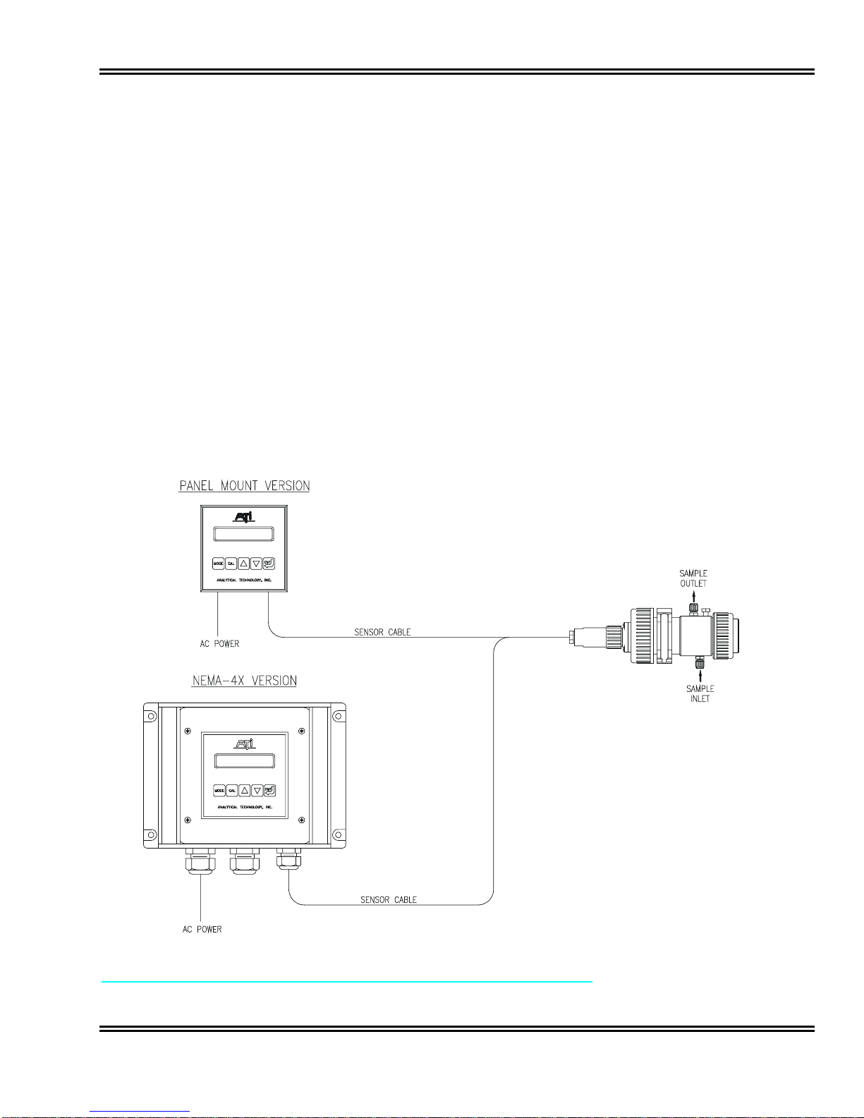
FIGURE 2 - PANEL MOUNT MONITOR DIMENSIONS & INSTALLATION (ATI-0124,125) .......7
FIGURE 3 - NEMA - 4X WALL MOUNT DIMENSIONS & INSTALLATION (ATI-010) ..................8
FIGURE 4 - HANDRAIL MOUNTING ASSEMBLY FOR NEMA 4X ENCLOSURE (ATI-043)..............9
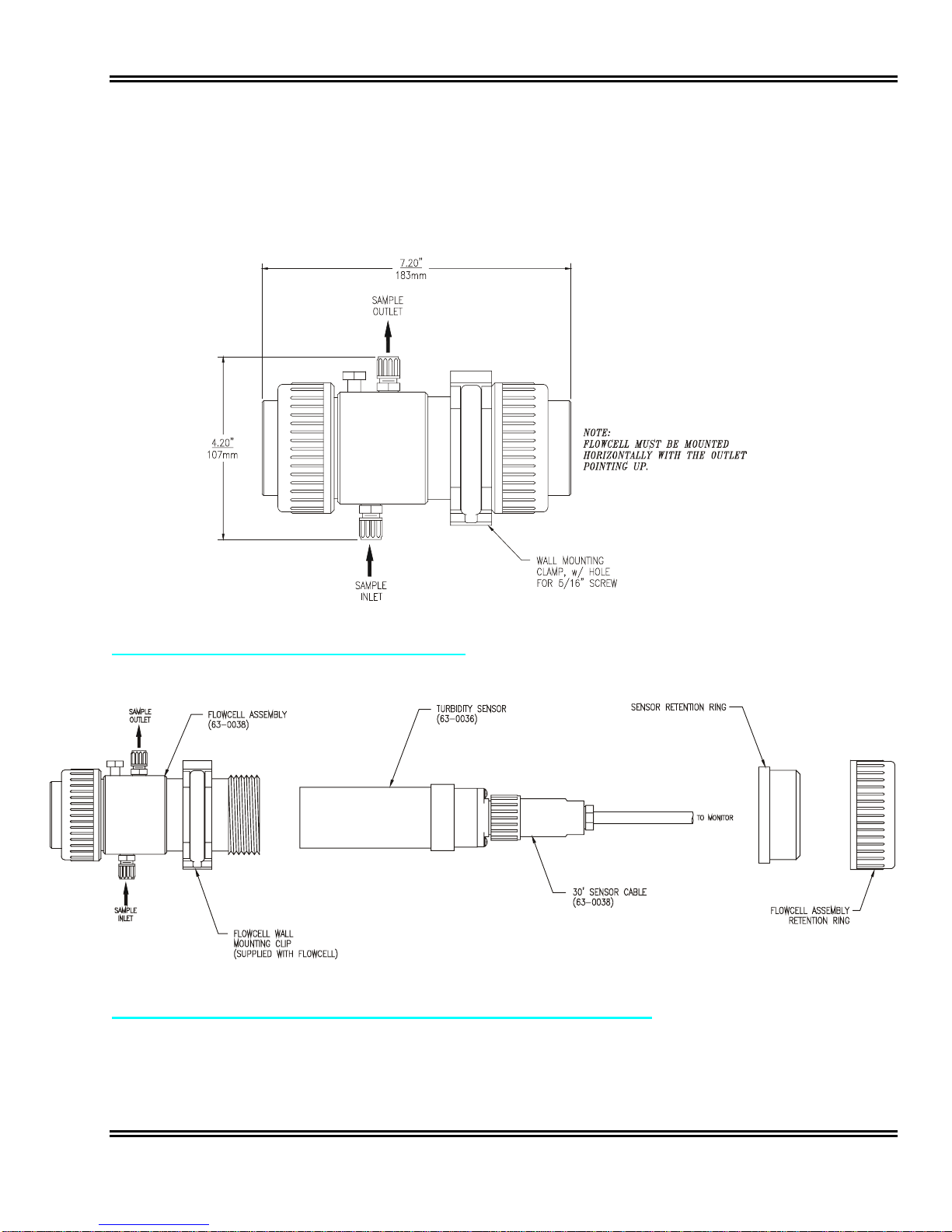
FIGURE 5 FLOWCELL DIMENSIONS (ATI-0435)............................................................................10
FIGURE 6 EXPLODED FLOWCELL AND SENSOR ASSEMBLY (ATI-0470) .................................10
FIGURE 7 – FLOW TEE RECOMMENDED PIPING (ATI-0793)........................................................11
FIGURE 8 – FLOW TEE TYPICAL CONFIGURATION (ATI-0513)....................................................12
FIGURE 9 – FLOW TEE ASSEMBLY (ATI-0542)...............................................................................13
FIGURE 10 - SUBMERSIBLE SENSOR MOUNTING (ATI-0447)......................................................14
ELECTRICAL CONNECTIONS................................................................................................................15
FIGURE 11 – TURBIDITY SYSTEM CONNECTIONS (ATI-0443).....................................................15
FIGURE 12– TURBIDITY SYSTEM WITH JUNCTION BOX CONNECTIONS (ATI-0445)................16
START-UP................................................................................................................................................17
Front Panel Lock..........................................................................................................................18
CONFIGURATION....................................................................................................................................19
OPERATION.............................................................................................................................................21
Setting Zero..................................................................................................................................21
Setting Sensitivity (Span).............................................................................................................22
CONTROL & ALARM OUTPUTS .............................................................................................................23
Control Relays..............................................................................................................................23
Alarm Relay..................................................................................................................................24
Auto/Manual Operating Mode......................................................................................................24
Check Signal Display...................................................................................................................25
MAINTENANCE........................................................................................................................................26
Sensor Maintenance....................................................................................................................26
SPARE PARTS LIST - MODEL A15/76....................................................................................................27