
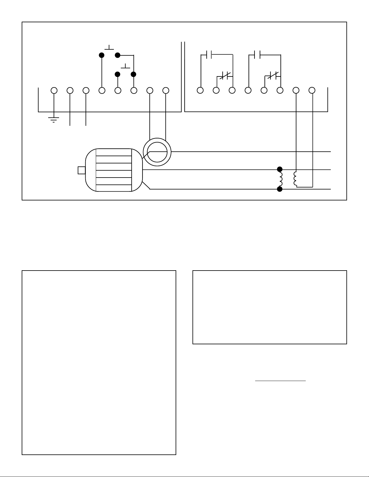
FO R MO TO RS LESS TH AN 5 HP
Ta k e m o r e “ t u r n s ” o f t h e l e g t h r o u g h t h e To r o i d . Ea c h
time the wire passes through the Toroid is a “turn”.
This is o n e tu rn. This is tw o turns.
FO R M O TO RS G REATER TH AN 5 0 HP
A Curre nt Tra nsfo rm e r is use d to re duc e the p rima ry
current. The 5-amp secondary passes through the Toroid.
Pass se co n d ary o f CT t h ro u gh t o ro id .
CAUTIO N
Whe n current is flowing through the primary o f the
external current transformer, always have a wire be-
tween the two brass Terminals on the CT.
If the y are le ft o pe n, dange ro us and de struc tive vo lt-
ages can develop.
RAN GE FIN D ER TO RO ID HOOKING UP THE RESET
Control can be reset three ways:
•
Manually with the Reset button on the control.
•Remotelywitharemotelylocatedresetbutton
or relay.
•Automaticwithajumper.
Re m o te Re se t -
Momentarily connect Terminal 4 to Terminal 6 for Trip 2.
Momentarily connect Terminal 5 to Terminal 6 for Trip 1.
Auto m atic Re se t-
Ju m p e r Te rm in a l 4 o r 5 to Te rm in a l 6 .
Th e t e rm in a ls fo r Re s e t ge n e ra te a sm a ll a m o u n t o f
current (8-12 milliamps). To reset, you just need to
connect the terminal to the circuit common (Terminal 6).
Th e sw it c h e s o r re la ys t h a t yo u u se m u st b e su it a b le fo r
lo w c urre n t (G o ld fla sh e d c o nta cts, Re e d Re lays, Me rc ury
Switche s).
4-20 MILLIAMP ANALOG OUTPUT
Th e An a lo g O u t p u t is d ire c tly p ro p o r tio n a l t o Fu ll Sc a le
capacity. It is always active. 500 ohm maximum con-
nected impedance.
Te r m i n a l 2 4 -2 0 m A P o s it ive
Te r m i n a l 3 4 -2 0 m A N e g a t ive
Use twisted pair or in noisy environments, use shielded
cable. Ground shield at other end.
Use the Full Scale capacity from the chart to scale
external meter, chart recorders or computers.
THE PFR-1750 POWERS THE 4-20MA SIGNAL.
DON’TUSEAN EXTERNALDC POWER SUPPLY.
SPECIFICATIONS PFR-1750
EN C LO S U RE
Glass-filled Polycarbonate
NEMA 4, 4X - STYLE
(3 1/ 4 ” x 6 1 / 4” x 2 ”)
(83 mm x 160 mm x 54 mm)
CAPACITY
To 5 0 h o r s e p o w e r d ir e c t ly
through Toroid
To 5 0 0 h o r s e p o w e r w it h e x t e r n a l
Current Transformer & Toroid
DIGITALLOAD DISPLAY
.4” LED 3 Digit
RELAY O U TPU TS
(2) Fo rm C 3 AMP @ 300 VAC o r
1/8 HP @240 VAC
La t c h w h e n t r ip p e d
1 1/8” Hole
3 1/2”
2”
2 3/8”
ANALO G O UTPU T
4-20mA; powered by the
PFR-1750 500 O HM
maximum connected
im pe d a nc e
RESPO N SE TIME
25 Milliseconds
TEM P ER ATU RE
0ºC - 55ºC
TIM ERS
Start-up a n d Trip D e lay(s)
0-90 second
0-2 second in .1 second
incre m e nts
2-90 second in 1 second
incre m e nts
THE PFR-1750 POWERS THE 4-20 MA SIGNAL
DON’T USE AN EXTERNAL DC POWER SUPPLY!
4-20 MILLIAMP ANALOG OUTPUT
FOR MOTORS LESS THAN 5 HP
FOR MOTORS GREATER THAN 50 HP