Bloomfield 8740 Manuale utente

10 Sunnen Drive
St. Louis, MO 63143
telephone: 314-678-6336
fax: 314-781-2714
www.bloomfieldworldwide.com
p/n 2M-76467 Rev. F M608 101123
608
OWNERS MANUAL
for
ICED TEA
BREWING SYSTEM
MODEL
8740
Includes:
Installation
Operation
Use & Care
Servicing Instructions
Model 8740 Brewer

608 p/n 2M-76467 8740 Tea Brewer Owners Manual
WARRANTY STATEMENT
All equipment manufactured by Bloomeld is warranted against defects
in materials and workmanship for the time periods listed in the chart
starting from the date the equipment is placed into service and is for the
benet of the original purchaser:
THE FOREGOING OBLIGATION IS EXPRESSLY GIVEN IN LIEU
OF ANY OTHER WARRANTIES, EXPRESSED OR IMPLIED,
INCLUDING ANY IMPLIED WARRANTY OF MERCHANTABILITY
OR FITNESS FOR A PARTICULAR PURPOSE, WHICH ARE
HEREBY EXCLUDED.
BLOOMFIELD, LLC SHALL NOT BE LIABLE FOR INDIRECT,
INCIDENTAL OR CONSEQUENTIAL DAMAGES OR LOSSES
FROM ANY CAUSE WHATSOEVER.
This warranty is void if it is determined that upon inspection by an
authorized service agency that the equipment has been modied,
misused, misapplied, improperly installed, or damaged in transit or by re, ood or act of God.
It also does not apply if the serial nameplate has been removed or unauthorized service personnel perform service. The prices
charged by Bloomeld for its products are based upon the limitations in this warranty. Seller’s obligation under this warranty
is limited to the repair of defects without charge by a Bloomeld Authorized Service Agency or one of its sub-agencies. This
service will be provided on customer’s premises for non-portable models. Portable models (a device with a cord and plug or a
dispenser) must be taken or shipped to the closest authorized service agency, transportation charges prepaid, for services.
Agencies are located in principal cities, please visit our website to locate one.
This warranty is valid in the United States and Canada and void elsewhere. Please consult your classied telephone directory
or your food service equipment dealer; or, for information and other details concerning warranty, write to:
Service Parts Department; Bloomeld
10 Sunnen Drive, St. Louis, MO 63143
Phone: (314) 678-6336 : Fax: (314) 781-2714
Technical@ bloomeldworldwide.com / www.bloomeldworldwide.com
BLOOMFIELD SERVICE POLICY AND PROCEDURE GUIDE ADDITIONAL WARRANTY EXCLUSIONS
1. Resetting of safety thermostats, circuit breakers, overload protectors, or fuse replacements.
2. All problems due to operation at voltages other than specied on equipment nameplates - conversion to correct voltage
must be the customer’s responsibility.
3. All problems due to electrical connections not made in accordance with electrical code requirements and wiring diagrams
supplied with the equipment.
4. Replacement of items subject to normal wear, to include such items as knobs and light bulbs. Normal maintenance
functions including adjustment of thermostats, microswitches, and replacement of fuses and indicating lights are not
covered under warranty.
5. All problems due to inadequate water supply, such as uctuating, or high or low water pressure.
6. All problems due to mineral/calcium deposits, or contamination from chlorides/chlorines. De-liming is considered a
preventative maintenance function and is not covered by warranty.
7. Full use, care and manuals may or may not be sent with each unit, only a condensed version. Please visit our web site to
download the full version.
8. Travel mileage is limited to fty (50) miles from an authorized service agency or one of its sub-service agencies.
9. All labor shall be performed during normal working hours. Overtime premium shall be charged to the customer.
10. All genuine Bloomeld replacement parts are warranted for ninety (90) days from date of purchase on non- warranted
equipment. Any use of non-genuine Bloomeld parts completely voids any warranty.
11. Installation, labor and job checkouts are not considered warranty.
12. Charges incurred by delays, waiting time or operating restrictions that hinder the service technicians ability to perform
services are not covered by warranty. This includes institutional and correctional facilities.
SHIPPING DAMAGE CLAIMS PROCEDURE
NOTE: For your protection, please note that equipment in this shipment was carefully inspected and packaged by skilled
personnel before leaving the factory. Upon acceptance of this shipment, the transportation company assumes full responsibility
for its safe delivery.
IF SHIPMENT ARRIVES DAMAGED:
1. VISIBLE LOSS OR DAMAGE: Be certain that any visible loss or damage is noted on the freight bill or express receipt,
and that the note of loss or damage is signed by the delivery person.
2. FILE CLAIM FOR DAMAGE IMMEDIATELY: Regardless of the extent of the damage.
3. CONCEALED LOSS OR DAMAGE: if damage is unnoticed until the merchandise is unpacked, notify the
transportation company or carrier immediately, and le “CONCEALED DAMAGE” claim with them. This must be done
within fteen (15) days from the date the delivery was made to you. Be sure to retain the container for inspection.
Bloomeld cannot assume liability for damage or loss incurred in transit. We will, however, at your request, supply you with the
necessary documents to support your claim.
Equipment Parts Labor
pour over, automatic coffee brewers 2 yrs. 2 yrs.
EBC, EMAX coffee brewers 2 yrs.* 2 yrs.
* EBC, EMAX coffee brewer control 3 yrs. no labor
POD coffee brewers 1 yr. 1 yr.
ECO coffee brewers 1 yr. 1 yr.
coffee warmers 1 yr. 1 yr.
tea brewers 2 yrs. 2 yrs.
tea dispensers 1 yr. 1 yr.
tea dispenser BBTea 1 yr. no labor
hot water machines 2 yrs. 2 yrs.
thermal servers 90 days no labor
airpots 30 days no labor
decanters no warranty no warranty

608 p/n 2M-76467 8740 Tea Brewer Owners Manual
This manual applies to the following Wells Bloomeld product:
8740 3 - 5 Gallon Tea Brewer
TABLE OF CONTENTS
SPECIFICATIONS
Thank You for purchasing this Wells Bloomeld appliance.
Proper installation, professional operation and consistent
maintenance of this appliance will ensure that it gives you the very best performance and a long,
economical service life.
This manual contains the information needed to properly install this appliance, and to use, care for
and maintain or repair the appliance in a manner which will ensure its optimum performance.
WARRANTY STATEMENT xi
SPECIFICATIONS 1
FEATURES & OPERATING CONTROLS 2
PRECAUTIONS & GENERAL INFORMATION 3
AGENCY LISTING INFORMATION 3
INSTALLATION INSTRUCTIONS 4
OPERATION 6
BREWING TEA 8
CLEANING INSTRUCTIONS 9
TROUBLESHOOTING SUGGESTIONS 10
SERVICING INSTRUCTIONS 11
Deliming Instructions 15
EXPLODED VIEW & PARTS LIST 16
WIRING DIAGRAMS 19
APPLICABILITY
INTRODUCTION
1
8740: 3 - 5 Gallon Ice Tea Brewers
MODEL DIMENSIONS VOLTS WATTS AMPS 1ø POWER SUPPLY CORD
8740 34-1/4” high,
11-1/4” wide,
19-27/32” deep
120V 1515 13 NEMA 5-15P
8740-35G 220-240V 1800 7.83 CEE 7/VII
8740-35GUK 220-240V 1800 7.83 CW 3100

FEATURES AND OPERATING CONTROLS
2
Fig. 1 Model 8740 Features and Operating Controls
608 p/n 2M-76467 8740 Tea Brewer Owners Manual
IL1684

WARNING: ELECTRIC SHOCK HAZARD
All servicing requiring access to non-insulated components must be performed by qualied
service personnel. Do not open any access panels which require the use of tools.
Failure to heed this warning can result in electrical shock.
WARNING: INJURY HAZARD
All installation procedures must be performed by qualied personnel with full knowledge of
all applicable electrical and plumbing codes. Failure could result in property damage and
personal injury.
WARNING: ELECTRIC SHOCK HAZARD
Brewer must be properly grounded to prevent possible shock hazard. DO NOT assume a
plumbing line will provide such a ground. Electrical shock will cause death or serious Injury.
WARNING: BURN HAZARD
This appliance dispenses very hot liquid. Serious bodily injury from scalding can occur from
contact with dispensed liquids.
CAUTION:
EQUIPMENT DAMAGE
DO NOT plug in or energize this
appliance until all Installation
Instructions are read and followed.
Damage to the Brewer will occur if
these instructions are not followed.
CAUTION:
BURN HAZARD
Exposed surfaces of the
appliance, brew chamber and
dispenser may be HOT to the
touch, and can cause serious
burns.
608 p/n 2M-76467 8740 Tea Brewer Owners Manual
PRECAUTIONS AND GENERAL INFORMATION
3
STD 4
E9253 E9253
PRECAUTIONS AND GENERAL INFORMATION
3
This appliance is intended for commercial use only.
This appliance is intended for use to brew beverage products
for human consumption. No other use is recommended or
authorized by the manufacturer or its agents.
This appliance is intended for use in commercial establishments,
where all operators are familiar with the appliance use,
limitations and associated hazards. Operating instructions and
warnings must be read and understood by all operators and
users.
Except as noted, this piece of equipment is made in the USA
and has American sizes on hardware. All metric conversions are
approximate and can vary in size.
The following trouble shooting, component views and parts lists
are included for general reference, and are intended for use by
qualied service personnel.
This manual should be considered a permanent part of this
appliance. The manual must remain with the appliance if it is
sold or moved to another location.
This brewer is listed under UL le E9253.
This brewer meets Standard 4 only when installed,
operated and maintained in accordance with the enclosed
instructions.
AGENCY LISTING INFORMATION
WARNING
WARNING
WARNING
WARNING

INSTALLATION
4
READ THIS CAREFULLY BEFORE STARTING THE INSTALLATION
Unpack the unit. Inspect all components for completeness and
condition. Ensure that all packing materials have been removed
from the unit.
Verify that the Spray Head Gasket and Spray Disk are properly
installed.
PLUMBER’S INSTALLATION INSTRUCTIONS
Brewer must be connected to a POTABLE WATER, COLD
WATER line. Flush water line before connecting to Brewer.
DO NOT use a saddle valve with a self-piercing tap for the water
line connection. Such a tap can become restricted by waterline
debris. For systems that must use a saddle tap, shut off the
main water supply and drill a 3/16” (minimum) tap for the saddle
connection, in order to insure an ample water supply. Remember
to ush the line prior to installing the saddle.
The brewer must be installed on a water line with average
pressure between 20 PSI and 90 PSI. If your water pressure
exceeds 90 PSI at anytime, a pressure regulator must be
installed in the water supply line to limit the pressure to not more
than 90 PSI in order to avoid damage to lines and solenoid.
A water shut-off valve should be installed on the incoming water
line in a convenient location (Use a low restriction type valve,
such as a 1/4-turn ball valve, to avoid loss of water ow thru the
valve.
NSF requires that the brewer be able to be moved for cleaning
underneath. A ex line or loops of copper tubing will satisfy this
requirement. See Figure 2 below.
IMPORTANT:
To enable the installer to make
a quality installation and to
minimize installation time, the
following suggestions and tests
should be done before the
actual unit installation is started:
CAUTION:
EQUIPMENT DAMAGE
DO NOT plug in or energize this
appliance until all Installation
Instructions are read and
followed. Damage to the
Brewer will occur if these
instructions are not followed.
CAUTION:
UNSTABLE
EQUIPMENT HAZARD
It is very important for safety
and for proper operation that the
brewer is level and stable when
standing in its nal operating
position.
NOTE: Water supply inlet line
must meet certain minimum
criteria to insure successful
operation of the brewer.
Bloomeld recommends 1/4”
copper tubing for installation of
less than 12 feet and 3/8” for
more than 12 feet from a 1/2”
water supply line.
NOTE: This equipment must
be installed to comply with
applicable federal, state and
local plumbing codes and
ordinances.
Fig. 2 Water Supply Installation
608 p/n 2M-76467 8740 Tea Brewer Owners Manual
STRAINER
SCREEN
WASHER
WATER
SUPPLY
FLOW
WATER INLET
FITTING
COPPER LOOPS
(PROVIDED BY PLUMBER)
SHUT-OFF VALVE
(PROVIDED BY PLUMBER)
IL1685

608 p/n 2M-76467 8740 Tea Brewer Owners Manual
INSTALLATION (continued)
5
WARNING
SHOCK HAZARD
Brewer must be properly
grounded to prevent possible
shock hazard. DO NOT assume
a plumbing line will provide such
a ground. Electrical shock will
cause death or serious injury.
IMPORTANT:
Supply power must match
nameplate for voltage and phase.
Connecting to the wrong voltage
will damage the brewer or result
in decreased performance.
Such damage is not covered by
warranty.
IMPORTANT: The ground prong
of the plug is part of a system
designed to protect you from
electrical shock in the event of
internal damage. Never cut off
the ground prong nor twist a
blade to t an existing receptacle.
Contact a licensed electrician
to install the proper circuit and
receptacle.
IMPORTANT: Do not connect
brewer to electrical power until
you are ready to ll the tank.
See instructions at left.
ELECTRICIAN’S INSTALLATION INSTRUCTIONS
REFER TO ELECTRICAL SPECIFICATIONS - Page 1
Check the nameplate to determine correct electrical service
required for the Brewer to be installed.
IMPORTANT: Before connecting to electricity, make sure
automatic brewers are connected to the water supply.
Model 8740 is equipped with a cord and plug.
It requires a 115 - 125 volt 20 amp circuit (50/60 Hz, 2 wire plus
ground, with NEMA 5-15R receptacle).
PREPARATION
The water tank must be ller prior to operation. Slide an empty
brew chamber in place under the brew head. Place an empty
dispenser under the brew chamber.
Be sure the unit is connected to the water supply, the water
supply is turned ON and the “TANK HEATER SWITCH” is OFF.
Connect the unit to electric power.
Press the “START BREW” switch to initiate a brew cycle. The
solenoid will open and begin lling the tank. Initiate consecutive
brew cycles until water begins to ow from the brew head.
When all water stops dripping, discard all water generated.
Press the “TANK HEATER SWITCH” to ON. The heating
elements will begin heating the water in the tank. When the
“READY TO BREW” light glows the unit is ready for use. Fig. 3 Plug Conguration
NEMA 5-15P
PLUG
GROUND
PIN
NEMA 5-15R
RECEPTACLE
IL1686
WARNING

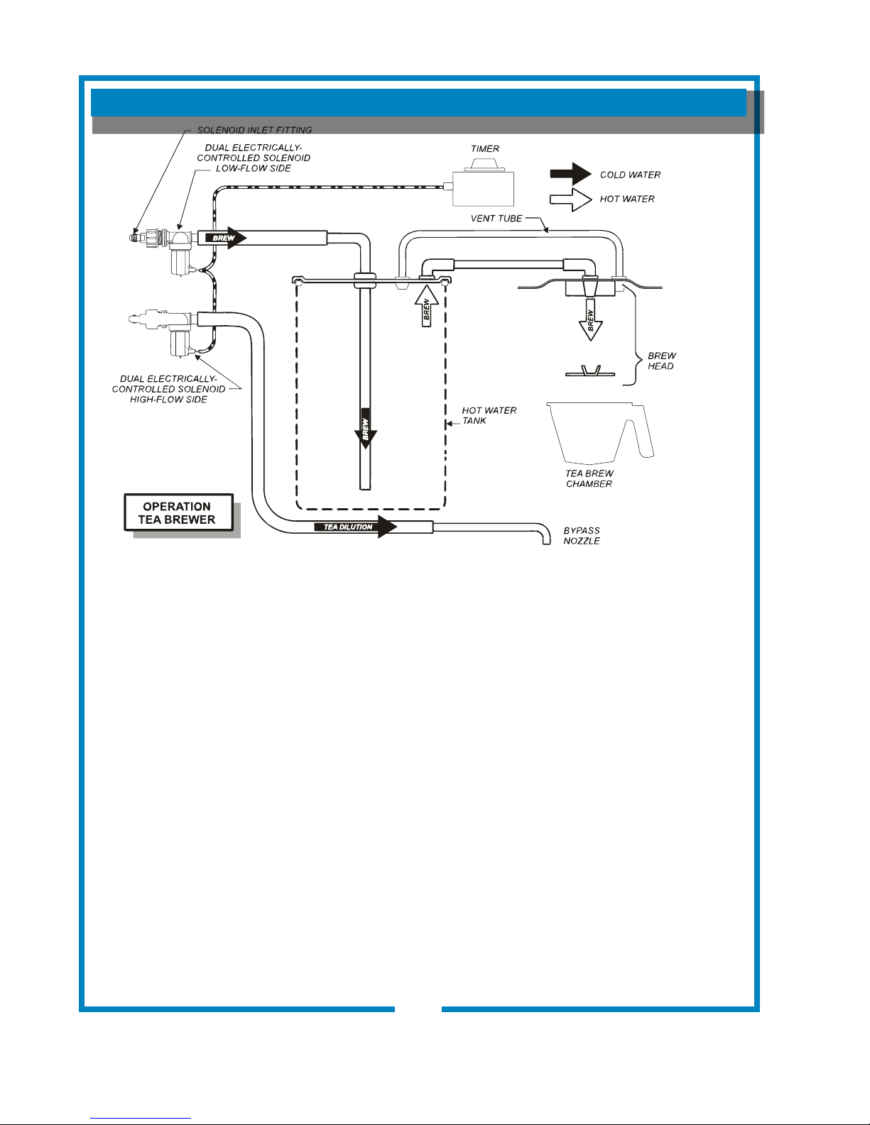
OPERATION
Fig. 4 Brewer Operation Diagram
A. START-UP
For initial start-up, or if the brewer has not been used for an
extended period of time:
• Be sure spray disk and brew gasket are properly installed in the
brew head.
• Be sure the water supply is properly connected and the water
supply valve is turned ON.
• Be sure the WATER TANK IS FILLED.
IMPORTANT: Fill the water tank before energizing this unit:
1. Insert the brew chamber (empty) and place an empty dispenser in
place under the brew chamber.
2. Be sure the TANK HEATER SWITCH is “off”. Plug the unit into an
appropriate receptacle.
3. Press The BREW switch. Water will start lling the tank. Run
several consecutive brew cycles until water ows from the brew
chamber.
4. When water stops dripping from the brew chamber, empty the
dispenser, then press TANK HEAT switch “on”. The heating
element will begin heating water in the tank. When the water has
reached the proper brewing temperature, the “READY TO BREW”
light will glow.
IMPORTANT:
Tank must be full of water
before pressing TANK
HEATER SWITCH “on”.
Heating elements will be
damaged if allowed to
operate without being
fully submerged in water.
Damage caused by
operating the brewer
without water in the tank
is NOT COVERED BY
WARRANTY.
6
608 p/n 2M-76467 8740 Tea Brewer Owners Manual
IL1687

608 p/n 2M-76467 8740 Tea Brewer Owners Manual
OPERATION (continued)
WATER HEATER
Water temperature is sensed by a thermobulb
inserted into the water tank. This temperature
signal is fed to the mechanical thermostat.
The temperature setpoint is adjustable. Heating
element is energized by the thermostat.
Excessive temperature will trip the hi-limit safety
switch. The hi-limit will automatically reset when
the brewer cools.
WATER FLOW
AUTOMATIC OPERATION
Pressing the BREW switch starts the timer, which
in turn energizes the solenoid valves. This allows
water from an external water supply to ow into
the water tank. The incoming water forces heated
water out of the tank to perform the brew.
Additionally, a measured amount of unheated
water is bypassed into the dispenser to dilute and
cool the brew.
The solenoid uses a ow control device so that
ow is consistent between 20 p.s.i. and 90 p.s.i.
The length of time the solenoid is open is
controlled by the timer setting.
Fig. 6 Water Flow Diagram
Fig. 5 Heat Control Diagram
7
IL1689
HI-LIMIT
THERMOSTAT
THERMOBULB
THERMOSTAT
BREW
DILUTION
TIMER
BREW
SOLENOID
BYPASS
SOLENOID
TANK
HEATING
ELEMENT

BREWING TEA
8
A. PREPARATION
Place one (1) genuine Bloomeld
paper lter into the brew chamber.
Add an amount of fresh tea leaves
to the brew chamber appropriate
to the brew volume.
NOTE: the brewer can brew any
volume between 3 and 5 gallons,
and is factory set for a 3 gallons
brew volume. If other brew
volumes are desired, refer to
SOLENOID TIME ADJUSTMENT,
page 13.
Gently shake the brew chamber to level the bed of tea leaves.
Slide the brew chamber into place under the brew head.
B. AUTOMATIC OPERATION
BE sure “READY TO BREW” light is lit.
Place the appropriate EMPTY dispenser in place under the brew
chamber. If a brew-thru lid is used, be sure the bypass opening in
the lid is directly under the bypass nozzle.
Press the “BREW” switch. The brew solenoid will open for
an amount of time determined by the timer setting, admitting a
measured quantity of water into the tank.
Inlet water will displace a like amount of heated water from the tank.
The hot water will be forced into the brew head where it will spray
over the bed of grounds. Freshly brewed tea will begin to ll the
dispenser. Additionally, a measured amount of cold dilution water
will ow from the bypass nozzle into the dispenser.
When the ow and all dripping stops at the end of the brew cycle,
the tea is ready to serve.
Discard the contents of the brew chamber and rinse it in a sink.
When the ”READY TO BREW” light glows, the brewer is ready for
another brew cycle.
CAUTION:
BURN HAZARD
Exposed surfaces of the
brewer, brew chamber and
dispenser may be HOT to
the touch, and can cause
serious burns.
CAUTION:
BURN HAZARD
To avoid splashing or
overowing hot liquids,
ALWAYS place an empty
dispenser under the brew
chamber before starting
the brew cycle. Failure to
comply can cause serious
burns.
CAUTION:
BURN HAZARD
After a brew cycle, brew
chamber contents are
HOT. Remove the brew
chamber and dispose of
used tea leaves with care.
Failure to comply can
cause serious burns.
Fig. 7 Tea Brew Chamber
608 p/n 2M-76467 8740 Tea Brewer Owners Manual
IL1605
Altri manuali per 8740
4
Indice
Altri manuali Bloomfield Elettrodomestico da cucina

Bloomfield
Bloomfield 8748 Series Guida

Bloomfield
Bloomfield 8740 Manuale utente

Bloomfield
Bloomfield PW-106 Manuale utente

Bloomfield
Bloomfield 8742 Series Manuale utente

Bloomfield
Bloomfield PW-106 Manuale utente

Bloomfield
Bloomfield 2030 Manuale utente

Bloomfield
Bloomfield 8740 Manuale utente

Bloomfield
Bloomfield 7895T Manuale utente

Bloomfield
Bloomfield Reily 8740LZ Manuale utente

Bloomfield
Bloomfield Integrity 8746 Manuale utente


















