
688175 nl-en ma 2019 7
EN
SAFETY PRECAUTIONS AND USAGE ENVIRONMENT
1. This product should be placed in a balanced and well ventilated spot and its left and right sides
should be free from obstacles for more than 10cm. Its back-side should be free from the obstacles
(like a brick wall etc) for more than 20cm.
2. The power pressure of this equipment should conform to the supply voltage of the power supply of this
product (230V/50Hz).
3. The user should install the suitable power switch, fuse and leakage-protector near to the equipment.
4. During operation, do not place any stuff in front of the appliance to make sure it could be operated at
any time needed. This is a safety instruction.
5. Before usage, this equipment must be connected (safe) to a grounded socket.
Before starting up, you should check whether the socket you want to use is grounded.
6. Before usage you should check whether all components, like the chamotte bases,
are available and whether the apliance is not damaged.
7. Make sure whether all the connections of all the electric elements of the product are firm or not,
and whether the safety grounding is reliable or not.
8. When you change the power cable, you should select the same model cable and:
it is only allowed to let a professional electrician do this.
9. If you need to (re)connect, repair or maintain the applaince, do not do this by yourself.
This is forbidden. This must always be done by a professional electrician.
10. You are able to adjust the temperature to the required degree scale to let the food reach the ideal
cooking temperature.
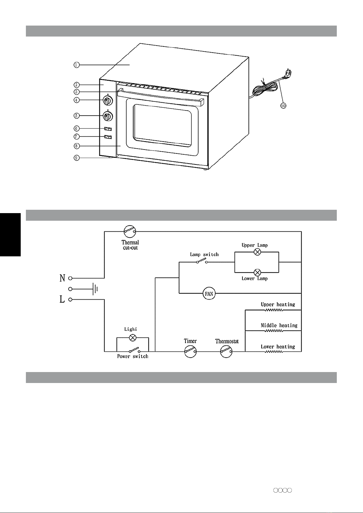
11. The timer does not control the heating elements.
12. If there are any abnormal phenomenons during usage, you must stop the appliance directly.
After checking you can continue to use it as long as it is safe. Do not repair the appliance by yourself.
This should always been done by a technical professional.
SAFETY INSTRUCTIONS
Degrease:
1. Before operating, clean the device from the inside with a wet cloth and a small amount of detergent. Be
careful not to touch the fan and heating element during cleaning.
In addition, make sure that you have dried it properly before you start operating the device.
2. Replace the chamotte bases of the device and then heat the device for 5 minutes at it’s highest
temperature.
3. After you have finished this process, please allow the device to cool down.
Please note that it is okay if a small amount of smoke is released.
Regular use:
4. Only place food and no non-food items in the device.
What we for example mean with non-food: tools, baking trays, paper or foil; etc.
5. Do never cover the appliance with foil, this could cause overheating and therefore danger.
6. Never leave the surroundings of the appliance during operation.
7. Never move the appliance during its operation.
8. Never touch the appliance (besides the control panel and door handle) during its operation.
9. When disconnecting the device from the power, never pull on the cord, only the plug.
10. Cooling down: After usage (and after turning the switch off), the appliance needs to cool down for a
minimum time of 30 minutes. To prevent any burning injuries or other danger, do not touch,
move or use the appliance during this period of time.
11. After usage, press on the switch to turn it off.
12. After usage the electricity needs to be cut from the socket to prevent fire hazard. Make sure the switch is
turned off before you cut the electricity from the socket, this to prevent short circuit or danger.
13. When you move the product from its place, always pick it up from the lower side of the appliance.
14. During operation or cooling down: always keep the appliance out of reach of children.
This, mainly to prevent danger and burning injuries.