Glastender LLD Manuale del proprietario

Glastender, Inc. · 5400 North Michigan Road · Saginaw, MI · 48604-9780
800.748.0423 · 989.752.4275 · Fax 989.752.4444 · www.glastender.com © 2007 Glastender, Inc.
08-26-08
IMPORTANT!!
No labor warranty. One year parts warranty only. If any issues occur contact the factory
immediately for assistance at 800.748.0423, 8AM to 5PM EST, Monday through Friday.
The following information applies to Glastender LLD and LLDS
model lighted liquor display units. Please review this information
before installation and operation. Long term, trouble-free service
will follow if good housekeeping and maintenance procedures are
followed. Thank you for selecting Glastender, Inc. products.
•
Electrical: 115 Volt AC, 1 Phase, 60 Hz, less than 5 Full Load
Amps. A 9-foot grounded cord is included.
U
ncrating
and
S
tart
-U
p
i
nStrUctionS
1. Unwrap power cord.
2. Position the Lighted Liquor Display.
3. Typically, displays up to 54" are shipped as a single unit and need
no further assembly. For units 60" and longer:
Remove six screws from the each top, remove tops. (Fig. 1)
Put the right LLD power cord through the side hole. (Fig. 2)
Add the provided spacer to the right LLD. (Fig. 2)
Start one screw from inside the right LLD to keep the spacer in
line. (Fig. 3)
Align the two ends of the Lighted Liquor Displays. (Fig. 4)
Put the power cord into the left LLD and plug in.
Finish the started screw, and three more to secure the units
together. (Fig. 3)
Reinstall the tops with six screws each.
4. Plug into 115 volt AC outlet.
5. Through the power cord side hole, turn the switch ON.
6. Your Glastender Lighted Liquor Display is now ready for use.
c
hanging
a
L
ight
B
ULB
1. Disconnect the electrical power.
2. Unscrew and remove the top.
3. Twist the bulb, and remove.
4. Align the new bulb pins, set in and twist into position.
5. Put the top back in place and secure with screws.
Lighted Liquor dispLay
instaLLation & operation information
Figure 4
Figure 1
6 screws for top installation
Figure 2
power cord through
side hole
spacer between units
3 screw holes to
secure units together
Figure 3
rst screw started

Glastender, Inc. · 5400 North Michigan Road · Saginaw, MI · 48604-9780
800.748.0423 · 989.752.4275 · Fax 989.752.4444 · www.glastender.com
Lighted Liquor dispLay
important safety instructions
When using a lighted liquor display, basic precautions should always be followed,
including the following:
Read all instructions before using this device.
danger –To reduce the risk of electric shock:
1. Always unplug this device from the electrical outlet before cleaning or servicing.
WARNING –To reduce the risk of burns, fire, electric shock or injury to persons:
1. Unplug from outlet before changing bulb assemblies, or otherwise servicing.
2. Use this device only for its intended use as described in these instructions.
3. Never operate this device if it has a damaged cord or plug, if it is not working properly, if it has been
dropped or damaged, or if it has been saturated with liquid. Contact the factory for return authorization and
repair options.
4. Never operate this device with the air openings blocked. Keep the air openings free of lint, dust, and the
like.
5. To disconnect, turn unit off then remove the plug from outlet.
6. Keep cord away from heated surfaces.
7. Do not use outdoors.
WARNING:Risk of electrical shock – connect this furnishing to a properly grounded outlet only. See
Grounding Instructions.
save these instructions
grounding instructions
This product must be grounded. If it should malfunction or breakdown, grounding provides a path of least
resistance for electric current to reduce the risk of electric shock. This product is equipped with a cord having
an equipment-grounding conductor and a grounding plug. The plug must be plugged into an appropriate outlet
that is properly installed and grounded in accordance with all local codes and ordinances.
danger –Improper connection of the equipment-grounding conductor can result in a risk of elec-
tric shock. Check with a qualified electrician or serviceman if you are in doubt as to whether the product is
properly grounded. Do not modify the plug provided with the product - if it will not fit the outlet, have a prop-
er outlet installed by a qualified electrician.
This product is for use on a nominal 120-volt circuit and has a grounding plug that looks like the plug illus-
trated below. Make sure that the product is connected to an outlet having the same configuration as the plug.
No adapter should be used with this product.
Grounding Pin
Grounded
Outlet

Glastender, Inc. • 5400 North Michigan Road • Saginaw, MI • 48604-9780
800.748.0423 • 989.752.4275 • Fax 989.752.4444 • www.glastender.com
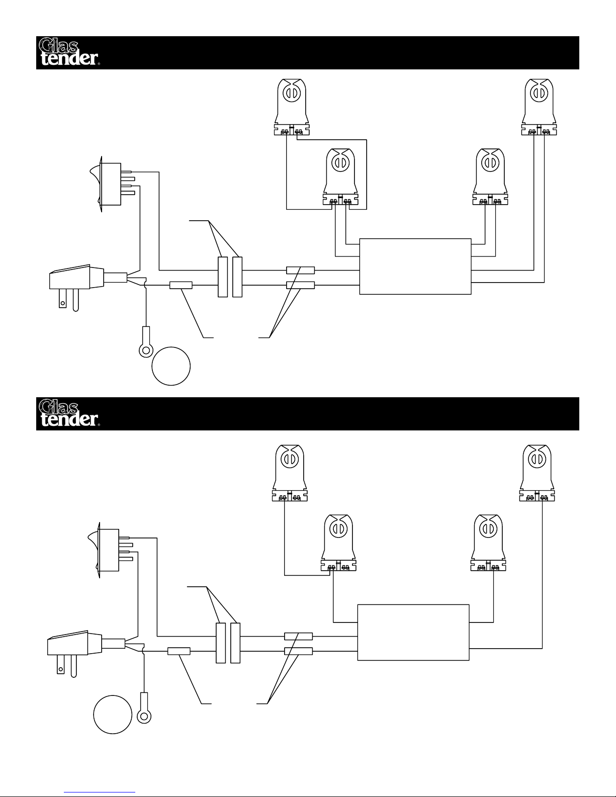
Wiring diagram for 24" LLd or LLdS modeLS
Wiring diagram for 30"-54" LLd or LLdS modeLS
BALLAST
Yellow
Red
Blue
Lampholder
GROUND
TO FRAME
White
GROUND
EYELET
Green
MALE
PLUG
14-16 BLUE
BARREL
CONNECTOR
Black
Male
Female
2 POLE
DISCONNECT
Black
SWITCH
White
White
Black Black
Yellow
Yellow
Yellow
Blue
Red
BALLAST
Red
Blue
Lampholder
GROUND
TO FRAME
White
GROUND
EYELET
Green
MALE
PLUG
14-16 BLUE
BARREL
CONNECTOR
Black
Male
Female
2 POLE
DISCONNECT
Black
SWITCH
White
White
Black Black
Blue
Red

Glastender, Inc. • 5400 North Michigan Road • Saginaw, MI • 48604-9780
800.748.0423 • 989.752.4275 • Fax 989.752.4444 • www.glastender.com
Wiring diagram for 60"-108" LLd or LLdS modeLS
BALLAST
Red
Blue
Lampholder
GROUND
TO FRAME
White
GROUND
EYELET
Green
MALE
PLUG
14-16 BLUE
BARREL
CONNECTOR
Black
Male
Female
2 POLE
DISCONNECT
Black
SWITCH
White
White
Black Black
Blue
Red
BALLAST
Red
Blue
Lampholder
GROUND
TO FRAME
White
GROUND
EYELET
Green
MALE
PLUG
14-16 BLUE
BARREL
CONNECTOR
Black
Male
Female
2 POLE
DISCONNECT
WhiteWhite
Black Black
Blue
Red
Black
White
White
White
Black
10-12 YELLOW
BARREL
CONNECTOR
GROUND
TO FRAME
GROUND
EYELET
PLUG
FEMALE
Green

Glastender, Inc. • 5400 North Michigan Road • Saginaw, MI • 48604-9780
800.748.0423 • 989.752.4275 • Fax 800.838.0888 / 989.752.4444 • www.glastender.com
repLacement partS
Part No. Description Price
1. 06001422 Ballast, 2 lamp, (LLD24) 55.00
12000323 Ballast, 2 lamp, 32W T8 for use with 24”, 36” &48” bulbs 76.00
2. 12000090 Lamp holder, Fluorescent light 9.50
3. 12000324 Bulb, Fluorescent 18” T8 (LLD24) 14.00
12000325 Bulb, Fluorescent 24”, 17W T8 (LLD30, LLD36) 14.00
12000326 Bulb, Fluorescent 36”, 25W T8 (LLD42, LLD48) 14.00
12000322 Bulb, Fluorescent 48”, 32W T8 (LLD54) 10.00
4. 06001314 Power cord, 132” long 35.00
5. 12000314 Panel, front, LLD24 1/8” x 2-7/8” x 21-5/8”, clear plexiglass 8.00
12000315 Panel, front, LLD30 1/8” x 2-7/8” x 27-5/8”, clear plexiglass 10.00
12000316 Panel, front, LLD36 1/8” x 2-7/8” x 33-5/8”, clear plexiglass 12.00
12000317 Panel, front, LLD42 1/8” x 2-7/8” x 39-5/8”, clear plexiglass 14.00
12000318 Panel, front, LLD48 1/8” x 2-7/8” x 45-5/8”, clear plexiglass 16.00
12000319 Panel, front, LLD54 1/8” x 2-7/8” x 51-5/8”, clear plexiglass 18.00
6. 12000103 Panel, top, LLD24, clear plexiglass 8.00
12000095 Panel, top, LLD24 translucent plexiglass 8.00
12000104 Panel, top, LLD30, clear plexiglass 10.00
12000096 Panel, top, LLD30, translucent plexiglass 10.00
12000109 Panel, top, LLD36, clear plexiglass 12.00
12000097 Panel, top, LLD36, translucent plexiglass 12.00
12000110 Panel, top, LLD42, clear plexiglass 14.00
12000098 Panel, top, LLD42, translucent plexiglass 14.00
12000111 Panel, top, LLD48, clear plexiglass 16.00
12000105 Panel, top, LLD48, translucent plexiglass 16.00
12000112 Panel, top, LLD54, clear plexiglass 18.00
12000106 Panel, top, LLD54, translucent plexiglass 18.00
5
6
1
4
3
2
Questo manuale è adatto per i seguenti modelli
1
Indice

















