
Page Number - 5
Form 403175
SAFETY INFORMATION
Read and understand all warnings, cautions and
instructions before operating this equipment. Extreme
caution should be used when operating this equipment as
personal injury and/or property damage can result from
equipment misuse. Adequate personal protection is
recommended to prevent splashing of material on the skin
or in the eyes. ALWAYS disconnect air coupler from pump
when the pump is not being used.
PRESSURE RELIEF PROCEDURE
Always perform this procedure when the pump is shut off
and before checking, servicing, installing, cleaning or
repairing any part of this system.
Perform the following procedure:
A. Disconnect the air supply to the pump.
B. Point the dispensing valve away from yourself and
others.
C. Open the dispensing valve into an appropriate
container until the pressure is relieved.
If the above procedure does not relieve the pressure, the
dispensing valve or hose may be restricted. To relieve the
pressure, very slowly loosen the hose end coupling. Then
loosen completely and clear the dispensing valve and/or
hose.
LIMITED WARRANTY
Lincoln warrants that lubrication equipment, materials dispensing equipment and other related equipment manufactured
by it will be free from defects material and workmanship during the one (1 year following the date of purchase. If equip-
ment proves to be defective during this warranty period, it will be repaired or replaced without charge, provided that factory
examimiation indicates the equipment to be defective. To obtain repair or replacement, it must be shipped, transportation
charges prepaid, with proof of date of purchase to a Lincoln authorized Warranty and Service Center, within the one (1 year
following the date of purchase.
This warranty is extended to the original retail purchaser only. This warranty does not apply to equipment damaged from
accident overload abuse, misuse, negligence, faulty installation or abrasive or corrosive materials, or to equipment re-
paired or altered by anyone not authorized by Lincoln to repair or alter the equipment. This warranty applies only to equip-
ment installed and operated according to the recommendations of Lincoln or its authorized field personnel. No other
express warrarty applies to lubrtation equipment, materials dispensing equipment, and other related equiprnent manufac-
tured by Lincoln.
ANY IMPLIED WARRANTlES applicable to lubrication equipment, materials dispensing equipment and other related
equipment manufactured by Lincoln INCLUDING THE WARRANTIES OF MERCHANTABILITY AND FITNESS FOR A PARTIC-
ULAR PURPOSE, WILL LAST ONLY FOR ONE(1 YEAR FROM THE DATE OF PURCHASE. SOME STATES DO NOT ALLOW
LIMITATIONS ON HOW LONG AN IMPLIED WARPANTY LASTS, SO THE ABOVE LIMITATION MAY NOT APPLY TO YOU.
In no event shall Lincoln be liable for incidental or consequential damages. The liability of Lincoln on any claim for loss or
damage arising out of the sale, resale, or use of lubrication equipment, materials dispensing equipment and other related
equipment shall in no event exceed the purchase price. SOME STATES DO NOT ALLOW THE EXCLUSION OR LIMITATION
OF INCIDENTAL OR CONSEQUENTIAL DAMAGES, SO THE ABOVE LIMITATION OR EXCLUSION MAY NOT APPLY TO YOU.
THIS WARRANTY GIVES YOU SPECIFIC LEGAL RIGHTS AND Y0U MAY ALSO HAVE OTHER RIGHTS WHICH VARY FROM
STATE TO STATE.
INSPECTION
Prior to operation or maintenance a visual inspection shall
be made. Check reel system for leaks, worn or missing
parts.
Any reel that appears to be damaged in any way, is badly
worn or operates abnormally shall be removed from use
until repairs are made. Contact factory authorized service
center for repairs.
If overpressurizing of the equipment is believed to have
occurred, contact a factory authorized service center for
inspecton of the reel.
Annual inspection by a factory authorized service centers
recommended.
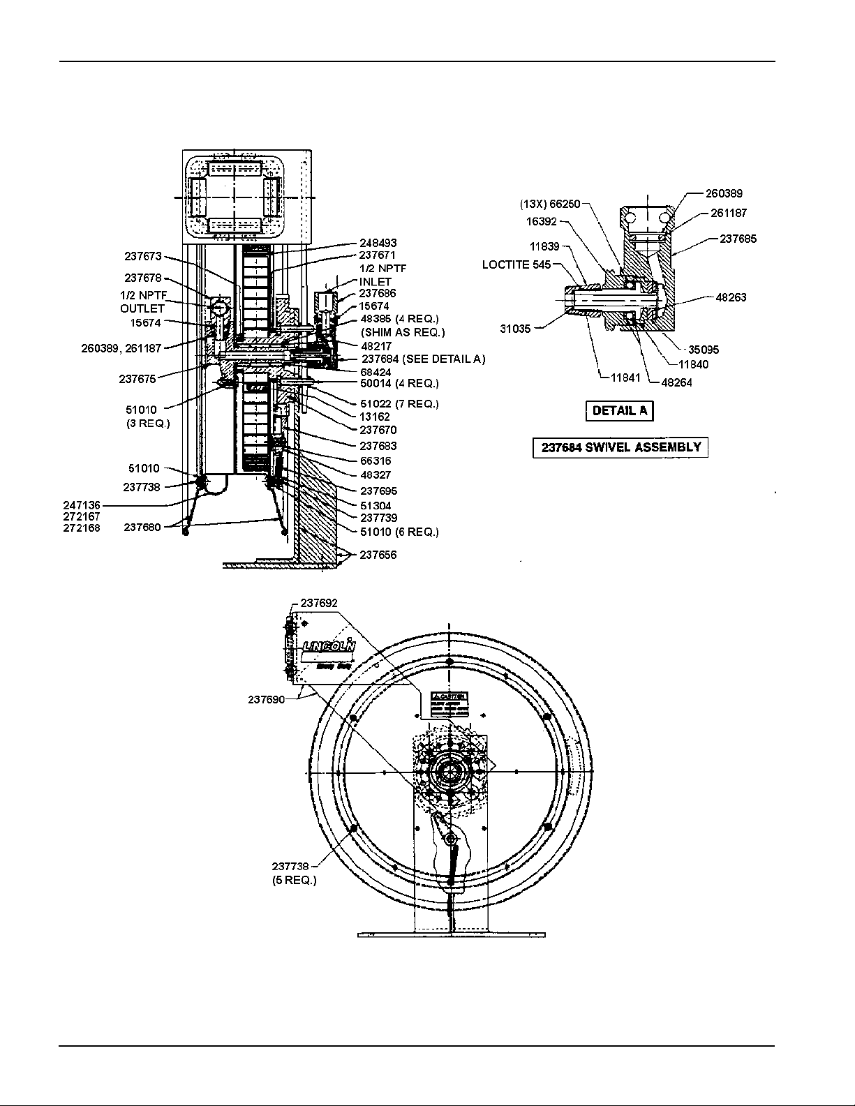
DISASSEMBLY
To disassemble, perform ASSEMBLY procedures in reverse.
REPAIR
Repair is limited to replacement of listed service parts.
Special procedures and tools are required. Contact Linocln
Customer Service, One Lincoln Way, St. Louis, MO 63120-
1578, (314 679-4200 for your nearest authorized service
center.
When ordering replacement parts, list: part number,
description, model number and series letter.